Перейти к содержанию
Форумы о ремонте и строительстве

Трансформатор для 12V лампочек

Оценить эту тему:


Рекомендуемые сообщения

Опубликовано

Купил в магазине два транса по 150 Вт каждый, для 8-12 лампочек 35-Ваттных в прихожую (если 12 будет, то еще транс возьму). Предполагается еще одно освещение в центре, более яркое.Два вопроса возникли:1. Все лампочки сейчас соединены одним кабелем, кабель выходит к незашитой перегородке, где распред. щит собран. Как подключать эти два транса на все лампочки?2. Будет ли достаточно света от 8 таких лампочек без включения центрального яркого света?

1. Все лампочки сейчас соединены одним кабелем, кабель выходит к незашитой перегородке, где распред. щит собран. Как подключать эти два транса на все лампочки?

Если они электронные (легкие), то никак - нужно тянуть два провода, для каждого транса отдельно. Если обмоточные (тяжелые), то их выходы можно включить параллельно, соблюдая фазировку.

2. Будет ли достаточно света от 8 таких лампочек без включения центрального яркого света?

Если помещение до 15 кв. м., то да.

и еще необходимо свести до минимума длину провода между лампами,и между последней лампой и трансом,так как потери в низковольтных сетях более велики,чем в высоковольтных.всвязи с вышесказаным советую вам использовать провод как можно большего сечения(естественно насколько позволяют коннекторы и прочие условия подключения )

Между лампами примерно 65 см. Провод 3*1,5 NYM.А почему электронные трансы нельзя подключать параллельно? У меня потолок уже зашит и отшпаклеван :( Что делать?

я так понимаю у вас софиты,если да,то можно использовать существующий провод в качестве протяжки и протянуть им две линии к лампам,расключая светильники на две группы.это при условии,что провод не где не зажат

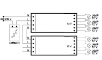
На фото - схема подключения трансов, которую я нашел в нете. По контактам - совпадает с реальностью. Это что, с одного транса я могу только ТРИ лампочки подключить???У меня их от 8 до 12 планируется в 14 м прихожей, я уже в панике :(Может, стоит поменять трансы на один более мощный, скажем (12*35 = 420 Вт)?

post-8695-1276101784_thumb.png

Между лампами примерно 65 см. Провод 3*1,5 NYM.А почему электронные трансы нельзя подключать параллельно? У меня потолок уже зашит и отшпаклеван :( Что делать?

Вся проблема в том, что на выходе у них переменка, причем высокочастотная. Если у обмоточных трансов выходная синусоида жестко связана с входной, то у импульсников входная синусоида выпрямляется, затем генерируется ВЧ импульсы, которые после понижения и подаются на галогенки. Причем их фаза абсолютно случайна, и если соединить параллельно выходы двух таких трансов, то работать они будут черт знает как, вместо того, чтобы питать лампочки, будут нагружать друг друга, и даже если не сгорят, то нормально работать точно не будут.А что, на 220 Вольт галогенки не хотите использовать? Поставьте блоки защиты, должны работать нормально. Не забудьте, что полтора квадрата для ламп на 12 Вольт с такой длиной точно не хватит, то есть если хотите все-таки низковольтные лампы, кабель по любому под замену.

Если обмоточные (тяжелые), то их выходы можно включить параллельно, соблюдая фазировку

не можно - не бывает двух идеально одинаковых трансформатора, хоть на десятую долю вольта но напряжение на выходе будет отличаться, из за этого получите проблемы - разная загрузка трансформаторов (на одном 70% нагрузки на другом 30% - это соотношение зависит от разницы напряжений)

Вся проблема в том, что на выходе у них переменка, причем высокочастотная. Если у обмоточных трансов выходная синусоида жестко связана с входной, то у импульсников входная синусоида выпрямляется, затем генерируется ВЧ импульсы, которые после понижения и подаются на галогенки. Причем их фаза абсолютно случайна, и если соединить параллельно выходы двух таких трансов, то работать они будут черт знает как, вместо того, чтобы питать лампочки, будут нагружать друг друга, и даже если не сгорят, то нормально работать точно не будут.А что, на 220 Вольт галогенки не хотите использовать? Поставьте блоки защиты, должны работать нормально. Не забудьте, что полтора квадрата для ламп на 12 Вольт с такой длиной точно не хватит, то есть если хотите все-таки низковольтные лампы, кабель по любому под замену.

Ну как... я пошел в магазин, увидел арматуру красивую, маленькую - она была только на 12 В. Соотвественно, 220 В галогенки даже не смотрел. И большинство галогенок под маленькую арматуру были тоже 12В.А почему 3*1,5 будет мало? Общая потребляемая мощность 12 лампочек по 35 Вт = 420 Вт. Неужели все из-за того, что потери в кабеле будут большие??

А почему 3*1,5 будет мало? Общая потребляемая мощность 12 лампочек по 35 Вт = 420 Вт

ну и почему дальше то не стал тему развивать???? при 12В 420Вт/12В получаем ток 35А а это сечение не менее 3,5 мм2

Что то не врублюсь :blink: Это что получается? На каждый трас отдельную линию тянуть? Не знал, что с 12в лампами такая морока, буду присматриваться к 220в

ну и почему дальше то не стал тему развивать???? при 12В 420Вт/12В получаем ток 35А а это сечение не менее 3,5 мм2

Транс стоит порядка 25 баксов, так что, на 12 35-ваттных лампочек их куча нужна, что ли? Это же дикие расходы как по деньгам, так вообще гемор.

Транс стоит порядка 25 баксов

с какого бодуна то???? 60Вт транс (хорошего качества) стоит до 200р. это где то 7 $

с какого бодуна то???? 60Вт транс (хорошего качества) стоит до 200р. это где то 7 $

Там не рубли, там латы. Мож оно столько и стоит.

Транс стоит порядка 25 баксов, так что, на 12 35-ваттных лампочек их куча нужна, что ли? Это же дикие расходы как по деньгам, так вообще гемор.

просто существуют трансы с различной выходной мощностью.вам необходимо было перед покупкой проконсультироватся со спецом.а насчет расходов и гемора-низковольтные сети восновном применяют в помещениях с повышенной опасностью поражением эл.током(ванные и тому подобные).

просто существуют трансы с различной выходной мощностью.вам необходимо было перед покупкой проконсультироватся со спецом.а насчет расходов и гемора-низковольтные сети восновном применяют в помещениях с повышенной опасностью поражением эл.током(ванные и тому подобные).

Продавец просто дал мне два транса, когда я сказал, что необходимо запитать 8 35-ваттных лампочек. В Латвии туго с объяснениями... Что мне тогда делать? Я могу сдать все лампочки и трансы, но тогда что вместо них? В прихожей планировалось 12 маленьких лампочек (про мощность забыл), и провод кинут один, 3*1,5 NYM.

150 Вт

вот его то, тебе хватит на 4 лампы по 35Вти провода 1,5мм2 хватит

и провод кинут один, 3*1,5 NYM.

блин ну я не понимаю в чем проблемма перетянуть провод???либо покупаешь 12 трансформаторов по 60Вт и у каждого светильника ставишь

вот его то, тебе хватит на 4 лампы по 35Вти провода 1,5мм2 хватитблин ну я не понимаю в чем проблемма перетянуть провод???либо покупаешь 12 трансформаторов по 60Вт и у каждого светильника ставишь

А сколько метров тогда 3*1,5 допустимо, чтобы 12В лампочки горели без потерь? У меня прихожая 4.6*3 примерно, два ряда лампочек вдоль стен планировалось. Если и получится протянуть второй провод для второго ряда, и трансы крепить около щита, то расстояние до первой лампочки будет метра 3-4 как минимум...

как один из вариантов можеш поставить софиты с энергосберегающими лампами.у меня уже третий год стоят. с плавным запуском (maxus).мощность лампы-7W,софиты под лампу (R-50). Тебе 12 ШТУК на коридор-LAS-VEGAS будет.фото прилагаю.P.S.бери теплый белый свет-самый оптимальный,холодный и нейтральный-на глаза давят.3-4метра многовато будет

post-43096-1276109025_thumb.jpg

post-43096-1276109072_thumb.jpg

post-43096-1276109169_thumb.jpg

Для публикации сообщений создайте учётную запись или авторизуйтесь

Вы должны быть зарегистрированным пользователем, чтобы оставить комментарий

Создать учетную запись

Зарегистрируйтесь в нашем сообществе.

Зарегистрироваться

Войти

Уже есть аккаунт? Войти в систему.

Войти

Или войти с помощью одного из сервисов



  • Наши рекомендации

    • Газовые котлы: эффективное, экономичное и экологичное решение для отопления вашего дома
      В современном мире, где комфорт и устойчивость стали ключевыми аспектами повседневной жизни, выбор правильного источника отопления дома становится особенно актуальным. Газовые котлы, сочетая в себе преимущества эффективности, экономичности и экологичности, представляют собой одно из наиболее популярных решений для обеспечения комфортной температуры в жилых и коммерческих помещениях.

      • 0 ответов
    • Дома из сруба: идеальное сочетание уюта и прочности.
      Строительство собственного дома является важной вехой в жизни любого человека, поскольку оно знаменует собой важное событие. Выбор строительных материалов имеет огромное значение для создания теплого и функционального жилища. На протяжении всей древней истории древесина была распространенным материалом для строительства домов, что отразилось на различных культурах мира.

      • 0 ответов
    • Аккумуляторные пилы  SCW и  SCM  22-A
      После того как провёл тесты, приступил к самому главному. Поменять диски местами, и проверить, как инструмент на это отреагирует, ведь они внешнее и походу внутренне практически одинаковые, пила по дереву конечно более навороченее, есть настройки угла наклона и можно на шину посадить через адаптер.

      • 4 ответа
    • Как построить теплый дом, не тратя лишних денег
      Строительство гостевого дома решил выделить в отдельную тему, так будет меньше путаницы.


        • Спасибо
        • Нравится
      • 239 ответов
    • Вторая жизнь дивана: искусство ремонта мягкой мебели своими руками
      В эпоху беспрерывного потребления и стремления к новизне, ремонт старой мягкой мебели своими руками приобретает не просто практическое, но и глубоко философское значение. Это действие как знак уважения к труду мастеров, которые вложили свое мастерство в создание диванов, кресел и пуфов, и как воплощение идеи устойчивого потребления. С каждым возвращенным к жизни предметом мебели, мы не только сохраняем историю и уникальность каждого изделия, но и противостоим бездумному обновлению интерьера за счет экологии и рационального использования ресурсов.

        • Нравится
      • 0 ответов
    • Люк для кошек своими руками
      Разумеется давно придуманы и продаются специальные лючки для кошек, которые можно врезать в дверь, но мы ведь не ищем легких путей . Да и по зоомагазинам я не хожу, а "гугление" показало, что такие люки для кошек стоят относительно не дешево. В то же время под рукой были два "копеечных" сантехнических пластиковых лючка для ГКЛ. Все что оставалось, так это обломать фиксаторы крышек, что бы они открывались в обе стороны, ровно выпилить отверстие в двери, да вклеить симметрично эти лючки.

      То, что получилось видно на фото. Разумеется это не для тех, у кого "дизайнерский ремонт", но для обыкновенной квартиры вполне подходит. Недостатков не замечено, животных и людей всё устраивает .


      Реакцию форумчан на этот люк можно узнать в этой теме https://homemasters.ru/...me/?p=330637

        • Ого
      • 6 ответов
    • Подходы к ремонту старых домов в России
      В России сотни тысяч старых домов, многие из которых являются не только свидетельством исторического наследия, но и отражением уникальной культуры и традиций страны. Эти дома, будь то деревянные избы или старинные каменные постройки, сохраняют в себе дух времени и рассказывают историю поколений.

      • 0 ответов
    • Кажись всё или строительный пылесос с тройной мультициклонной ступенью очистки
      Кажись всё или строительный пылесос с тройной мультициклонной ступенью очистки

        • Нравится
      • 16 ответов
×
×
  • Создать...

Важная информация

Мы разместили cookie-файлы на ваше устройство, чтобы помочь сделать этот сайт лучше. Вы можете изменить свои настройки cookie-файлов, или продолжить без изменения настроек.