Перейти к содержанию
Форумы о ремонте и строительстве

Электричество в загородном доме. Щиток

Оценить эту тему:


f1eryG

Рекомендуемые сообщения

Опубликовано

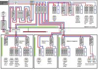
Набросал схему электрификации загородного дома, постарался сделать это развернуто. Изучил подобные темы, но все равно в некоторых моментах не смог разобраться, скорее из-за индивидуальных особенностей подобных схем, и своей мало-грамотностью в этом вопросе.Основной момент это непосредственный ввод в дом, начиная с вводного автомата и заканчивая последовательностью установок УЗО, диф. автоматов различного номинала. Так же не совсем разобрался в выборе сечения кабеля, на определенных участках, таких как соединение автоматов и узо внутри щита и между щитами.В целом планируется свой щиток на каждом этаже, основной будет находиться на 1-ом этаже дома, от него будут тянуться кабеля в другие щиты. Кабель от вводного автомата до щита 1-ого этажа будет проложен в трубе. От дома до бани протяну бронированный кабель в земле.В супер розетку планируется подключение, например, сварочного аппарата. Возникает вопрос - нужна ли она вообще?post-44513-1277799424_thumb.jpgpost-44513-1277799434_thumb.jpg

Вот, подкорректировал. Вместо того, чтобы ставить дифы (что просто и очевидно, но дорого) можно сэкономить и добавить к зачеркнутым УЗО последовательно автомат на номинал УЗО, что в сумме даст требуемый результат - защиту УЗО от перегрузки по току.

post-41678-1277800624_thumb.jpg

что-то не совсем понял.... В основной щит 1-го этажа я ставлю дифавтомат и от него веду еще 4 кабеля в щиты? И почему оставили УЗО на свет 2-го этажа? Автоматы на 40А заменять получается, они только на свет идут...?

Нужно те УЗО, которые я зачеркнул либо поменять на дифавтоматы такого же номинала, либо последовательно с ними включить по автомату с номиналом равным номиналу УЗО (то есть если УЗО на 40А, значит и автомат нужно на 40А).То УЗО, что я оставил незачеркнутым менять на дифавтомат не нужно, потому что его защищает тот автомат, что стоит после него.

Тоесть мне нужно либо заменить их на дифавтоматы (7 штук), что очень накладно..., либо после них ставить автоматы 63А? :o

после них ставить автоматы 63А?

Если УЗО на 63А, то автомат должен быть на 63А, если на 40А, то автомат тоже на 40А.

Переключатель -> АВ 40А 2Р -> УЗО 63А -> АВ 63А -> АВ 16А Так?

АВ 40А 2Р -> УЗО 63А -> АВ 63А -> АВ 16А

Прошу прощения, именно в этой линии дополнительный автомат не нужен - УЗО на 63А защищает автомат на 40А, который стоит перед ним. А вот в остальных его нужно ставить обязательно.

Так у меня перед каждым УЗО 63А идет автомат 40А, наверно перед УЗО на свет которое 10А нужно поставить автомат на 10А?

такие вещи делаются на проекте дома , сколько квадратов дом? количество комнат? нахрена для света в баню 40А? для чего еще один автомат на 50А перед счетчиком?

(изменено)

такие вещи делаются на проекте дома , сколько квадратов дом? количество комнат? нахрена для света в баню 40А?

Всего два дома, в первом и основном: подвал - 6 комнат, 1-ый этаж - 7 комнат, 2-ой этаж 4 комнаты; во втором доме, он же баня: 1-ый этаж 6 комнат из них 3 отведены под баню, 2-ой этаж 2 комнаты, так же от него питается уличная беседка, то же не маленькая.Такое вот большое хозяйство!

для чего еще один автомат на 50А перед счетчиком?

чтобы если уж выбивало то сначала его, а уж потом тот который на вводе на стене дома, они разного типа. (вводной С, а в щитке В) Изменено пользователем f1eryG

Вводные автоматы на 50 А, отходящие по 40 - 63 А, ничего не смущает?

А почему бы узо на 300 мА не передвинуть за переключатель? Тогда можно вообще выкинуть все узо на свет. По крайней мере в доме. Или так нельзя?

Спасибо за комментарии, вновь отредактировал схему. Супер розетки решил убрать, сложилось устойчивое мнение, что в них нет необходимости.Убрал УЗО в некоторых местах на свет, лишняя трата денег. Есть желание и остальные убрать, но там вроде как выход уличный свет подключен, возможно ли это сделать?post-44513-1277896853_thumb.jpg

Аникей Сковородкин

Есть желание и остальные убрать, но там вроде как выход уличный свет подключен, возможно ли это сделать?

Я бы убрал в баня, 2 этаж и подвал - оставить только два дифавтомата, которые на схеме. Да и на первом этаже одно УЗО 63А кухня тож нафиг нужно, оставить вводное и на стиралку.

Для публикации сообщений создайте учётную запись или авторизуйтесь

Вы должны быть зарегистрированным пользователем, чтобы оставить комментарий

Создать учетную запись

Зарегистрируйтесь в нашем сообществе.

Зарегистрироваться

Войти

Уже есть аккаунт? Войти в систему.

Войти

Или войти с помощью одного из сервисов



  • Наши рекомендации

    • Подходы к ремонту старых домов в России
      В России сотни тысяч старых домов, многие из которых являются не только свидетельством исторического наследия, но и отражением уникальной культуры и традиций страны. Эти дома, будь то деревянные избы или старинные каменные постройки, сохраняют в себе дух времени и рассказывают историю поколений.

      • 0 ответов
    • Аккумуляторные пилы  SCW и  SCM  22-A
      После того как провёл тесты, приступил к самому главному. Поменять диски местами, и проверить, как инструмент на это отреагирует, ведь они внешнее и походу внутренне практически одинаковые, пила по дереву конечно более навороченее, есть настройки угла наклона и можно на шину посадить через адаптер.

      • 4 ответа
    • Кажись всё или строительный пылесос с тройной мультициклонной ступенью очистки
      Кажись всё или строительный пылесос с тройной мультициклонной ступенью очистки

        • Нравится
      • 16 ответов
    • Дома из сруба: идеальное сочетание уюта и прочности.
      Строительство собственного дома является важной вехой в жизни любого человека, поскольку оно знаменует собой важное событие. Выбор строительных материалов имеет огромное значение для создания теплого и функционального жилища. На протяжении всей древней истории древесина была распространенным материалом для строительства домов, что отразилось на различных культурах мира.

      • 0 ответов
    • Как построить теплый дом, не тратя лишних денег
      Строительство гостевого дома решил выделить в отдельную тему, так будет меньше путаницы.


        • Спасибо
        • Нравится
      • 239 ответов
    • Люк для кошек своими руками
      Разумеется давно придуманы и продаются специальные лючки для кошек, которые можно врезать в дверь, но мы ведь не ищем легких путей . Да и по зоомагазинам я не хожу, а "гугление" показало, что такие люки для кошек стоят относительно не дешево. В то же время под рукой были два "копеечных" сантехнических пластиковых лючка для ГКЛ. Все что оставалось, так это обломать фиксаторы крышек, что бы они открывались в обе стороны, ровно выпилить отверстие в двери, да вклеить симметрично эти лючки.

      То, что получилось видно на фото. Разумеется это не для тех, у кого "дизайнерский ремонт", но для обыкновенной квартиры вполне подходит. Недостатков не замечено, животных и людей всё устраивает .


      Реакцию форумчан на этот люк можно узнать в этой теме https://homemasters.ru/...me/?p=330637

        • Ого
      • 6 ответов
    • Вторая жизнь дивана: искусство ремонта мягкой мебели своими руками
      В эпоху беспрерывного потребления и стремления к новизне, ремонт старой мягкой мебели своими руками приобретает не просто практическое, но и глубоко философское значение. Это действие как знак уважения к труду мастеров, которые вложили свое мастерство в создание диванов, кресел и пуфов, и как воплощение идеи устойчивого потребления. С каждым возвращенным к жизни предметом мебели, мы не только сохраняем историю и уникальность каждого изделия, но и противостоим бездумному обновлению интерьера за счет экологии и рационального использования ресурсов.

        • Нравится
      • 0 ответов
    • Газовые котлы: эффективное, экономичное и экологичное решение для отопления вашего дома
      В современном мире, где комфорт и устойчивость стали ключевыми аспектами повседневной жизни, выбор правильного источника отопления дома становится особенно актуальным. Газовые котлы, сочетая в себе преимущества эффективности, экономичности и экологичности, представляют собой одно из наиболее популярных решений для обеспечения комфортной температуры в жилых и коммерческих помещениях.

      • 0 ответов
×
×
  • Создать...

Важная информация

Мы разместили cookie-файлы на ваше устройство, чтобы помочь сделать этот сайт лучше. Вы можете изменить свои настройки cookie-файлов, или продолжить без изменения настроек.