Перейти к содержанию
Форумы о ремонте и строительстве

Кабель для встаиваемой духовки

Оценить эту тему:


Hobik

Рекомендуемые сообщения

Опубликовано

ЛЮДИ ПОМОГИТЕ!!!!Уже весь мозг сломал по подбору кабеля для встраиваемой духовки. Мощность духовки 2,25кВт. На вводе в кухню кабель ВВГ-П 3х1,5. По всем расчетам для духовки с такой мощностью подойдет этот же кабель. Необходимо ли тянуть новый кабель до счетчика? И каким сечением необходим кабель?

(изменено)

Hobik

По всем расчетам для духовки с такой мощностью подойдет этот же кабель.

не пойдёт , так как любые розеточные линии начинаются от 2,5 квадратов меди на каждую из двух (трёх) жил ;)

а Ваши 3х1,5 квадрата годятся лишь для цепей освещения и то при небольшой мощности светильников

Изменено пользователем Nickolas

С распределительной коробки (ввод на кухню 3х1,5) уходят на освещение и розетки 5 линий (освещение кухни и 4 розетки). Могу ли я в этом случае запитать духовку от существующей розетки (приходит на розетку 3х1,5). На счетчике на всю квартиру стоят 2 автомата по 16А и УЗО на 25А. <_<

По поводу отведенной мощности на квартиру - это беда!!Схему которую смог накидать это на прихожую с ванной и кухню. Квартира однокомнатная.Красным обозначены вводные кабеля в каждую комнату, синим - отходящие. По всей квартире проложен ВВГ-П 3х1,5.Если посмотреть на автоматы распределили следующим образом:на среднем автомате 16 а - сидит вся квартира!!!!на следующем 16 а - только звонок и розетка под с/м.Ума не хватило разобраться с УЗО..... Полагаю надо распределить:на среднем оставить кухню, а на следующий автомат посадить все остальные линии.Как думаете в нужном русле мозг работает?!Кстати дом с "газом". Поверхность варочная будет газовая с электророзжигом.

post-7940-1193908564_thumb.jpg

(изменено)

Ремонт начат!!!!По поводу узо ДЭК 25А. Сейчас ответить по поводу стояку не смогу :( Бытовая техника:варочная поверхность газовая с электророзжигомдуховка встройкамикроволновкавытяжка

А вот с этим совсем интересно - как подключать собираетесь(электрику и газ) ?

А какая может возникнуть заморочка?Квартиру купил недавно, не знаю кто так разводил электрику Изменено пользователем Hobik

Т.е. у вас есть возможность добавлять линии в помещения?

ДА

это все? Ни миксеров, ни тостеров-ростеров, ни комбайнов с мясорубками, ни электрических чайников и кофеварок..., у вас не будет?

Sorry, миксер+комбайнУЗО: УЗО-01 ДЭК 01-2-25/30 In=25А, 30мАРЕ в щите есть, линии на розетки трехпроводныеПо поводу последовательности включения всех приборов на щите:на автомате 16А- все розетки и освещение квартирына втором автомате 16А - звонок и розетка под с/ма вот с узо пока не разобрался......

Есть просто несколько моментов, которые надо выполнить в обязательном порядке при подключении газовой плиты с электроподжигом к газовой и электрической сетям - в целях соблюдения норм и повышения личной безопасности.

Не могли бы озвучит эти моменты для дилетантов вроде меня?

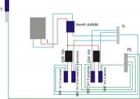
Ну вот что-то набросал...Сечение на вводном посмотрю вечером, сейчас нет возможности.По поводу параллельной работы духовки и других приборов - вероятнее всего духовка + поверхность

post-7940-1193918899_thumb.jpg

Респект и уважуха!!!!Вчера посмотрел в щитке этажном там стоит вводной автомат ВА 101-1/25, отходящий от автомата провод ПВ1 сечением 2,5. Решил, что в любом случае буду тянуть новую линию на духовку.

Т.е. у тебя стоит автомат - счетчик - узо - 2 автомата по 16А Так?

Да так.2,5 это сечение провода. Это достаточно или маловато будет? И что делать если маловато?

а что за дом у вас ? почему выделенная мощность - беда :) ? какие провода в стояке на лестничной клетке?

Для публикации сообщений создайте учётную запись или авторизуйтесь

Вы должны быть зарегистрированным пользователем, чтобы оставить комментарий

Создать учетную запись

Зарегистрируйтесь в нашем сообществе.

Зарегистрироваться

Войти

Уже есть аккаунт? Войти в систему.

Войти

Или войти с помощью одного из сервисов



  • Наши рекомендации

    • Кажись всё или строительный пылесос с тройной мультициклонной ступенью очистки
      Кажись всё или строительный пылесос с тройной мультициклонной ступенью очистки

        • Нравится
      • 16 ответов
    • Дома из сруба: идеальное сочетание уюта и прочности.
      Строительство собственного дома является важной вехой в жизни любого человека, поскольку оно знаменует собой важное событие. Выбор строительных материалов имеет огромное значение для создания теплого и функционального жилища. На протяжении всей древней истории древесина была распространенным материалом для строительства домов, что отразилось на различных культурах мира.

      • 0 ответов
    • Вторая жизнь дивана: искусство ремонта мягкой мебели своими руками
      В эпоху беспрерывного потребления и стремления к новизне, ремонт старой мягкой мебели своими руками приобретает не просто практическое, но и глубоко философское значение. Это действие как знак уважения к труду мастеров, которые вложили свое мастерство в создание диванов, кресел и пуфов, и как воплощение идеи устойчивого потребления. С каждым возвращенным к жизни предметом мебели, мы не только сохраняем историю и уникальность каждого изделия, но и противостоим бездумному обновлению интерьера за счет экологии и рационального использования ресурсов.

        • Нравится
      • 0 ответов
    • Люк для кошек своими руками
      Разумеется давно придуманы и продаются специальные лючки для кошек, которые можно врезать в дверь, но мы ведь не ищем легких путей . Да и по зоомагазинам я не хожу, а "гугление" показало, что такие люки для кошек стоят относительно не дешево. В то же время под рукой были два "копеечных" сантехнических пластиковых лючка для ГКЛ. Все что оставалось, так это обломать фиксаторы крышек, что бы они открывались в обе стороны, ровно выпилить отверстие в двери, да вклеить симметрично эти лючки.

      То, что получилось видно на фото. Разумеется это не для тех, у кого "дизайнерский ремонт", но для обыкновенной квартиры вполне подходит. Недостатков не замечено, животных и людей всё устраивает .


      Реакцию форумчан на этот люк можно узнать в этой теме https://homemasters.ru/...me/?p=330637

        • Ого
      • 6 ответов
    • Газовые котлы: эффективное, экономичное и экологичное решение для отопления вашего дома
      В современном мире, где комфорт и устойчивость стали ключевыми аспектами повседневной жизни, выбор правильного источника отопления дома становится особенно актуальным. Газовые котлы, сочетая в себе преимущества эффективности, экономичности и экологичности, представляют собой одно из наиболее популярных решений для обеспечения комфортной температуры в жилых и коммерческих помещениях.

      • 0 ответов
    • Подходы к ремонту старых домов в России
      В России сотни тысяч старых домов, многие из которых являются не только свидетельством исторического наследия, но и отражением уникальной культуры и традиций страны. Эти дома, будь то деревянные избы или старинные каменные постройки, сохраняют в себе дух времени и рассказывают историю поколений.

      • 0 ответов
    • Как построить теплый дом, не тратя лишних денег
      Строительство гостевого дома решил выделить в отдельную тему, так будет меньше путаницы.


        • Спасибо
        • Нравится
      • 259 ответов
    • Аккумуляторные пилы  SCW и  SCM  22-A
      После того как провёл тесты, приступил к самому главному. Поменять диски местами, и проверить, как инструмент на это отреагирует, ведь они внешнее и походу внутренне практически одинаковые, пила по дереву конечно более навороченее, есть настройки угла наклона и можно на шину посадить через адаптер.

      • 4 ответа
×
×
  • Создать...

Важная информация

Мы разместили cookie-файлы на ваше устройство, чтобы помочь сделать этот сайт лучше. Вы можете изменить свои настройки cookie-файлов, или продолжить без изменения настроек.