Перейти к содержанию
Форумы о ремонте и строительстве

Разводка света на кухне

Оценить эту тему:


Dimka

Рекомендуемые сообщения

Опубликовано

Здраствуйте. Такая проблема. Дом новострой, разводку решил делать сам, так как с электрикой познакомился работая в магазине по продаже электро-оборудывания и проводки. Вобщем на кухне идет тройной провод ВВГ сечением 1,5. Одна фаза, два ноля. Один ноль с фазой вывел на центральную люстру, а второй с той же фазой на точечное освещение (5 точек на 220В на 60ватт).Получается что на одном двойном выключателе отдельно должна включатся люстра, отдельно точки. Точки пока не подключал, т.е. конец висит свободный. Попытался подключить лампочку на 60ватт к тому выводу который на люстру, лампа не загорается. Фаза есть, но напряжение 45вольт. В чем может быть причина? Нужно ли замыкать вторую пару (фаза+0)? Заранее спасибо.

post-14190-1212042145_thumb.jpg

Здраствуйте. Такая проблема. Дом новострой, разводку решил делать сам, так как с электрикой познакомился работая в магазине по продаже электро-оборудывания и проводки. Вобщем на кухне идет тройной провод ВВГ сечением 1,5. Одна фаза, два ноля. Один ноль с фазой вывел на центральную люстру, а второй с той же фазой на точечное освещение (5 точек на 220В на 60ватт).Получается что на одном двойном выключателе отдельно должна включатся люстра, отдельно точки. Точки пока не подключал, т.е. конец висит свободный. Попытался подключить лампочку на 60ватт к тому выводу который на люстру, лампа не загорается. Фаза есть, но напряжение 45вольт. В чем может быть причина? Нужно ли замыкать вторую пару (фаза+0)? Заранее спасибо.

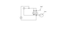
А где на схеме источник тока? :)))))Наверное не "одна фаза, два нуля", а "фаза, нуль и защитный". Как этот кабель подключен в щите? Провод какого цвета куда подключен?
(изменено)

Почему фаза ноль и защитный? Это же освещение.Самое интересное что фаза по всей квартире красный провод, а в кухне и в зале желтый.Схему подправил. Насколько знаний хватает в построении схем.

post-14190-1212048808_thumb.jpg

Изменено пользователем Dimka

Дом новострой, разводку решил делать сам, так как с электрикой познакомился работая в магазине по продаже электро-оборудывания и проводки.

решение то верное, только основы нету, забудте всё что слышали в магазине - поднимите физику, в сети покопайтесь, тут спросите что не поймёте. :)

Вобщем на кухне идет тройной провод ВВГ сечением 1,5. Одна фаза, два ноля.

от куда идёт и куда идёт?

Фаза есть, но напряжение 45вольт. В чем может быть причина?

провод как вам уже написали имеет три жилы - цвета: желто зелёный - это земля, вам к застройщику надо обращаться, у вас она уже хреновая (пусть проверяют сопротивление у вас оно намного больше нормы)синий (бело синий) - это ноль черный (белый) - фазацвета приблизительные зависят от производителя кабеляне видел ответа вопрос такой - вы напряжение измеряете как , с нагрузкой или без???
(изменено)

решение то верное, только основы нету, забудте всё что слышали в магазине - поднимите физику, в сети покопайтесь, тут спросите что не поймёте. :) от куда идёт и куда идёт?провод как вам уже написали имеет три жилы - цвета: желто зелёный - это земля, вам к застройщику надо обращаться, у вас она уже хреновая (пусть проверяют сопротивление у вас оно намного больше нормы)синий (бело синий) - это ноль черный (белый) - фазацвета приблизительные зависят от производителя кабеля

У меня провода которые идут на освещение имеют три жилы. Желтая, красная и синяя. Фаза на желтом.Я просто думал что в проводах идущих на освещение нет заземления. Ну как бы двойной выключатель, обычно реализовывается одной фазой и двумя нулями. Или я не прав? Напряжение меряю без нагрузки. С нагрузкой вообще 0 показывает. Изменено пользователем Dimka

давайте сначало :) новострой - разводки нет совсем или она есть, а вы переделываете???у вас получается, что фаза висит через что то, а в другом месте нигде ничего не загорается?вы поподробнее про то что есть, а чего нет и желательно с фоткамидавайте сначало :) новострой - разводки нет совсем или она есть, а вы переделываете???у вас получается, что фаза висит через что то, а в другом месте нигде ничего не загорается?вы поподробнее про то что есть, а чего нет и желательно с фотками

давайте сначало :) новострой - разводки нет совсем или она есть, а вы переделываете???у вас получается, что фаза висит через что то, а в другом месте нигде ничего не загорается?вы поподробнее про то что есть, а чего нет и желательно с фоткамидавайте сначало :) новострой - разводки нет совсем или она есть, а вы переделываете???у вас получается, что фаза висит через что то, а в другом месте нигде ничего не загорается?вы поподробнее про то что есть, а чего нет и желательно с фотками

Значит так однокомнатная квартира в новострое. Разводка есть, я её переделывал немного. Мне на кухне нужна люстра на одну лампочку, и пять точек. Фаза раздвоена, один конец идет на люстру, а второй на пять точечных светильников. Назад к выключателю идут два конца, один с точек, второй с люстры. Точки пока не подключены. Я пытаюсь подключить лампочку к тому месту где будет люстра и она не загорается. Там где точки будут та же ситуация. Замеряю без нагрузки напряжение и там и там 45 Вольт. Фотки сделать не могу так как на работе сейчас. Да и потолок уже закрыли гипсой и зашпаклевали. Обидно если вскрывать прийдется :( . Я просто померял сразу что фаза есть и прокинул все.

Бредовая схема какая-то. Если верить ей, то при замыкании выключателей у тебя происходит соединение фазы с нулем, то есть при включении должен быть фейерверк. Если так не происходит - значит либо ты неправильно схему срисовал, либо что-то подключено не так как на твоем рисунке. ЗЫ: а электрике лучше учиться не в магазине, а по специальной литературе, электричество - оно не любит пренебрежительного к себе отношения...

Бредовая схема какая-то. Если верить ей, то при замыкании выключателей у тебя происходит соединение фазы с нулем, то есть при включении должен быть фейерверк. Если так не происходит - значит либо ты неправильно схему срисовал, либо что-то подключено не так как на твоем рисунке. ЗЫ: а электрике лучше учиться не в магазине, а по специальной литературе, электричество - оно не любит пренебрежительного к себе отношения...

Я и не отношусь пренебрежительно. Феерверка нет. Да и как минимум думаю автомат вырубало бы.Схемы я не очень рисовать умею. Вот опять попытался поправить.

post-14190-1212053487_thumb.jpg

Разводка есть, я её переделывал немного.

в чем заключается переделка? в том что вы от провода лючтры кинули ещё один?

Я пытаюсь подключить лампочку к тому месту где будет люстра и она не загорается. Там где точки будут та же ситуация.

а раньше когда принимали квартиру - загоралась?вам надо в распред коробке (наверное над выключателем) проверить наличие фазы и ноля

Вобщем разобрался. Оказалось что в щитке с автоматами, контакт плохо был затянут на ноль, подтянул все заработало. :D А в зале у меня такая же проблема была. Но там хуже оказалось. Один из нолей когда гипсу к потолку прикручивали перебили шурупом. Но второй канал работает. Всем спасибо за советы. Я узнал много нового. :)

Для публикации сообщений создайте учётную запись или авторизуйтесь

Вы должны быть зарегистрированным пользователем, чтобы оставить комментарий

Создать учетную запись

Зарегистрируйтесь в нашем сообществе.

Зарегистрироваться

Войти

Уже есть аккаунт? Войти в систему.

Войти

Или войти с помощью одного из сервисов



  • Наши рекомендации

    • Газовые котлы: эффективное, экономичное и экологичное решение для отопления вашего дома
      В современном мире, где комфорт и устойчивость стали ключевыми аспектами повседневной жизни, выбор правильного источника отопления дома становится особенно актуальным. Газовые котлы, сочетая в себе преимущества эффективности, экономичности и экологичности, представляют собой одно из наиболее популярных решений для обеспечения комфортной температуры в жилых и коммерческих помещениях.

      • 0 ответов
    • Как построить теплый дом, не тратя лишних денег
      Строительство гостевого дома решил выделить в отдельную тему, так будет меньше путаницы.


        • Спасибо
        • Нравится
      • 239 ответов
    • Дома из сруба: идеальное сочетание уюта и прочности.
      Строительство собственного дома является важной вехой в жизни любого человека, поскольку оно знаменует собой важное событие. Выбор строительных материалов имеет огромное значение для создания теплого и функционального жилища. На протяжении всей древней истории древесина была распространенным материалом для строительства домов, что отразилось на различных культурах мира.

      • 0 ответов
    • Кажись всё или строительный пылесос с тройной мультициклонной ступенью очистки
      Кажись всё или строительный пылесос с тройной мультициклонной ступенью очистки

        • Нравится
      • 16 ответов
    • Подходы к ремонту старых домов в России
      В России сотни тысяч старых домов, многие из которых являются не только свидетельством исторического наследия, но и отражением уникальной культуры и традиций страны. Эти дома, будь то деревянные избы или старинные каменные постройки, сохраняют в себе дух времени и рассказывают историю поколений.

      • 0 ответов
    • Аккумуляторные пилы  SCW и  SCM  22-A
      После того как провёл тесты, приступил к самому главному. Поменять диски местами, и проверить, как инструмент на это отреагирует, ведь они внешнее и походу внутренне практически одинаковые, пила по дереву конечно более навороченее, есть настройки угла наклона и можно на шину посадить через адаптер.

      • 4 ответа
    • Вторая жизнь дивана: искусство ремонта мягкой мебели своими руками
      В эпоху беспрерывного потребления и стремления к новизне, ремонт старой мягкой мебели своими руками приобретает не просто практическое, но и глубоко философское значение. Это действие как знак уважения к труду мастеров, которые вложили свое мастерство в создание диванов, кресел и пуфов, и как воплощение идеи устойчивого потребления. С каждым возвращенным к жизни предметом мебели, мы не только сохраняем историю и уникальность каждого изделия, но и противостоим бездумному обновлению интерьера за счет экологии и рационального использования ресурсов.

        • Нравится
      • 0 ответов
    • Люк для кошек своими руками
      Разумеется давно придуманы и продаются специальные лючки для кошек, которые можно врезать в дверь, но мы ведь не ищем легких путей . Да и по зоомагазинам я не хожу, а "гугление" показало, что такие люки для кошек стоят относительно не дешево. В то же время под рукой были два "копеечных" сантехнических пластиковых лючка для ГКЛ. Все что оставалось, так это обломать фиксаторы крышек, что бы они открывались в обе стороны, ровно выпилить отверстие в двери, да вклеить симметрично эти лючки.

      То, что получилось видно на фото. Разумеется это не для тех, у кого "дизайнерский ремонт", но для обыкновенной квартиры вполне подходит. Недостатков не замечено, животных и людей всё устраивает .


      Реакцию форумчан на этот люк можно узнать в этой теме https://homemasters.ru/...me/?p=330637

        • Ого
      • 6 ответов
×
×
  • Создать...

Важная информация

Мы разместили cookie-файлы на ваше устройство, чтобы помочь сделать этот сайт лучше. Вы можете изменить свои настройки cookie-файлов, или продолжить без изменения настроек.