Перейти к содержанию
Форумы о ремонте и строительстве

Помогите разобраться с током утечки

Оценить эту тему:


Рекомендуемые сообщения

Опубликовано (изменено)

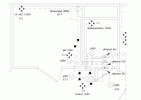
Хочу поменять проводку в ванной и туалете и поставить УЗО на 10мА. Подсчитав ток утечки: 0,4А на 1А нагрузки и 10мкА на 1м фазного провода получил ток учечки на линию 17мА + 0,2мА на 20м фазного провода. В СНиПе указано, что ток утечки должен быть не более 1/3 тока утечки УЗО. Из выше сказанного выходит, что не подходит УЗО ни на 10мА ни на 30 мА. Помогите, может я что-то делаю не так...И еще помогите по схеме: правильно ли я распределил нагрузку по линиям?post-14527-1215112390_thumb.gif

Изменено пользователем rosst

ну вы же пытаетесь ток утечки посчитать п очень грубым критериям, проводка будет новая? напишите на всех потребителях мощность (а то у вас где и то и то, где то ток) что за супер вентилятор на 200Вт вы что то продувать собираетесь :) и на 40 за уши хватит, да и когда мощность в ток переводите просто делите её на 220

Проводка будет новая - ВВГ 3х2,5 на розетки, ВВГ 2х1,5 на свет и вентилятор. Вентилятор для ванной комнаты Домовент на 180 Вт(это, скорее всего, мощность электродвигателя в вентиляторе - написано на этикетке). На схеме указана и мощность потребителей и потребляемый ими ток(мощность переводил в ток для себя для подсчета тока утечки). Так же указан суммарный ток по линиям и планируемые автоматы. УЗО планирую поставить на эти три линии.1. По каким критериям тогда считать ток утечки? Не хотелось бы, что бы УЗО постоянно срабатывало или вообще не включалось. Да и стоит оно немало. Как не ошибиться в выборе УЗО?2. Если я проложу в стене гофру и замурую ее, то протяну ли я через нее кабель? Если да, то какой диаметр взять под ВВГ 3х2,5 и ВВГ 2х1,5?3. И еще вопрос: я не нашел внутренних розеток и выключателей со степенью защиты IP44. Можно ли ставить в ванную обычные, посадив их на силикон или герметик?

post-14527-1215213635_thumb.gif

1. по нормам узо с током утечки в 30мА должно срабатывать до этого значения.на работе у нас проверяли щиты.все 15 узо вырубались на 23мА.это соответствует нормам.фирма АВВ.(для информации)2.кабель через гофру не протянешь,только одиночные провода.кабель больно жесткий.для протяжки кабеля лучше использовать спец. пластиковые трубы.3.розетки обычные не подходят.у защещенных есть кроме внутренней,наружная защита ввиде крышки.ее из силикона не сделать.

Если я подключу к УЗО все три линии, как на схеме, то какое УЗО лучше взять на 10мА или на 30мА?

для протяжки кабеля лучше использовать спец. пластиковые трубы

Что за пластиковые трубы? У нас продаються только гофры с протянутой внутри проволокой.

розетки обычные не подходят.у защещенных есть кроме внутренней,наружная защита ввиде крышки

Я имел в виду розетки с крышкой, только они не IP44. Думал сделать так: по контуру рамки и выключателя нанести силикон и потом закрепить в коробке. Возможен ли такой вариант?

уже не раз писалось на форуме про то, что на розетки автомат нужен на 16А, либо розетку ищите на ток в 25 Атолько совет дам - не мойтесь в тот момент когда машина работает, и не будет у вас моментов когда надо пользоваться и феном и СМ у вас токи 3х автоматов 16+25+16 - 57А ближайший номинал 63А как только найдёте узо с таким током на 10мА ставьте и мне про место где такие делают напишите :D через 16 гофру можно тянуть с условием что углов меньше 100 градусов нет

(изменено)

Про розетки я знаю. Я их ставлю под конкретную нагрузку. Или лучше тогда объединить линии на 7А и 10А и поставить 2 автомата на 16А? Какое тогда брать УЗО на 10мА или на 30мА и на какой ток (как я понял УЗО берется по суммарному току по всем линиям в зоне действия УЗО, так ли это?)? Может лучше распределить потребителей как-нибудь по другому? Подскажите, пожалуйста! Как можно протянуть через гофру с углом не менее 100 градусов, если тянуть надо под 90 градусов? Может лучше взять другой кабель или замуровать в штробу?Машинкой я пользовался до этого через удлинитель с розетки за пределами ванны, поэтому сейчас хочу сделать так, чтобы можно было мыться при работающей машинке - для этого и хочу поставить УЗО.

Изменено пользователем rosst

сначало по электрике - я бы поставил узо на 10мА на ванну и пустил бы на самотёк - вероятность включения на полную мощность СМ и фена минимальная, на оставшееся второе узотеперь по разумным поступкам - люди не гонитесь вы за электрификацией ванны :) да вроде почему бы и нет, есть узо которое должно защитить от ПОРАЖЕНИЯ электро током, но статистика - говорит о другом, узо защищает от поражения но травму (и это в лучшем случае) вы получаете когда после удара током (а он по любому происходит) подскальзываетесь или падаете - чем и обочто вы ударитесь зависит от того что в санузле находится

Раз уж тут разговор зашел о розетках для ванны...Из каких соображений выбрать розетки для ванны (нужно 2е); интересует наибольшая безопасность.И проводку как лучше пускать: скыто (в штукатурке), или открыто (в том смысле, что не в стене) в кабель-канале?

люди не гонитесь вы за электрификацией ванны

Мы то не гонимся, просто необходимость заставляет: СМ кроме ванны поставить негде; фен - тоже необходимая вещь; вентилятор - для вытягивания влажного воздуха и пара.

И подскажите еще по проводке: если ВВГ по гофре в штробе не протянуть, то может взять другой какой-то кабель более гибкий? Или взять ВВГ-П и просто замуровать в стену? Хотелось сделать все по-нормальному, чтобы в случае чего можно было заменить кабель. Или с замурованным кабелем, в принципе, ничего произойти не может?

на оставшееся второе узо

Второе на 30мА. Я прав? (хотелось обойтись одним - видать не выйдет :huh: )

я в таких случаях кабель в гофру еще на земле затягиваю.потом весь комплект в штробу.на счет перетянуть:все тут мужики-где узко надо смазывать.электрики обычно пользуют мыло для мытья посуды.кабель залетает со свистом(или почти).хотя случаются сложные случаи.я у себя дома пользую только одиночные провода.

электрики обычно пользуют мыло для мытья посуды

Вы имеете в виду жидкое мыло (средство для мытья посуды)? Это же влага - всеравно что вода :blink:

я у себя дома пользую только одиночные провода

Марку провода не подскажите вместо ВВГ 3х2,5 и 2х1,5?

мыло в ведерках,похоже на солидол по консестенции.провода как в ВВГ,только без зеленой изоляции сверху.

мыло в ведерках,похоже на солидол по консестенции

такого не встречал :huh: , а как же электробезопасность?

провода как в ВВГ,только без зеленой изоляции сверху

у нас продают ВВГ в черной ихоляции, и как эти пробода по пожаробезопасности?
  • 2 месяца спустя...

такого не встречал :huh: , а как же электробезопасность?

Ну ты что, собираешься его под напряжением тянуть что ли ????Насадил мыльцо, протянул кабель, протёл тряпочкой и все дела ! B)

Для публикации сообщений создайте учётную запись или авторизуйтесь

Вы должны быть зарегистрированным пользователем, чтобы оставить комментарий

Создать учетную запись

Зарегистрируйтесь в нашем сообществе.

Зарегистрироваться

Войти

Уже есть аккаунт? Войти в систему.

Войти

Или войти с помощью одного из сервисов



  • Наши рекомендации

    • Подходы к ремонту старых домов в России
      В России сотни тысяч старых домов, многие из которых являются не только свидетельством исторического наследия, но и отражением уникальной культуры и традиций страны. Эти дома, будь то деревянные избы или старинные каменные постройки, сохраняют в себе дух времени и рассказывают историю поколений.

      • 0 ответов
    • Газовые котлы: эффективное, экономичное и экологичное решение для отопления вашего дома
      В современном мире, где комфорт и устойчивость стали ключевыми аспектами повседневной жизни, выбор правильного источника отопления дома становится особенно актуальным. Газовые котлы, сочетая в себе преимущества эффективности, экономичности и экологичности, представляют собой одно из наиболее популярных решений для обеспечения комфортной температуры в жилых и коммерческих помещениях.

      • 0 ответов
    • Дома из сруба: идеальное сочетание уюта и прочности.
      Строительство собственного дома является важной вехой в жизни любого человека, поскольку оно знаменует собой важное событие. Выбор строительных материалов имеет огромное значение для создания теплого и функционального жилища. На протяжении всей древней истории древесина была распространенным материалом для строительства домов, что отразилось на различных культурах мира.

      • 0 ответов
    • Люк для кошек своими руками
      Разумеется давно придуманы и продаются специальные лючки для кошек, которые можно врезать в дверь, но мы ведь не ищем легких путей . Да и по зоомагазинам я не хожу, а "гугление" показало, что такие люки для кошек стоят относительно не дешево. В то же время под рукой были два "копеечных" сантехнических пластиковых лючка для ГКЛ. Все что оставалось, так это обломать фиксаторы крышек, что бы они открывались в обе стороны, ровно выпилить отверстие в двери, да вклеить симметрично эти лючки.

      То, что получилось видно на фото. Разумеется это не для тех, у кого "дизайнерский ремонт", но для обыкновенной квартиры вполне подходит. Недостатков не замечено, животных и людей всё устраивает .


      Реакцию форумчан на этот люк можно узнать в этой теме https://homemasters.ru/...me/?p=330637

        • Ого
      • 6 ответов
    • Кажись всё или строительный пылесос с тройной мультициклонной ступенью очистки
      Кажись всё или строительный пылесос с тройной мультициклонной ступенью очистки

        • Нравится
      • 16 ответов
    • Вторая жизнь дивана: искусство ремонта мягкой мебели своими руками
      В эпоху беспрерывного потребления и стремления к новизне, ремонт старой мягкой мебели своими руками приобретает не просто практическое, но и глубоко философское значение. Это действие как знак уважения к труду мастеров, которые вложили свое мастерство в создание диванов, кресел и пуфов, и как воплощение идеи устойчивого потребления. С каждым возвращенным к жизни предметом мебели, мы не только сохраняем историю и уникальность каждого изделия, но и противостоим бездумному обновлению интерьера за счет экологии и рационального использования ресурсов.

        • Нравится
      • 0 ответов
    • Как построить теплый дом, не тратя лишних денег
      Строительство гостевого дома решил выделить в отдельную тему, так будет меньше путаницы.


        • Спасибо
        • Нравится
      • 259 ответов
    • Аккумуляторные пилы  SCW и  SCM  22-A
      После того как провёл тесты, приступил к самому главному. Поменять диски местами, и проверить, как инструмент на это отреагирует, ведь они внешнее и походу внутренне практически одинаковые, пила по дереву конечно более навороченее, есть настройки угла наклона и можно на шину посадить через адаптер.

      • 4 ответа
×
×
  • Создать...

Важная информация

Мы разместили cookie-файлы на ваше устройство, чтобы помочь сделать этот сайт лучше. Вы можете изменить свои настройки cookie-файлов, или продолжить без изменения настроек.