Перейти к содержанию
Форумы о ремонте и строительстве

Ноль от разных автоматов можно объединять?

Оценить эту тему:


Dkflbckfd

Рекомендуемые сообщения

Опубликовано

Добрый день.Ситуация такаяДелаю ремонт в комнате, хочу подключить дюралайтов в ниши и по периметру потолка. В квартире насколько понял 2 линии - одна на розетки от автомата 25А, вторая на освещение от автомата 16АРаспределительная коробка заделана в процессе ремонта.Линия на розетки легко доступна, можно к ней подключиться. Но она и так сильно нагружена - вся кухонная техника, стиралка, кондиционер, телевизоры и пр.Хотелось бы подключиться к линии лампочной. Она проходит через перекрытия и выходит в комнате только в 2-х местах - на выключатель и под люстру в середине потолка.На выключатель выходит фаза, под люстру земля, ноль и 2 фазы после выключателя. Тянуть провода по потолку нежелательно.Поэтому и возникла мысль - если взять лампочную фазу из выключателя, а ноль из розеточной линии? Чем это чревато и почему плохо?

У вас автоматы однополюсные или двух?

КхмПодозреваю что однополююсные. Точно сказать пока не могу.По внешнему виду или маркировке можно определить?

линейку возмите и померьте :) если 17,5мм то одно, если больше 35мм двух и т.д.без узо можно делать, но потом можно совсем запутаться когда по одному проводу отовсюду приходят

линейку возмите и померьте :) если 17,5мм то одно, если больше 35мм двух и т.д.без узо можно делать, но потом можно совсем запутаться когда по одному проводу отовсюду приходят

Ну тогда однополюсные.Т.е. эти автоматы работают только на разрыв фазы, а ноль общий для всех линий?

Ну тогда однополюсные.Т.е. эти автоматы работают только на разрыв фазы, а ноль общий для всех линий?

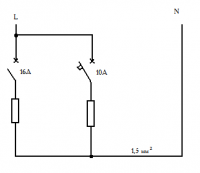
Тут надо учесть одну деталь. Нужно, чтобы на нулевом проводе не возникло перегрузки по току. То есть чтобы суммарный ток через ноль с обоих линий не превысил номинала.Если это выполняется и нет УЗО, к которому отдельно подключена нулевая линия, то страшного ничего нет. Хотя логика разводки теряется - при поиске неисправностей нужно это учитывать.Вот плохой пример:post-7480-1240988892_thumb.png

Для публикации сообщений создайте учётную запись или авторизуйтесь

Вы должны быть зарегистрированным пользователем, чтобы оставить комментарий

Создать учетную запись

Зарегистрируйтесь в нашем сообществе.

Зарегистрироваться

Войти

Уже есть аккаунт? Войти в систему.

Войти

Или войти с помощью одного из сервисов



  • Наши рекомендации

    • Подходы к ремонту старых домов в России
      В России сотни тысяч старых домов, многие из которых являются не только свидетельством исторического наследия, но и отражением уникальной культуры и традиций страны. Эти дома, будь то деревянные избы или старинные каменные постройки, сохраняют в себе дух времени и рассказывают историю поколений.

      • 0 ответов
    • Дома из сруба: идеальное сочетание уюта и прочности.
      Строительство собственного дома является важной вехой в жизни любого человека, поскольку оно знаменует собой важное событие. Выбор строительных материалов имеет огромное значение для создания теплого и функционального жилища. На протяжении всей древней истории древесина была распространенным материалом для строительства домов, что отразилось на различных культурах мира.

      • 0 ответов
    • Кажись всё или строительный пылесос с тройной мультициклонной ступенью очистки
      Кажись всё или строительный пылесос с тройной мультициклонной ступенью очистки

        • Нравится
      • 16 ответов
    • Газовые котлы: эффективное, экономичное и экологичное решение для отопления вашего дома
      В современном мире, где комфорт и устойчивость стали ключевыми аспектами повседневной жизни, выбор правильного источника отопления дома становится особенно актуальным. Газовые котлы, сочетая в себе преимущества эффективности, экономичности и экологичности, представляют собой одно из наиболее популярных решений для обеспечения комфортной температуры в жилых и коммерческих помещениях.

      • 0 ответов
    • Как построить теплый дом, не тратя лишних денег
      Строительство гостевого дома решил выделить в отдельную тему, так будет меньше путаницы.


        • Спасибо
        • Нравится
      • 239 ответов
    • Аккумуляторные пилы  SCW и  SCM  22-A
      После того как провёл тесты, приступил к самому главному. Поменять диски местами, и проверить, как инструмент на это отреагирует, ведь они внешнее и походу внутренне практически одинаковые, пила по дереву конечно более навороченее, есть настройки угла наклона и можно на шину посадить через адаптер.

      • 4 ответа
    • Люк для кошек своими руками
      Разумеется давно придуманы и продаются специальные лючки для кошек, которые можно врезать в дверь, но мы ведь не ищем легких путей . Да и по зоомагазинам я не хожу, а "гугление" показало, что такие люки для кошек стоят относительно не дешево. В то же время под рукой были два "копеечных" сантехнических пластиковых лючка для ГКЛ. Все что оставалось, так это обломать фиксаторы крышек, что бы они открывались в обе стороны, ровно выпилить отверстие в двери, да вклеить симметрично эти лючки.

      То, что получилось видно на фото. Разумеется это не для тех, у кого "дизайнерский ремонт", но для обыкновенной квартиры вполне подходит. Недостатков не замечено, животных и людей всё устраивает .


      Реакцию форумчан на этот люк можно узнать в этой теме https://homemasters.ru/...me/?p=330637

        • Ого
      • 6 ответов
    • Вторая жизнь дивана: искусство ремонта мягкой мебели своими руками
      В эпоху беспрерывного потребления и стремления к новизне, ремонт старой мягкой мебели своими руками приобретает не просто практическое, но и глубоко философское значение. Это действие как знак уважения к труду мастеров, которые вложили свое мастерство в создание диванов, кресел и пуфов, и как воплощение идеи устойчивого потребления. С каждым возвращенным к жизни предметом мебели, мы не только сохраняем историю и уникальность каждого изделия, но и противостоим бездумному обновлению интерьера за счет экологии и рационального использования ресурсов.

        • Нравится
      • 0 ответов
×
×
  • Создать...

Важная информация

Мы разместили cookie-файлы на ваше устройство, чтобы помочь сделать этот сайт лучше. Вы можете изменить свои настройки cookie-файлов, или продолжить без изменения настроек.