Перейти к содержанию
Форумы о ремонте и строительстве

как подключить ко второму узо

Оценить эту тему:


Рекомендуемые сообщения

Опубликовано

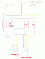
Доброго времени суток, уважаемые матера!Запланировали на квартиру 2 узо:одно на всю квартиру, второе на стиралку с посудомойкой.Вопрос:на рисунке к двум крайним правым автоматам будет подключена к одному стиралка к другому посудомойка,как их связать с узо (второе с лево на право).Подключение кабелем 3*2,5.

post-60295-1335031890_thumb.jpg

как их связать с узо

Бросить провод до первого автомата, а дальше ко второму перемычкой, как у Вас уже другие автоматы соединены. Нейтральные жилы от кабелей завести сразу на узо.П.С. А что у Вас за узо, первое и второе? И вообще схемку не плохо было бы посмотреть.

Не пойдет.Зачем 2 УЗО подключать последовательно? И почему нельзя подключить на одно?

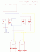
так пойдет?

Не пойдёт. Надо так - post-15106-1335105431_thumb.gifПро номиналы узо так и не ответили.

ABB 2п 25А 30мА DS941 EB0437 на стиралку и посудомойкуABB FH202AC 2P 40А/30mA - 2М (тип АС) на ввод в квартиру

Гугл мне подсказывает что - ABB 2п 25А 30мА DS941 EB0437 не узо, а дифавтомат. Тут он, да ещё и на 25А, явно не нужен.Это - ABB FH202AC 2P 40А/30mA и правда узо, но так как оно на 30мА, то после него ставить ещё одно, будь-то узо, будь-то диф, на 30мА смысла не имеет. Может Вы всю схему покажите? Что у Вас на вводе? Что ещё за автоматы? Смелее ;) А то так мы долго будем к финалу подходить :)

вот так это может выглядить. хочу добавить, был в начале электрик, мы ему пожелания сказали, он сказал что купить, а когда собрал в щитке, то не подписал что куда подключать.так что это мы сами все разбросали. диф автомат нам нужен чтобы в случае чего с посудомойкой или стиралкой отключились только они а в квартире свет был.

post-60295-1335119890_thumb.gif

КМК, на розетки по 20 А автоматы, и на освещение 16 А - перебор (было бы достаточно 16 и 10 А). А стиралку и посудомойку стоило бы подключить через УЗО 25.

думаю уже нельзя, тк это было более 6 месяцев назад.а что требуется?моя схема имеет право на существование?

Bagis про дифы и узо уже сказал и

Manul тоже сказал про автоматы, перебор. 16А на розетки, потому как они как раз на 16А и рассчитаны, но никак не на 20А, как в схеме, блин короче розетка не выдерживает нагрузки Подключён потребитель крайне ощный или к суммарная мощность потребителей 3,5- 3,6кВт), автомат должен выключится , а фиг там он на 20А (4,4кВт) и всё не радужно (всё в тёмных тонах), Тоже самое с освещением , туда как раз надо 10А, а у вас 16А что тоже перебор (хотя если на свет кабель 2,5мм2 то ничего , но опять таки светильники на какой ток рассчитаны ... вопрос... Риски тут никчему.

моя схема имеет право на существование?

Имеет, но надо чуток переделать. И раз не получается диф обменять, то тогда, хотя бы, автоматы купите другие. Они стОят не так дорого. Вот, я чуть Вашу схемку переделал -

post-15106-1335123475_thumb.jpg

П.С. Пока писал-рисовал, shatl уже так красиво написал про кабеля и розетки, что я у себя в сообщении решил про это потереть :)

Мастера, спасибо за объективную и оперативную помощь!завтра займусь переделкой.

Для публикации сообщений создайте учётную запись или авторизуйтесь

Вы должны быть зарегистрированным пользователем, чтобы оставить комментарий

Создать учетную запись

Зарегистрируйтесь в нашем сообществе.

Зарегистрироваться

Войти

Уже есть аккаунт? Войти в систему.

Войти

Или войти с помощью одного из сервисов



  • Наши рекомендации

    • Подходы к ремонту старых домов в России
      В России сотни тысяч старых домов, многие из которых являются не только свидетельством исторического наследия, но и отражением уникальной культуры и традиций страны. Эти дома, будь то деревянные избы или старинные каменные постройки, сохраняют в себе дух времени и рассказывают историю поколений.

      • 0 ответов
    • Как построить теплый дом, не тратя лишних денег
      Строительство гостевого дома решил выделить в отдельную тему, так будет меньше путаницы.


        • Спасибо
        • Нравится
      • 239 ответов
    • Кажись всё или строительный пылесос с тройной мультициклонной ступенью очистки
      Кажись всё или строительный пылесос с тройной мультициклонной ступенью очистки

        • Нравится
      • 16 ответов
    • Газовые котлы: эффективное, экономичное и экологичное решение для отопления вашего дома
      В современном мире, где комфорт и устойчивость стали ключевыми аспектами повседневной жизни, выбор правильного источника отопления дома становится особенно актуальным. Газовые котлы, сочетая в себе преимущества эффективности, экономичности и экологичности, представляют собой одно из наиболее популярных решений для обеспечения комфортной температуры в жилых и коммерческих помещениях.

      • 0 ответов
    • Дома из сруба: идеальное сочетание уюта и прочности.
      Строительство собственного дома является важной вехой в жизни любого человека, поскольку оно знаменует собой важное событие. Выбор строительных материалов имеет огромное значение для создания теплого и функционального жилища. На протяжении всей древней истории древесина была распространенным материалом для строительства домов, что отразилось на различных культурах мира.

      • 0 ответов
    • Люк для кошек своими руками
      Разумеется давно придуманы и продаются специальные лючки для кошек, которые можно врезать в дверь, но мы ведь не ищем легких путей . Да и по зоомагазинам я не хожу, а "гугление" показало, что такие люки для кошек стоят относительно не дешево. В то же время под рукой были два "копеечных" сантехнических пластиковых лючка для ГКЛ. Все что оставалось, так это обломать фиксаторы крышек, что бы они открывались в обе стороны, ровно выпилить отверстие в двери, да вклеить симметрично эти лючки.

      То, что получилось видно на фото. Разумеется это не для тех, у кого "дизайнерский ремонт", но для обыкновенной квартиры вполне подходит. Недостатков не замечено, животных и людей всё устраивает .


      Реакцию форумчан на этот люк можно узнать в этой теме https://homemasters.ru/...me/?p=330637

        • Ого
      • 6 ответов
    • Вторая жизнь дивана: искусство ремонта мягкой мебели своими руками
      В эпоху беспрерывного потребления и стремления к новизне, ремонт старой мягкой мебели своими руками приобретает не просто практическое, но и глубоко философское значение. Это действие как знак уважения к труду мастеров, которые вложили свое мастерство в создание диванов, кресел и пуфов, и как воплощение идеи устойчивого потребления. С каждым возвращенным к жизни предметом мебели, мы не только сохраняем историю и уникальность каждого изделия, но и противостоим бездумному обновлению интерьера за счет экологии и рационального использования ресурсов.

        • Нравится
      • 0 ответов
    • Аккумуляторные пилы  SCW и  SCM  22-A
      После того как провёл тесты, приступил к самому главному. Поменять диски местами, и проверить, как инструмент на это отреагирует, ведь они внешнее и походу внутренне практически одинаковые, пила по дереву конечно более навороченее, есть настройки угла наклона и можно на шину посадить через адаптер.

      • 4 ответа
×
×
  • Создать...

Важная информация

Мы разместили cookie-файлы на ваше устройство, чтобы помочь сделать этот сайт лучше. Вы можете изменить свои настройки cookie-файлов, или продолжить без изменения настроек.