Перейти к содержанию
Форумы о ремонте и строительстве

Подключение галогенок, схема

Оценить эту тему:


Mks

Рекомендуемые сообщения

Опубликовано

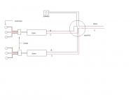
Сделал конструкцию с гипсокартона (потолок переходящий в колонну) и стал вопрос о правильном поключении галогенок. Галогенки по 35 х 6 шт, транс 150 (по 3 лампы на транс), кабель 1,5 кв.Набросал схему и прошу оценить, а может даже исправить.Спасибо.

post-8019-1192621798_thumb.jpg

схема правильная с одним НО - ваши трансформаторы должны быть не электронными, а намотанные на сердечнике (большие и тяжёлые :) ) тогда всё у вас будет работатьпровода 1,5 мм2 в данном случае хватаета вот клемы возьмите типа ваго на 4 отвертия (1 пришол - 3 вышло)

у меня все трансы электронные, через диммеры, никаких проблем нет, ничего не сгорает.

и откуда это вообще повелось что нельзя эл.трас к димеру??? сами то пробовали?

dimp

Как показывает статистика - диммируемые галогенки летят в несколько раз быстрее...

хм... интересно объясните на основании чего они должны лететь быстрее?

схема правильная с одним НО - ваши трансформаторы должны быть не электронными, а намотанные на сердечнике (большие и тяжёлые :) ) тогда всё у вас будет работать

провода 1,5 мм2 в данном случае хватает

а вот клемы возьмите типа ваго на 4 отвертия (1 пришол - 3 вышло)

В чем тогда засада в трансах, почему не электронные? :huh:

dimp

С галогенками есть одна засада - при некотром значении пониженного напряжения, они перестают быть галогенками, и светят как обычная лампа накаливания.

Как показывает статистика - диммируемые галогенки летят в несколько раз быстрее...

Да и на хрен вообще с этими трансами связываться - купил обычные, на 220в лампы и всех делов...

От этого одни только плюсы, и главный из них - на эту линию можно подключить ЛЮБУЮ лампу, вплоть до смены типа.

Тогда возникает у меня вопрос по поводу диммеризации галогенок? Хорошо это или плохо? Стоит или нет? Дайте пожалуйста совет.

dimp

С галогенками есть одна засада - при некотром значении пониженного напряжения, они перестают быть галогенками, и светят как обычная лампа накаливания.

Как показывает статистика - диммируемые галогенки летят в несколько раз быстрее...

TO DMC

а откуда такие сведения? ты для меня делаешь открытия - пока не подтверждённые :D

постоянно последние 10 лет в приборах освещения (театральных, дискотечных) используются галогенные лампы, половина из них (что используем) димируеться так вот что галогенками перестают быть :) (ну да спектр желтеет) а по поводу - летят - бред, наоборот срок службы увеличен и намного

TO YOZ

и чего же у тебя там за трансформаторы? и какой диммер?

принцип электронного транса - изменяя частоту держать на выходе напряжения близкое к номиналу (большинство имеют диапозон входного напряжения : 160-240 В при этом 12 на выходе) и как ты его сдиммируешь???

да есть специальные трансы и диммеры у них свои (сам разрабатывал БП с регулировкой выходного напряжения) там и цена своя :)

TO Mks

вот в том то и засада что обычные элетронные трансы на обычных диммерах летят - и только :D

(изменено)

у меня все трансы электронные, через диммеры, никаких проблем нет, ничего не сгорает.и откуда это вообще повелось что нельзя эл.трас к димеру??? сами то пробовали?хм... интересно объясните на основании чего они должны лететь быстрее?

Скажите пожалуйста, а как долго они (диммированные галогенки) у Вас уже стоят (сколько времени прошло)?И если на галогенке пишут что она работает 100 000 часов (я думаю этот порядок меньше ;) ), то диммированная будет работать сколько (хотябы в среднем - 20, 50, 80 тыс. часов)? Изменено пользователем Mks

Ну вот опять двадцать пять...Бред - можно рассматривать с двух сторон:1. Ты в курсе проблемы и оппонент явно говорит не то.Из-за этой двоякости я не люблю когда употребляют это слово..., и сам, практически, никогда не употребляю, т.к. есть более конкретные выражения для обозначения той или иной позиции по обсуждаемому вопросу.Срок службы ламп увеличен при их работе в штатном режиме, но не на пониженном питании...

я не филолог :) а вот практики использованния галогенок с 1988г. начиная с наших КГ лампы накаливания летят по двум причинам чаще всего (галогеновые) в момент включения (ток очень большой) и от перегрева перегорает не нить накала а проводник до неё поэтому те кто постоянно работают с освещением на галогеновых лампах используют так называемый пред накал, напряжение (если тестером в районе 50В) спираль еле светиться (в этом случае первая причина перегорания отходит на задний план) а вот вторая - со временем патрон подгорает и ножки лампы греются в результате плохого контакта - вот так :)

И если на галогенке пишут что она работает 100 000 часов (я думаю этот порядок меньше ;) ), то диммированная будет работать сколько (хотябы в среднем - 20, 50, 80 тыс. часов)?

а это что за галогенки такие???специально открыл каталог osram и филипс так там по низковольтным лампам- максимальный срок службы 2000 часов, а в среднем 100 - 200 часов

Ну у меня, в основном, летит нить накала, но бывает и то, что ты описал(но это очень редкие случаи) т.е. нарушение герметизации колбы(вот только никак не врублюс из-за чего оно может происходить) и перегрев из-за плохого контакта в патроне(т.е. нить целая, а лампа не работает)...

да нить остаётся целой а перегорает контактный слой (в стекле ножка к нему приваривается он из фольги сделан) - это неисправность патрона - исправляется только заменой патрона когда народ покупает лампы (дешёвые срок службы по 50 часов и ниже) 3-4 лампы поменяли и начинается (силу не надо прикладывать когда лампу в патрон вставляешь, контакт отгибается и начинает подгорать)а по поводу подогрева - лампы там по 200 уёв и больше вот и ставят подогрев :)

TO YOZи чего же у тебя там за трансформаторы? и какой диммер?принцип электронного транса - изменяя частоту держать на выходе напряжения близкое к номиналу (большинство имеют диапозон входного напряжения : 160-240 В при этом 12 на выходе) и как ты его сдиммируешь???да есть специальные трансы и диммеры у них свои (сам разрабатывал БП с регулировкой выходного напряжения) там и цена своя :)

обычный самый транс за 60р на 50Вт. диммер самый простой за 300р.выходное напряжение меняется от 0В до 12В, видео с тестера показать?

обычный самый транс за 60р на 50Вт. диммер самый простой за 300р.выходное напряжение меняется от 0В до 12В, видео с тестера показать?

да нет фото будет достаточно (со снятой крышкой :) )

я не филолог :) а вот практики использованния галогенок с 1988г. начиная с наших КГ лампы накаливания летят по двум причинам чаще всего (галогеновые) в момент включения (ток очень большой) и от перегрева перегорает не нить накала а проводник до неё поэтому те кто постоянно работают с освещением на галогеновых лампах используют так называемый пред накал, напряжение (если тестером в районе 50В) спираль еле светиться (в этом случае первая причина перегорания отходит на задний план) а вот вторая - со временем патрон подгорает и ножки лампы греются в результате плохого контакта - вот так :)а это что за галогенки такие???специально открыл каталог osram и филипс так там по низковольтным лампам- максимальный срок службы 2000 часов, а в среднем 100 - 200 часов

В эпицентре галогенки Brille написано 100 000 часов (сам удивился)

В эпицентре галогенки Brille написано 100 000 часов (сам удивился)

шутка :D - притом глупая за 27 гривен 11,5 лет постоянного свечения - интересно а гарантию они тоже на эти часы дают??? :) если дают бери оптом :D и внукам хватит

Ну так а что - сложно привести названия моделей и фирмы?

диммер неизвестно, на нем не написано.
(изменено)

у меня все трансы электронные, через диммеры, никаких проблем нет, ничего не сгорает.и откуда это вообще повелось что нельзя эл.трас к димеру???

Так все-таки, сколько у Вас уже стоят диммерованые галогенки (меня интересует срок службы при диммеровании)? Изменено пользователем Mks

Так все-таки, сколько у Вас уже стоят диммерованые галогенки (меня интересует срок службы при диммеровании)?

наверно часов 150-200 уже свечения. горит почти всегда, т.к. например ночью удобно ходить не в темноте, а когда на минимуме подсвечивается, так в коридоре и кухне.

И еще......я слышал есть диммеры разные (для галогенок, люмов и т.д.), интересует как отличить их. На диммере указывается для каких ламп их используют?

но есть минус всетаки, лампы немного жужжат когда не на максимум диммер (не трансы а именно сами лампы), но впринципе не слишком и из другой комнаты конечно не слышно.

И еще......я слышал есть диммеры разные (для галогенок, люмов и т.д.), интересует как отличить их. На диммере указывается для каких ламп их используют?

я этим вопросом не заморачивался, купил что понравилось и сделал. потом уже узнал как раз на этом ресурсе что видители эл транс нельзя диммировать о_О.да пусть даже и сгорит транс, он стоит 60р, лампа ваще 10-20р. но вопрос в том когда он сдохнет? нет конечно как тут говорят можно купить трансы огромные, диммеры за 100 баксов, и потом утешать себя что не зря потратил такую кучу бабла о_О
(изменено)

Так все-таки, сколько у Вас уже стоят диммерованые галогенки (меня интересует срок службы при диммеровании)?

не наверно больше, у меня уже более 3 месяцев часов по 10 в день светят на разных режимах.вобщем точно более 200 часов!а блин считовод, вощем работает 3 с хвостиком месяца, это получается 100 дней примерно, всю ночь и вечер, получится часов по 12 в день. вот.офф: короче на баш можно это )) Изменено пользователем YOZ

я этим вопросом не заморачивался, купил что понравилось и сделал. потом уже узнал как раз на этом ресурсе что видители эл транс нельзя диммировать о_О.

да пусть даже и сгорит транс, он стоит 60р, лампа ваще 10-20р. но вопрос в том когда он сдохнет? нет конечно как тут говорят можно купить трансы огромные, диммеры за 100 баксов, и потом утешать себя что не зря потратил такую кучу бабла о_О

для крутых перцев :) ссылка на другой ресурс (что бы не быть голословным) 404

купил что понравилось - повезло :) почитай

когда человеку советуешь то - то что точно будет работать

а по поводу что 60 руб стоит и я их могу пачками меня - условия тоже разные бывают (у меня транс гипсокартоном закрыт и достать его великий гемор )

Спасибо за ссылку.
Теперь понимаю так: необходимо для правильной работы транс с маркировкой для диммерования, диммеры именно для галогенок :rolleyes:

Для публикации сообщений создайте учётную запись или авторизуйтесь

Вы должны быть зарегистрированным пользователем, чтобы оставить комментарий

Создать учетную запись

Зарегистрируйтесь в нашем сообществе.

Зарегистрироваться

Войти

Уже есть аккаунт? Войти в систему.

Войти

Или войти с помощью одного из сервисов



  • Наши рекомендации

    • Подходы к ремонту старых домов в России
      В России сотни тысяч старых домов, многие из которых являются не только свидетельством исторического наследия, но и отражением уникальной культуры и традиций страны. Эти дома, будь то деревянные избы или старинные каменные постройки, сохраняют в себе дух времени и рассказывают историю поколений.

      • 0 ответов
    • Люк для кошек своими руками
      Разумеется давно придуманы и продаются специальные лючки для кошек, которые можно врезать в дверь, но мы ведь не ищем легких путей . Да и по зоомагазинам я не хожу, а "гугление" показало, что такие люки для кошек стоят относительно не дешево. В то же время под рукой были два "копеечных" сантехнических пластиковых лючка для ГКЛ. Все что оставалось, так это обломать фиксаторы крышек, что бы они открывались в обе стороны, ровно выпилить отверстие в двери, да вклеить симметрично эти лючки.

      То, что получилось видно на фото. Разумеется это не для тех, у кого "дизайнерский ремонт", но для обыкновенной квартиры вполне подходит. Недостатков не замечено, животных и людей всё устраивает .


      Реакцию форумчан на этот люк можно узнать в этой теме https://homemasters.ru/...me/?p=330637

        • Ого
      • 6 ответов
    • Вторая жизнь дивана: искусство ремонта мягкой мебели своими руками
      В эпоху беспрерывного потребления и стремления к новизне, ремонт старой мягкой мебели своими руками приобретает не просто практическое, но и глубоко философское значение. Это действие как знак уважения к труду мастеров, которые вложили свое мастерство в создание диванов, кресел и пуфов, и как воплощение идеи устойчивого потребления. С каждым возвращенным к жизни предметом мебели, мы не только сохраняем историю и уникальность каждого изделия, но и противостоим бездумному обновлению интерьера за счет экологии и рационального использования ресурсов.

        • Нравится
      • 0 ответов
    • Газовые котлы: эффективное, экономичное и экологичное решение для отопления вашего дома
      В современном мире, где комфорт и устойчивость стали ключевыми аспектами повседневной жизни, выбор правильного источника отопления дома становится особенно актуальным. Газовые котлы, сочетая в себе преимущества эффективности, экономичности и экологичности, представляют собой одно из наиболее популярных решений для обеспечения комфортной температуры в жилых и коммерческих помещениях.

      • 0 ответов
    • Аккумуляторные пилы  SCW и  SCM  22-A
      После того как провёл тесты, приступил к самому главному. Поменять диски местами, и проверить, как инструмент на это отреагирует, ведь они внешнее и походу внутренне практически одинаковые, пила по дереву конечно более навороченее, есть настройки угла наклона и можно на шину посадить через адаптер.

      • 4 ответа
    • Как построить теплый дом, не тратя лишних денег
      Строительство гостевого дома решил выделить в отдельную тему, так будет меньше путаницы.


        • Спасибо
        • Нравится
      • 262 ответа
    • Кажись всё или строительный пылесос с тройной мультициклонной ступенью очистки
      Кажись всё или строительный пылесос с тройной мультициклонной ступенью очистки

        • Нравится
      • 16 ответов
    • Дома из сруба: идеальное сочетание уюта и прочности.
      Строительство собственного дома является важной вехой в жизни любого человека, поскольку оно знаменует собой важное событие. Выбор строительных материалов имеет огромное значение для создания теплого и функционального жилища. На протяжении всей древней истории древесина была распространенным материалом для строительства домов, что отразилось на различных культурах мира.

      • 0 ответов
×
×
  • Создать...

Важная информация

Мы разместили cookie-файлы на ваше устройство, чтобы помочь сделать этот сайт лучше. Вы можете изменить свои настройки cookie-файлов, или продолжить без изменения настроек.