Перейти к содержанию
Форумы о ремонте и строительстве

Замена ввода в квартиру

Оценить эту тему:


Рекомендуемые сообщения

чаще всего они были на 16А ну и на 25А , тип ае1031

Я так думаю можно 2 по 16 А заменить одним автоматом 32 А. :ph34r:

Я так думаю можно 2 по 16 А заменить одним автоматом 32 А. :ph34r:

если он будет вводным до щитка то да

если он будет вводным до щитка то да

А как это?Он будет не до щитка, а в щитке. :blink:

твоё сообщение 31 в этой теме - пишешь что в квартире свой щиток, так вот этот автомат (лучше если он будет до счетчика) будет вводным

твоё сообщение 31 в этой теме - пишешь что в квартире свой щиток, так вот этот автомат (лучше если он будет до счетчика) будет вводным

Вы правы.Но это уже совсем другая история... :)Вернее другой щиток.

Пока будет старая алюминевая проводка, а там будет видно. :) Видимо тема еще не закрывается... :D

нельзя так делать, не раз уже писал почему - автомат ставишь на 32 а розетки на 16, и провод люминтьевый на 2,5 выдерживает всего 18А выжешь всё что можно в случае чегопоставь 2 по 16 любые или замени на такие же но тоже 16

Простите, немного не в тему, но плату за увеличение мощности отменили или нет?? А то май уже прошёл а мощьности хочется )

ни хрена не отменили -развали ли всё и вообще пустили на самотёк

  • 1 год спустя...

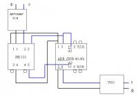
Здравствуйте. Решил модернизировать щиток. Поправьте если что не так.РН-111М - Реле напряженияконтактор ABB ESB 40-40 СПАСИБО. :ph34r:

post-6049-1263417491_thumb.jpg

post-6049-1263417505_thumb.jpg

"Свет 2 комнаты и розетки 2 комнаты" - в сумме 26А, а УЗО перед ними- на 16А. То же самое по УЗО на стиралку и водогрей, 16+16 автоматы и 16 УЗО

"Свет 2 комнаты и розетки 2 комнаты" - в сумме 26А, а УЗО перед ними- на 16А. То же самое по УЗО на стиралку и водогрей, 16+16 автоматы и 16 УЗО

А как же сообщение №52. <_< Там вроде добро дали на 16А УЗО, которая идет на стиралку и водогрей. :ph34r: т.е. контактор должен быть больше 32А, но никак не меньше? :ph34r:

Не прошло и года :lol: Ну не знаю тогда.. Если уж асы одобрили... А только по моему стереотипы УЗО тоже должно защищаться. Либо автоматом меньшего номинала до него (а у вас до УЗО стоит АВ на 32А), либо после него (в вашем случае - 2 АВ по 16А, итого 32А). Ничего ведь не мешает возникновению тока через УЗО в количестве например 20А, а УЗО рассчитано максимум на 16А. Моя логика такая :)

А как же сообщение №52.

а вот это и называется коллективный разум, то что один не заметил - другой всегда поправитЭлис прав - низя, узо сгорит, я наверное не переключился вы же все без нулей рисовали, а узо было на 40А, и одобрены были больше наверное нули (сейчас точно и не вспомню)

Вводный автомат оставил на 32 А.Видимо схема теперь выглядит так: :rolleyes: Уважаемые, что по поводу контактор ABB ESB 40-40 или можно другие: :ph34r:

post-6049-1263549217_thumb.jpg

post-6049-1263549442_thumb.jpg

post-6049-1263549457_thumb.jpg

Ау, товарищи и господа, такая схема и контактор пойдут? :ph34r: Жду с нетерпением ответов [pray_] [pray_] [pray_]

да конешно другие, нахрена переплачивать???контактов надо 2 а не 4, они в 2 раза (почти) дешевле

У меня ведь на входе 32А. Видимо я ошибался когда думал, что первая цифра в контакторе EBS должна быть больше 32 А т.е. EBS 40-40.Какой же из них выбрать:EBS 20-20 2 норм. откр. контактаEBS 20-02 2 норм. закр. контактаEBS 20-11 1 норм. откр. контакта, 1 норм. закр. контактаEBS 24-40 4 норм. откр. контактаEBS 24-04 4 норм. закр. контактаEBS 24-22 2 норм. откр. контакта, 2 норм. закр. контактаEBS 24-31 3 норм. откр. контакта, 1 норм. закр. контактаEBS 24-13 1 норм. откр. контакта, 3 норм. закр. контактаEBS 40-40 4 норм. откр. контактаEBS 63-40 4 норм. откр. контактаЧто вообще обозначает эти цифры? :ph34r:

первая - ток, вторая контакты (первая открытых, вторая закрытых)

Для публикации сообщений создайте учётную запись или авторизуйтесь

Вы должны быть зарегистрированным пользователем, чтобы оставить комментарий

Создать учетную запись

Зарегистрируйтесь в нашем сообществе.

Зарегистрироваться

Войти

Уже есть аккаунт? Войти в систему.

Войти

Или войти с помощью одного из сервисов



  • Наши рекомендации

    • Люк для кошек своими руками
      Разумеется давно придуманы и продаются специальные лючки для кошек, которые можно врезать в дверь, но мы ведь не ищем легких путей . Да и по зоомагазинам я не хожу, а "гугление" показало, что такие люки для кошек стоят относительно не дешево. В то же время под рукой были два "копеечных" сантехнических пластиковых лючка для ГКЛ. Все что оставалось, так это обломать фиксаторы крышек, что бы они открывались в обе стороны, ровно выпилить отверстие в двери, да вклеить симметрично эти лючки.

      То, что получилось видно на фото. Разумеется это не для тех, у кого "дизайнерский ремонт", но для обыкновенной квартиры вполне подходит. Недостатков не замечено, животных и людей всё устраивает .


      Реакцию форумчан на этот люк можно узнать в этой теме https://homemasters.ru/...me/?p=330637

        • Ого
      • 6 ответов
    • Как построить теплый дом, не тратя лишних денег
      Строительство гостевого дома решил выделить в отдельную тему, так будет меньше путаницы.


        • Спасибо
        • Нравится
      • 239 ответов
    • Газовые котлы: эффективное, экономичное и экологичное решение для отопления вашего дома
      В современном мире, где комфорт и устойчивость стали ключевыми аспектами повседневной жизни, выбор правильного источника отопления дома становится особенно актуальным. Газовые котлы, сочетая в себе преимущества эффективности, экономичности и экологичности, представляют собой одно из наиболее популярных решений для обеспечения комфортной температуры в жилых и коммерческих помещениях.

      • 0 ответов
    • Дома из сруба: идеальное сочетание уюта и прочности.
      Строительство собственного дома является важной вехой в жизни любого человека, поскольку оно знаменует собой важное событие. Выбор строительных материалов имеет огромное значение для создания теплого и функционального жилища. На протяжении всей древней истории древесина была распространенным материалом для строительства домов, что отразилось на различных культурах мира.

      • 0 ответов
    • Кажись всё или строительный пылесос с тройной мультициклонной ступенью очистки
      Кажись всё или строительный пылесос с тройной мультициклонной ступенью очистки

        • Нравится
      • 16 ответов
    • Аккумуляторные пилы  SCW и  SCM  22-A
      После того как провёл тесты, приступил к самому главному. Поменять диски местами, и проверить, как инструмент на это отреагирует, ведь они внешнее и походу внутренне практически одинаковые, пила по дереву конечно более навороченее, есть настройки угла наклона и можно на шину посадить через адаптер.

      • 4 ответа
    • Подходы к ремонту старых домов в России
      В России сотни тысяч старых домов, многие из которых являются не только свидетельством исторического наследия, но и отражением уникальной культуры и традиций страны. Эти дома, будь то деревянные избы или старинные каменные постройки, сохраняют в себе дух времени и рассказывают историю поколений.

      • 0 ответов
    • Вторая жизнь дивана: искусство ремонта мягкой мебели своими руками
      В эпоху беспрерывного потребления и стремления к новизне, ремонт старой мягкой мебели своими руками приобретает не просто практическое, но и глубоко философское значение. Это действие как знак уважения к труду мастеров, которые вложили свое мастерство в создание диванов, кресел и пуфов, и как воплощение идеи устойчивого потребления. С каждым возвращенным к жизни предметом мебели, мы не только сохраняем историю и уникальность каждого изделия, но и противостоим бездумному обновлению интерьера за счет экологии и рационального использования ресурсов.

        • Нравится
      • 0 ответов
×
×
  • Создать...

Важная информация

Мы разместили cookie-файлы на ваше устройство, чтобы помочь сделать этот сайт лучше. Вы можете изменить свои настройки cookie-файлов, или продолжить без изменения настроек.