Перейти к содержанию
Форумы о ремонте и строительстве

Прошу скорректировать щиток

Оценить эту тему:


Рекомендуемые сообщения

Опубликовано

День добрый. Помогите собрать щиток. Почитал, посмотрел и вот, что у меня получилось. В общем коридоре стоят счетчик, общий автомат 50А, на плиту 40А и два по 16А на свет и розетки. Планирую ввести в квартиру от общего рубильника, остальное упразнить, правильное решение?В квартирном щитке нужно поставить входной автомат или сразу на УЗО?Как вести землю- ввести на шину, а от нее на каждую розетку?Не пинайте, как у многих из форумчан, это мой первый опыт :)

post-23066-1274865494_thumb.jpg

По поводу оставить в подъездном щитке только счетчик и вводной автомат - правильно.УЗО - тоже прибор, требующий защиты (с) dimp Так что, сначала автомат, потом УЗО с током нагрузки равным или большим чем автомат.Примерный порядок действий. От 50А автомата заводите в квартиру кабель 3*6мм.кв. Желтокоричневый - земля, его в подъездном щитке надежно цепляете на землю. В своем щитке - надежно на общую шину заземления, к которой подцепите землю от своих линий. Землянной контакт разрывать нельзя, т.е. никаких рубильников на земляном контакте.Далее. Можно поставить общий рубильник в квартире для удобства, можно не ставить. Можно поставить диффавтомат (автомат совмещенный с УЗО) номиналом к примеру 300мА\50А в качестве противопожарного, можно не ставить - это все на ваше усмотрение и на ваши финансовые возможности.Далее по схеме. На варочную панель - сначала автомат, потом УЗО. Для справки 32А при 220В это 7кВт, проверте на всякий случай - хватит или нет.Далее, зачем на свет столько линий? Хотя если хочется - то почему бы и нет.Поехали дальше... все ваши УЗО(кроме того, что для печки) защитите автоматом на 40А, либо вместо УЗО - диффавтоматы - но это дороже.На ванну очень желательно УЗО на 10мА, перед ним автомат меньший или равный току нагрузки УЗО. Как то так.

Почему у вас от автоматов отходит по две линии, это что-то значит? По идее от автомата отходит один фазный провод, нулевой и PE снимаются с шин.

А в целом нормально, только УЗО, на которых висит по три автомата на 16 Ампер (16х3 = 48 А) нужно будет поставить на 63 А. Интересно, как вы реализуете сборку этого щитка, с четырьмя нулевыми шинами. Кросс-модуль наверное брать придется.

И, кстати, что у вас с защитным занулением (заземлением)? Проводку трехжильную кидать будете?

Желтокоричневый

Желто-зеленый.

его в подъездном щитке надежно цепляете на землю.

condratd, а вот с этим не торопитесь, с защитным занулением нужно осторожно, как сапер с миной :) Лучше вначале расскажите, что у вас в этажном щитке творится, какой стояк, какие шины ноль-земля...

сначала автомат, потом УЗО

Без разницы, можно и так, как на схеме.

Получается нулевой провод просто заводится на шину и оттуда по потребителям? Я УЗО даже в руках еще не держал, но думал на него входят и выходят фаза с нулем <_< Значит в УЗО и входящем (поставлю диф на всякий) входят и выходят только фазы?Достались в наследство халявные провода, поэтому к каждому источнику света свой кабель. 10А-ый легранд стоит по 100 руб., поэтому поставлю на каждый свет.Схожу за дочкой в школу, перерисую :)

Получается нулевой провод просто заводится на шину и оттуда по потребителям?

Нет, сначала пропускается через УЗО, потом на шинку и к потребителям. Те, потребители, которые висят на УЗО, должны иметь свой отдельный ноль (и шинку соответственно). У вас же правильно нарисовано.

Значит в УЗО и входящем (поставлю диф на всякий) входят и выходят только фазы?

Входит фаза и ноль и выходит фаза и ноль.

Нет, в УЗО входят и выходят и фаза и ноль (L N). А в однополюсных автоматах - только фаза.С заземлением действительно - разберитесь, может у вас не заземление, а зануление, тогда лучше вообще с третим проводом не заморачиваться, просто раскинуть, но не подключать. Ну и количество УЗО я бы пересмотрел в сторону уменьшения.

В общем коридоре стоят счетчик, общий автомат 50А, на плиту 40А

исходя из вышесказанного, земля есть точно

condratd, а вот с этим не торопитесь, с защитным занулением нужно осторожно, как сапер с миной

там есть плита (с расчетным автоматом на 40) если и земли нет то ноль там солидный

Далее по схеме. На варочную панель - сначала автомат, потом УЗО

тут уже по барабану что первично :) есть вводной автомат

если и земли нет то ноль там солидный

Да я по привычке перестраховываюсь :)

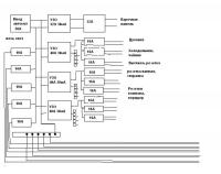
Позвонил жэковскому электрику. Рабочий ноль идет от отдельной колодки, а в качестве земли в щитке наварено несколько болтов. Можно их считать полноценной землей?Если возможно на один 16А автомат бросить две линии комнатных розеток, где нагрузок не будет, то можно собрать такой щит.Что нужно поменять здесь в лучшую (правильную) сторону? P.S. Мощность панели 6.4 КВт

post-23066-1274877666_thumb.jpg

Позвонил жэковскому электрику. Рабочий ноль идет от отдельной колодки, а в качестве земли в щитке наварено несколько болтов

рабочий это само сабой - а как там с защитным нулем который на эти болты приходит?и куда делись шинки нулевые после узо???

поставлю диф на всякий

тоже не лучший вариант - из за того что стоит этот диф приличных денег а стоит в общедоступном месте

На этой планке, где болты, висят счетчики, и на нее приходит какой-то охренительно толстый (сантиметра полтора в диаметре) многожильный провод.Я спросил -есть ли смысл тянуть три жилы, электрик сказал-да.Нулевые шинки остались в голове, убрал чтобы не мешались :) А как сама схема - рабочая? Или можно что-то пересмотреть?

тоже не лучший вариант - из за того что стоит этот диф приличных денег а стоит в общедоступном месте

Я его в свой, квартирный щиток хотел поставить на ввод. А в коридоре останется счетчик со старым автоматом, или слишком большое нагромождение?

А в коридоре останется счетчик со старым автоматом

а зачем диф то тогда? деньги лишние? узо дешевле стоит

на нее приходит какой-то охренительно толстый (сантиметра полтора в диаметре) многожильный провод

ну раз уж такой охренительный :D тогда все нормально от него кидайте защитное зануление (землю)

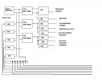
Что-то я запутался в конец. Не буду ничего предполагать, просто скажите, пожалуйста, какие устройства необходимы.В общем коридоре остается счетчик и древний автомат (не знаю о его работоспособности). Я хочу иметь возможность в своем внутриквартирном щитке вырубать всю квартиру. Так что мне поставить на вход в своем щитке?

post-23066-1274880566_thumb.jpg

Тогда или дифф - если финансы позволяют, или автомат на 50.

древний автомат (не знаю о его работоспособности)

я бы его заменил на всякий

Я хочу иметь возможность в своем внутриквартирном щитке вырубать всю квартиру

а чем вас узо как выключатель не устраивает??? нажимаете на кнопочку тест (заодно проверив его работоспособность)

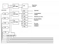
Большое спасибо, многое для себя прояснил. Остались последние вопросы, если еще не совсем достал, с помощью чего решаются проблемы разветвления (на рисунке) и каким номиналом поставить входное УЗО?

post-23066-1274888937_thumb.jpg

Сваял, как смог. Покритикуйте, пожалуйста, пока все окончательно не затянул.

post-23066-1275581276_thumb.jpg

А что, миленько! Проводка в щитке хорошо "читается", по-крайней мере, хозяин легко вспомнит, что куда и откуда идет. А что касается возможных улучшений, то я бы посоветовал только два: это гребенки, про которые здесь уже говорили (реально уменьшает кол-во перемычек) и гильзы-наконечники на провода (очень большой выбор по сечению провода, цветам, специально под зажим 2-х проводов и т.д.). Топологии расположения автоматов и УЗО я здесь не касаюсь, это больше вопрос вкуса. Лично мне больше по душе последовательное соединение - уж если заходит ввод снизу, так пусть и идут все развлетвления наверх, без перехлестов... Но главное, это чтобы все было правильно, в соответствие с законами электротехники, соединено. А красота - дело второе...

гильзы-наконечники на провода

Так гильзы-наконечники на монолит не ставят. На мой взгляд и гребенки тут не очень нужны. Автоматов мало, ящик большой. Так что вполне нормально. Отходящие можно было бы отмаркировать, но и так не криминально.

Для публикации сообщений создайте учётную запись или авторизуйтесь

Вы должны быть зарегистрированным пользователем, чтобы оставить комментарий

Создать учетную запись

Зарегистрируйтесь в нашем сообществе.

Зарегистрироваться

Войти

Уже есть аккаунт? Войти в систему.

Войти

Или войти с помощью одного из сервисов



  • Наши рекомендации

    • Подходы к ремонту старых домов в России
      В России сотни тысяч старых домов, многие из которых являются не только свидетельством исторического наследия, но и отражением уникальной культуры и традиций страны. Эти дома, будь то деревянные избы или старинные каменные постройки, сохраняют в себе дух времени и рассказывают историю поколений.

      • 0 ответов
    • Аккумуляторные пилы  SCW и  SCM  22-A
      После того как провёл тесты, приступил к самому главному. Поменять диски местами, и проверить, как инструмент на это отреагирует, ведь они внешнее и походу внутренне практически одинаковые, пила по дереву конечно более навороченее, есть настройки угла наклона и можно на шину посадить через адаптер.

      • 4 ответа
    • Кажись всё или строительный пылесос с тройной мультициклонной ступенью очистки
      Кажись всё или строительный пылесос с тройной мультициклонной ступенью очистки

        • Нравится
      • 16 ответов
    • Дома из сруба: идеальное сочетание уюта и прочности.
      Строительство собственного дома является важной вехой в жизни любого человека, поскольку оно знаменует собой важное событие. Выбор строительных материалов имеет огромное значение для создания теплого и функционального жилища. На протяжении всей древней истории древесина была распространенным материалом для строительства домов, что отразилось на различных культурах мира.

      • 0 ответов
    • Как построить теплый дом, не тратя лишних денег
      Строительство гостевого дома решил выделить в отдельную тему, так будет меньше путаницы.


        • Спасибо
        • Нравится
      • 239 ответов
    • Люк для кошек своими руками
      Разумеется давно придуманы и продаются специальные лючки для кошек, которые можно врезать в дверь, но мы ведь не ищем легких путей . Да и по зоомагазинам я не хожу, а "гугление" показало, что такие люки для кошек стоят относительно не дешево. В то же время под рукой были два "копеечных" сантехнических пластиковых лючка для ГКЛ. Все что оставалось, так это обломать фиксаторы крышек, что бы они открывались в обе стороны, ровно выпилить отверстие в двери, да вклеить симметрично эти лючки.

      То, что получилось видно на фото. Разумеется это не для тех, у кого "дизайнерский ремонт", но для обыкновенной квартиры вполне подходит. Недостатков не замечено, животных и людей всё устраивает .


      Реакцию форумчан на этот люк можно узнать в этой теме https://homemasters.ru/...me/?p=330637

        • Ого
      • 6 ответов
    • Вторая жизнь дивана: искусство ремонта мягкой мебели своими руками
      В эпоху беспрерывного потребления и стремления к новизне, ремонт старой мягкой мебели своими руками приобретает не просто практическое, но и глубоко философское значение. Это действие как знак уважения к труду мастеров, которые вложили свое мастерство в создание диванов, кресел и пуфов, и как воплощение идеи устойчивого потребления. С каждым возвращенным к жизни предметом мебели, мы не только сохраняем историю и уникальность каждого изделия, но и противостоим бездумному обновлению интерьера за счет экологии и рационального использования ресурсов.

        • Нравится
      • 0 ответов
    • Газовые котлы: эффективное, экономичное и экологичное решение для отопления вашего дома
      В современном мире, где комфорт и устойчивость стали ключевыми аспектами повседневной жизни, выбор правильного источника отопления дома становится особенно актуальным. Газовые котлы, сочетая в себе преимущества эффективности, экономичности и экологичности, представляют собой одно из наиболее популярных решений для обеспечения комфортной температуры в жилых и коммерческих помещениях.

      • 0 ответов
×
×
  • Создать...

Важная информация

Мы разместили cookie-файлы на ваше устройство, чтобы помочь сделать этот сайт лучше. Вы можете изменить свои настройки cookie-файлов, или продолжить без изменения настроек.