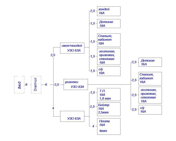
разводка в новостройке
Оценить эту тему:
- 
- 
Наши рекомендации- 
				
					
					
						  Дома из сруба: идеальное сочетание уюта и прочности.Строительство собственного дома является важной вехой в жизни любого человека, поскольку оно знаменует собой важное событие. Выбор строительных материалов имеет огромное значение для создания теплого и функционального жилища. На протяжении всей древней истории древесина была распространенным материалом для строительства домов, что отразилось на различных культурах мира.
 - 
- 0 ответов
 
- 
- 
				
					
					
						  Вторая жизнь дивана: искусство ремонта мягкой мебели своими рукамиВ эпоху беспрерывного потребления и стремления к новизне, ремонт старой мягкой мебели своими руками приобретает не просто практическое, но и глубоко философское значение. Это действие как знак уважения к труду мастеров, которые вложили свое мастерство в создание диванов, кресел и пуфов, и как воплощение идеи устойчивого потребления. С каждым возвращенным к жизни предметом мебели, мы не только сохраняем историю и уникальность каждого изделия, но и противостоим бездумному обновлению интерьера за счет экологии и рационального использования ресурсов.
 - 
- 
						
							
						
								
- 0 ответов
 
- 
- 
				
					
					
						  Газовые котлы: эффективное, экономичное и экологичное решение для отопления вашего домаВ современном мире, где комфорт и устойчивость стали ключевыми аспектами повседневной жизни, выбор правильного источника отопления дома становится особенно актуальным. Газовые котлы, сочетая в себе преимущества эффективности, экономичности и экологичности, представляют собой одно из наиболее популярных решений для обеспечения комфортной температуры в жилых и коммерческих помещениях.
 - 
- 0 ответов
 
- 
- 
				
					
					
						  Аккумуляторные пилы SCW и SCM 22-AПосле того как провёл тесты, приступил к самому главному. Поменять диски местами, и проверить, как инструмент на это отреагирует, ведь они внешнее и походу внутренне практически одинаковые, пила по дереву конечно более навороченее, есть настройки угла наклона и можно на шину посадить через адаптер.
 - 
- 4 ответа
 
- 
- 
				
					
					
						  Кажись всё или строительный пылесос с тройной мультициклонной ступенью очисткиКажись всё или строительный пылесос с тройной мультициклонной ступенью очистки
 - 
- 
						
							
						
								
- 16 ответов
 
- 
- 
				
					
					
						  Как построить теплый дом, не тратя лишних денегСтроительство гостевого дома решил выделить в отдельную тему, так будет меньше путаницы.
 
 
 - 
- 242 ответа
 
- 
- 
				
					
					
						  Подходы к ремонту старых домов в РоссииВ России сотни тысяч старых домов, многие из которых являются не только свидетельством исторического наследия, но и отражением уникальной культуры и традиций страны. Эти дома, будь то деревянные избы или старинные каменные постройки, сохраняют в себе дух времени и рассказывают историю поколений.
 - 
- 0 ответов
 
- 
- 
				
					
					
						  Люк для кошек своими рукамиРазумеется давно придуманы и продаются специальные лючки для кошек, которые можно врезать в дверь, но мы ведь не ищем легких путей . Да и по зоомагазинам я не хожу, а "гугление" показало, что такие люки для кошек стоят относительно не дешево. В то же время под рукой были два "копеечных" сантехнических пластиковых лючка для ГКЛ. Все что оставалось, так это обломать фиксаторы крышек, что бы они открывались в обе стороны, ровно выпилить отверстие в двери, да вклеить симметрично эти лючки.
 
 То, что получилось видно на фото. Разумеется это не для тех, у кого "дизайнерский ремонт", но для обыкновенной квартиры вполне подходит. Недостатков не замечено, животных и людей всё устраивает .
 
 
 Реакцию форумчан на этот люк можно узнать в этой теме https://homemasters.ru/...me/?p=330637
 - 
- 
						
							
						
								
- 6 ответов
 
- 
 
- 
				
					
					
						
- 
 
 
					 
								 
								 
								 
								 
								 
					 
								 
								 
								 
								 
								 
						
							 
					 
								 
								 
								 
								 
								 
					 
								 
								 
								 
								 
								 
					 
					 
								 
								 
								 
								 
					 
								 
								 
								 
								 
								 
					 
								 
								 
								 
								 
								 
						
							
Рекомендуемые сообщения
Для публикации сообщений создайте учётную запись или авторизуйтесь
Вы должны быть зарегистрированным пользователем, чтобы оставить комментарий
Создать учетную запись
Зарегистрируйтесь в нашем сообществе.
ЗарегистрироватьсяВойти
Уже есть аккаунт? Войти в систему.
ВойтиИли войти с помощью одного из сервисов