Перейти к содержанию
Форумы о ремонте и строительстве

3 зоны освещения + проходные переключатели

Оценить эту тему:


Рекомендуемые сообщения

Опубликовано

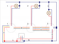
Привет всем.Столкнулся с такой проблемой. Есть разведенная проводка по квартире, штробы заделаны, стены отделаны - вскрыть ничего нельзя.Есть три зоны освещения, на схеме - 1,2,3. В каждой зоне в подрозетники выведены кабели, 3-х жильные, но фазы в них только 2 и ноль.Требуется (возможно ли?):1. Зона 3 может включаться отдельно, независимо, фазой от кабеля Е. Но из этого места нужно, чтобы можно было выключать светильники 1 и 2. Имеется два пустых подрозетника, можно поставить два выключателя.2. Из зоны 1 нужно выключать светильник 1 и 23. Из зоны 2 нужно выключать светильник 2 и 1, т.е., здесь по логике должен стоять перекрестный?4. В идеале чтобы светильник 3 также мог выключаться выключателями 1 и 2.Имеются проходные выключатели ABB серии Zenith - N2-02 и перекрестный N2-10. Таким образом, можно смонтировать во всех подрозетниках 2-х клавишные переключатели. Получается, что нужно управлять 2-мя светильниками из трех мест, а в идеале - 3-мя из трех. Из двух мест не проблема, получается - на полу собрал копию разводки и подключил так, как разведены кабели в подрозетники.А вот с управлением из трех мест - затык.

post-32224-1353574469_thumb.jpg

post-32224-1353574489_thumb.png

В каждой зоне в подрозетники выведены кабели, 3-х жильные....

На схеме в первом вижу три жилы, во втором четыре, в третьем пять.

а в идеале - 3-мя из трех.

Тремя двухклавишными управлять тремя независимыми нагрузками не получится.

В каждой зоне в подрозетники выведены кабели, 3-х жильные, но фазы в них только 2 и ноль

Где у вас производится соединение проводов, в распред коробке? Сколько жил от каждого подрозетника и от каждого светильника пойдёт к ней?
(изменено)

На схеме в первом вижу три жилы, во втором четыре, в третьем пять.

Тремя двухклавишными управлять тремя независимыми нагрузками не получится.

Это не жилы, а кабели. немного неправильно обозначил, торопился.

Считайте, что красный кабель A, B, C, D - двухжильный, с фазой в каждой из них. ноль идет на синий.

Кабели, которые идут к светильникам от подрозетников - обычные, 2х жильные

Где у вас производится соединение проводов, в распред коробке? Сколько жил от каждого подрозетника и от каждого светильника пойдёт к ней?

Все три зоны "висят" на одном автомате. Распред коробок нет. Схемы прокладки в штробах тоже нет. Вся коммутация планировалась в подрозетниках - электриком, который прокладывал кабели. подвесить его за яйца нет возможности, слинял в дружественную страну. Я уж не говорю про косяки, как торчащий из подрозетника 2-х жильный кабель, со стикером "2 нуля от ламп" - а кабель обычный 2х1.5 - синий с белым. Или идет от щитка кабель, 3х1.5 (белый, синий, земля) - на котором фаза на желто-зеленой жиле... Но весь прикол в том, что от щитка, от всех автоматов фазы идут только по белым жилам. Т.е., где-то в штробах есть скрутки, не иначе...

То, что торчит из подрозетников и куда идет - выявилось путем обычного "прозвона".

Апдейт схемы: как именно идут кабели, по жилам.

post-32224-1353579416_thumb.png

Изменено пользователем agruts
(изменено)

Чтоб понятнее было на каждом проводе поставь количество жил в скобках.

На светильники приходит 2+1=3 жилы?

Считайте, что красный кабель A, B, C, D - двухжильный

vs

в подрозетники выведены кабели, 3-х жильные, но фазы в них только 2 и ноль

Вот это как понять? Изменено пользователем bagayama

Вот это как понять?

Торчит кабель: три жилы - белая, желтая, синяя. На белом и желтом - фаза. Это в подрозетнике 1 - он ближний к щитку. Далее, по задумке электрика, я так понимаю, в остальных двух такая же схема планировалась, на белом и желтом - фаза.

На белом и желтом - фаза

С чего взяли что на обоих фаза? индикатором мерили или ещё как?

Можно сделать, если всё правильно разрисовали, что 2 и 3 выключатели будут выкл/вкл все три группы света (3 переключателя), а 1 выкл - только первую группу (1 выключатель).

С чего взяли что на обоих фаза? индикатором мерили или ещё как?

конечно, индикатором.там от щитка фаза приходит.по большому счету, на выкл 1 нужна только одна фаза.

конечно, индикатором

Не факт что обе фазы, индикатор может показывать наводку также, только яркость чуть меньше в сравнении.

на выкл 1 нужна только одна фаза.

Потому и уточняю.

Можно сделать, если всё правильно разрисовали, что 2 и 3 выключатели будут выкл/вкл все три группы света (3 переключателя), а 1 выкл - только первую группу (1 выключатель).

если можно схемку.я сейчас экспериментирую на "стенде", получается так:вык1 вкл/выкл себя и 3вык3 вкл/выкл себя и 2вык2 вкл/выкл 3, а себя нет.т.е. ни 2, ни 3 не управляют 1, хотя желательно, чтобы 2 мог выкл 1.по большому счету, будет прекрасно, если получится такая схема:вык 1, 2 управляют лампами 1 и 2 с двух сторон.выкл 3 управляет лампами 3 и 2

agruts, это одно помещение? Если да, то зачем надо вкл/выкл все три нагрузки из трёх мест?

Честно говоря с наскока у меня не получилось (ну уж очень мало жил между 1 и 2 коробками), но, КМК, если это и возможно реализовать в данной ситуации, то только на импульсных реле монтируемых прямо в монтажных коробках. Поэтому, если не лень, попробуй внедрить в свою схему эти две приблуды. Раз и два.

Ещё, как вариант, можно взять радиовыключатель на три нагрузки, типа такого и просто "рулить" через него -

post-15106-1353611279_thumb.jpg

post-15106-1353611288_thumb.jpg

Bagis, это одна квартира, где 1 - прихожая, 2 -студия, 3 - спальня. Поделено на зоны, т.к. межкомнатных дверей вообще нет. А спальню ограждает перегородка с витражным стеклом.

  • 4 недели спустя...

Вопрос все еще актуален. Возможно ли собрать схему, используя 3 одноклавишных переключателя в каждой зоне? Т.е., так, чтобы любая из трех зон управлялась из каждого места:чтобы из зоны 1 можно включить/выключить 1,2,3 и тоже самое в зонах 2 и 3. Если для этого нужно проложить еще кабель - не проблема.

а читать и смотреть не получается? даже картинку вам нарисовали невозможно, должно быть два трёхклавишных переключателя, и трехклавишный проходной

Или 6 одноклавишных переключателей и 3 одноклавишных перекрёстных переключателя. На базе схемы bagayama (кста, я очень удивился не увидев у него от тебя, по меньшей мере одной, "спасибки" за такую работу ;) ), довольно просто это можно было и самому пририсовать. Нужно добавить один кабель на 5 жил.

post-15106-1355837605_thumb.jpg

Я очень извиняюсь, "спасибки" непременно раздам, просто месяц уже не заглядывал сюда, а сейчас с телефона смотрю. Довольно просто, согласен, но когда моск уже закипает - не сообразишь никак.

Для публикации сообщений создайте учётную запись или авторизуйтесь

Вы должны быть зарегистрированным пользователем, чтобы оставить комментарий

Создать учетную запись

Зарегистрируйтесь в нашем сообществе.

Зарегистрироваться

Войти

Уже есть аккаунт? Войти в систему.

Войти

Или войти с помощью одного из сервисов



  • Наши рекомендации

    • Подходы к ремонту старых домов в России
      В России сотни тысяч старых домов, многие из которых являются не только свидетельством исторического наследия, но и отражением уникальной культуры и традиций страны. Эти дома, будь то деревянные избы или старинные каменные постройки, сохраняют в себе дух времени и рассказывают историю поколений.

      • 0 ответов
    • Вторая жизнь дивана: искусство ремонта мягкой мебели своими руками
      В эпоху беспрерывного потребления и стремления к новизне, ремонт старой мягкой мебели своими руками приобретает не просто практическое, но и глубоко философское значение. Это действие как знак уважения к труду мастеров, которые вложили свое мастерство в создание диванов, кресел и пуфов, и как воплощение идеи устойчивого потребления. С каждым возвращенным к жизни предметом мебели, мы не только сохраняем историю и уникальность каждого изделия, но и противостоим бездумному обновлению интерьера за счет экологии и рационального использования ресурсов.

        • Нравится
      • 0 ответов
    • Люк для кошек своими руками
      Разумеется давно придуманы и продаются специальные лючки для кошек, которые можно врезать в дверь, но мы ведь не ищем легких путей . Да и по зоомагазинам я не хожу, а "гугление" показало, что такие люки для кошек стоят относительно не дешево. В то же время под рукой были два "копеечных" сантехнических пластиковых лючка для ГКЛ. Все что оставалось, так это обломать фиксаторы крышек, что бы они открывались в обе стороны, ровно выпилить отверстие в двери, да вклеить симметрично эти лючки.

      То, что получилось видно на фото. Разумеется это не для тех, у кого "дизайнерский ремонт", но для обыкновенной квартиры вполне подходит. Недостатков не замечено, животных и людей всё устраивает .


      Реакцию форумчан на этот люк можно узнать в этой теме https://homemasters.ru/...me/?p=330637

        • Ого
      • 6 ответов
    • Аккумуляторные пилы  SCW и  SCM  22-A
      После того как провёл тесты, приступил к самому главному. Поменять диски местами, и проверить, как инструмент на это отреагирует, ведь они внешнее и походу внутренне практически одинаковые, пила по дереву конечно более навороченее, есть настройки угла наклона и можно на шину посадить через адаптер.

      • 4 ответа
    • Кажись всё или строительный пылесос с тройной мультициклонной ступенью очистки
      Кажись всё или строительный пылесос с тройной мультициклонной ступенью очистки

        • Нравится
      • 16 ответов
    • Как построить теплый дом, не тратя лишних денег
      Строительство гостевого дома решил выделить в отдельную тему, так будет меньше путаницы.


        • Спасибо
        • Нравится
      • 239 ответов
    • Газовые котлы: эффективное, экономичное и экологичное решение для отопления вашего дома
      В современном мире, где комфорт и устойчивость стали ключевыми аспектами повседневной жизни, выбор правильного источника отопления дома становится особенно актуальным. Газовые котлы, сочетая в себе преимущества эффективности, экономичности и экологичности, представляют собой одно из наиболее популярных решений для обеспечения комфортной температуры в жилых и коммерческих помещениях.

      • 0 ответов
    • Дома из сруба: идеальное сочетание уюта и прочности.
      Строительство собственного дома является важной вехой в жизни любого человека, поскольку оно знаменует собой важное событие. Выбор строительных материалов имеет огромное значение для создания теплого и функционального жилища. На протяжении всей древней истории древесина была распространенным материалом для строительства домов, что отразилось на различных культурах мира.

      • 0 ответов
×
×
  • Создать...

Важная информация

Мы разместили cookie-файлы на ваше устройство, чтобы помочь сделать этот сайт лучше. Вы можете изменить свои настройки cookie-файлов, или продолжить без изменения настроек.