Перейти к содержанию
Форумы о ремонте и строительстве

Не сработало УЗО

Оценить эту тему:


Рекомендуемые сообщения

Иваныч, ты вообще опупел :wow: Мне чё больше заняться нечем как твои лабораторки выполнять? :) Выкладывай весь свой рейдер сразу, а не частями, иначе это будет последняя картинка ;)

Если бы это был не ты, если бы это не касалось землячки и если бы мне самому не было интересно, что тут получится, послал бы давно с такими хотелками :P

Пока Сергей живописью занимается, кто-нить объяснит мне, почему это

человека начнет убивать

при таком раскладе? Какой смысл тогда в РЕ проводнике?

просвещайся380 появляется когда на этот ноль который отгорел приходит фаза (со стороны большой нагрузки) а если ты на неё занулился (как многие у нас делают) то на корпусах твоих приборов (относительно стояков и конструкции здания) будет до 220

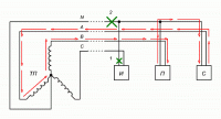
Здесь, наверное, легче объяснить на пальцах. Набросал план военных действий, где в левой части отображена местная подстанция (ТП), а в правой - площадка с тремя квартирами. Ради простоты опущены промежуточные пункты - распредщиты, вставки...

Чтобы понять суть процесса, происходящего при отгорании нуля, надо смотреть дальше пределов своей квартиры, вплоть до питающего нас трансформатора. Как известно, напряжение между нулём и фазой называется "фазным" и равно 220 В. Напряжение между двумя фазами - "линейным" и равно 380 В. Если в квартире Иванова (И) сам хозяин, будучи в подпитии, гоняясь с топором за женой, нечаянно перерубит нулевой провод (точка 1), то ничего страшного с электроприборами не произойдёт. Действительно, цепь прервётся. Другое дело, когда из-за коррозии, слабого контакта отваливается общий нуль на площадке (точка 2). В квартире Петрова (П) бабушка доваривает щи на электроплите в 2 кВт, в квартире Сидорова (С) сам Сидоров читает спортивное обозрение под 60-ваттной лампочкой. В момент Х напряжение изменит свою величину по описанию savelij и пойдёт по цепи, отмеченной красными стрелками, через электроприборы соседей. Петрова вряд ли что почувствует, поскольку уже заканчивает готовку ужина и плита инертна, а вот Сидоров прищурится над газетой. В момент снижения мощности электроплиты во второй квартире третья получает сумму двух обмоток трансформатора подстанции - линейное напряжение, лампочка взрывается и Сидоров пугается за зрение. Вот так.

post-28393-1338899013_thumb.gif

При сохраняющемся обрыве в точке 1 - ничего, экономия электроэнергии. Если индивидуальный нулевой проводник квартиры И цел, а обрыв в точке 2, то картина будет сходная с соседними. Приборы квартиры Иванова включаются последовательно с соседскими приборами, полчая сумму фаз. Кто силён в теории, скажите, какой максимум напряжения может быть в точке 3 (в розетках квартиры И), да впрочем, как и в розетках соседей при условии что все жители находятся на месте и играются со светом.

post-28393-1338899092_thumb.gif

(это не я такой умный, это я скопипастил с сайте, на котором сам разбирался в данном феномене)

Все. Приехал :) Все дело в неправильно нарисованной схеме.

точку разделения "нулевого" провода на N и PE в подьездном щитке сделай общей

а я не поняла причем тут 3 фазы и трансформаторы. я думала что путь тока такой: приходит с фазы (одиночной), через включеный прибор идет на ноль, т.к. ноль болтается в воздухе и соединен с т.н. "землей" - идет на "землю", оттуда на корпуса всех зануленных приборов. не так?на квартиры всегда идут разные фазы? а если квартир в щитке 4а, истории Элиса не про занулениеа еще я не поняла, зачем

разделение PEN'a на N и PE в случае "зануления" в щитке

зануление же на то и зануление что на ноль?

причем тут 3 фазы и трансформаторы

Это "на пальцах" объясняли, откуда берется 380 В в квартире, если вдруг отгорел ноль.

не так?

Если ток идет на "землю", то это банальное КЗ :)Где-то так. При таком раскладе металлический корпус становится частью проводника, на котором появляется определенный потенциал. Вы рассматриваете частный случай.

а если квартир в щитке 4

Обычно стараются равномерно разнести нагрузку по разным фазам, чтобы избежать перекосов.

зануление же на то и зануление что на ноль?

Таки да :) Разницу между заземлением и занулением:post-73269-1338903906_thumb.gifНа схеме - весьма незначительная. В обоих случаях ноль и земля соединены вместе. Вопрос только, где и как это сделано.

3 фазы к нам приходят с этих самых трансформаторов (ноль кстати тоже :) ) про ноль в воздухе я вопроса не понял???если 3х фазное питание дома - то всегда идут 3 фазыистория про появление на нуле напряжения (если занулишься получишь его на корпуса приборов)Иваныча не всегда легко понять :P:D

Если ток идет на "землю", то это банальное КЗ smile.png

банальное КЗ - это когда фаза замыкается на рабочий ноль без нагрузки. а у меня фаза замыкается на нерабочий ноль через нагрузку

про ноль в воздухе я вопроса не понял???

если бы ноль был рабочим - ток ушел бы по нему, а раз ноль отгорел (мне он представляется висящим в воздухе)) то ему больше ничего не остается как идти через земляной провод на корпуса

ну мысль верная - только ток появляется когда есть замкнутое кольцо (генератор - нагрузка) а тут появляется потенциал :)

ага, так точнее. а ток появится когда босая кваки начнет намывать корпус бойлера)

Тогда объясните мне, наконец, нафига нужно это PE и эти евростандарты? Поставил в старую сеть УЗО и усё.

Не знаю, не знаю... Если рядом поставить дискомфорт от "укусов" и риск поражения электротоком, то при выборе долго думать не приходится.

выбор не между укусами и отсутствием УЗО, а между укусы + УЗО и заземление + УЗО

между укусы + УЗО и заземление + УЗО

упрощаем выражение:

между укусы + УЗО и заземление + УЗО :)

Я не понял наивности вопроса что ли... <_< УЗО с заземлением - это срабатывания УЗО при возникновении утечки, в том числе при замыкании фазы на заземленный корпус. Участие человека в этом случае не требуется :), УЗО сработает в момент замыкания.УЗО без заземления сработает только когда ты за этот офазенный корпус схватишься, получив тот самый "укус". Я как-то нерегулярно за темой слежу, мож пропустил что-то и вы тут о другом перетираете?

Рассматривается случай, когда при отвалившемся ноле имеется УЗО и заземление.

да, я вчера не сообразила, главное-то то что Элис сказал.а давайте тогда уж рассмотрим все случаи отваливания нуля1) без УЗО и без заземления, ноль отвалился у одной фазы2) без УЗО и без заземления, ноль отвалился общий3) с УЗО и без заземления, ноль отвалился у одной фазы4) с УЗО и без заземления, ноль отвалился общий5) без УЗО и с занулением, ноль отвалился у одной фазы6) без УЗО и с занулением, ноль отвалился общий7) с УЗО и с занулением, ноль отвалился у одной фазы8) с УЗО и с занулением, ноль отвалился общий9) без УЗО и с заземлением, ноль отвалился у одной фазы10) без УЗО и с заземлением, ноль отвалился общий11) с УЗО и с заземлением, ноль отвалился у одной фазы12) с УЗО и с заземлением, ноль отвалился общийя думаю что1) приборы работать не будут, автоматы не сработают. ничего страшного не случится, пока человек не полезет выяснять и потрогать фазу2) будет то что в элисовских историях3) приборы работать не будут, автоматы не сработают. когда человек полезет выяснять и потрогать фазу, сработает УЗО4) будет то что в элисовских историях5) если есть включеный в сеть прибор - потенциал на корпусах, величина потенциала в зависимости от включеной нагрузки. 6) это очень сложно, даже не буду пытаться :) расскажите кто-нибудь7) то же самое что в п.5. при ударе УЗО не сработает. сработает только если человек как-то не касаясь корпуса доберется до фазы.8) сложно9) то же самое что в п.1.10) то что в элисовских историях11) то же что в п.312) то что в элисовских историях

Для публикации сообщений создайте учётную запись или авторизуйтесь

Вы должны быть зарегистрированным пользователем, чтобы оставить комментарий

Создать учетную запись

Зарегистрируйтесь в нашем сообществе.

Зарегистрироваться

Войти

Уже есть аккаунт? Войти в систему.

Войти

Или войти с помощью одного из сервисов



  • Наши рекомендации

    • Люк для кошек своими руками
      Разумеется давно придуманы и продаются специальные лючки для кошек, которые можно врезать в дверь, но мы ведь не ищем легких путей . Да и по зоомагазинам я не хожу, а "гугление" показало, что такие люки для кошек стоят относительно не дешево. В то же время под рукой были два "копеечных" сантехнических пластиковых лючка для ГКЛ. Все что оставалось, так это обломать фиксаторы крышек, что бы они открывались в обе стороны, ровно выпилить отверстие в двери, да вклеить симметрично эти лючки.

      То, что получилось видно на фото. Разумеется это не для тех, у кого "дизайнерский ремонт", но для обыкновенной квартиры вполне подходит. Недостатков не замечено, животных и людей всё устраивает .


      Реакцию форумчан на этот люк можно узнать в этой теме https://homemasters.ru/...me/?p=330637

        • Ого
      • 6 ответов
    • Газовые котлы: эффективное, экономичное и экологичное решение для отопления вашего дома
      В современном мире, где комфорт и устойчивость стали ключевыми аспектами повседневной жизни, выбор правильного источника отопления дома становится особенно актуальным. Газовые котлы, сочетая в себе преимущества эффективности, экономичности и экологичности, представляют собой одно из наиболее популярных решений для обеспечения комфортной температуры в жилых и коммерческих помещениях.

      • 0 ответов
    • Подходы к ремонту старых домов в России
      В России сотни тысяч старых домов, многие из которых являются не только свидетельством исторического наследия, но и отражением уникальной культуры и традиций страны. Эти дома, будь то деревянные избы или старинные каменные постройки, сохраняют в себе дух времени и рассказывают историю поколений.

      • 0 ответов
    • Как построить теплый дом, не тратя лишних денег
      Строительство гостевого дома решил выделить в отдельную тему, так будет меньше путаницы.


        • Спасибо
        • Нравится
      • 259 ответов
    • Дома из сруба: идеальное сочетание уюта и прочности.
      Строительство собственного дома является важной вехой в жизни любого человека, поскольку оно знаменует собой важное событие. Выбор строительных материалов имеет огромное значение для создания теплого и функционального жилища. На протяжении всей древней истории древесина была распространенным материалом для строительства домов, что отразилось на различных культурах мира.

      • 0 ответов
    • Аккумуляторные пилы  SCW и  SCM  22-A
      После того как провёл тесты, приступил к самому главному. Поменять диски местами, и проверить, как инструмент на это отреагирует, ведь они внешнее и походу внутренне практически одинаковые, пила по дереву конечно более навороченее, есть настройки угла наклона и можно на шину посадить через адаптер.

      • 4 ответа
    • Кажись всё или строительный пылесос с тройной мультициклонной ступенью очистки
      Кажись всё или строительный пылесос с тройной мультициклонной ступенью очистки

        • Нравится
      • 16 ответов
    • Вторая жизнь дивана: искусство ремонта мягкой мебели своими руками
      В эпоху беспрерывного потребления и стремления к новизне, ремонт старой мягкой мебели своими руками приобретает не просто практическое, но и глубоко философское значение. Это действие как знак уважения к труду мастеров, которые вложили свое мастерство в создание диванов, кресел и пуфов, и как воплощение идеи устойчивого потребления. С каждым возвращенным к жизни предметом мебели, мы не только сохраняем историю и уникальность каждого изделия, но и противостоим бездумному обновлению интерьера за счет экологии и рационального использования ресурсов.

        • Нравится
      • 0 ответов
×
×
  • Создать...

Важная информация

Мы разместили cookie-файлы на ваше устройство, чтобы помочь сделать этот сайт лучше. Вы можете изменить свои настройки cookie-файлов, или продолжить без изменения настроек.