Перейти к содержанию
Форумы о ремонте и строительстве

Переключатели на два направления

Оценить эту тему:


Рекомендуемые сообщения

Опубликовано

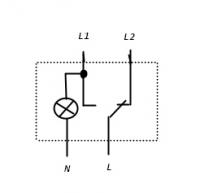
Так получается, что сначала делаем, потом думаем :) Есть вход от щитка на переключатель(бывший выключатель) и выход на свет. Жене захотелось дублировать выключение света у кровати (откуда лишние килограммы? :D ) Получается такая схемка - фаза с автомата идет на прикроватный переключатель, затем возвращается к исходному переключателю и от него на свет. 1. Будет работать?2. Можно по ввг 3*1,5 гонять фазу туда-обратно?3. Получается все три жилы в проводе это фаза - одна приходит на кроватный переключатель, две выходят?4. можно оставлять переключатель без земли?

Да, я видел эту схему. Проблема в том, что потолок уже висит готовый и провод на свет идет от первого переключателя, от второго уже не бросить.Поэтому последовательно, как на той схеме уже не сделать. Выход получается только один - вести фазу на дальний переключатель, возвращать оттуда две на ближний и от него уже одна пойдет на свет. Беспокоит три фазы в одном проводе, возможно ли? Землю, в принципе я могу взять от соседней розетки?Либо не морочить голову- и оставить выключатель?

Так получается, что сначала делаем, потом думаем :) Есть вход от щитка на переключатель(бывший выключатель) и выход на свет. Жене захотелось дублировать выключение света у кровати (откуда лишние килограммы? :D ) Получается такая схемка - фаза с автомата идет на прикроватный переключатель, затем возвращается к исходному переключателю и от него на свет. 1. Будет работать?2. Можно по ввг 3*1,5 гонять фазу туда-обратно?3. Получается все три жилы в проводе это фаза - одна приходит на кроватный переключатель, две выходят?4. можно оставлять переключатель без земли?

1. Да2. Да3. Да. С фазами только 2 провода, 3-й всегда "в воздухе"4. Да, прикроватный(если в нём нет лампочки подсветки)

Беспокоит три фазы в одном проводе, возможно ли?

См. п.3 :)

Землю, в принципе я могу взять от соседней розетки?

Зачем тебе ноль в прикроватном переключателе? См. п.4

Подсветка в переключателе есть, хотелось бы, чтобы работала. Значит ноль можно от розетки? И каким сечением перемычку? Или подсветка будет работать и без него?Отличие переключателя от выключателя как раз в том , что у первого входит одна фаза, а выходит две или наоборот, а у второго фаза просто прерывается. Поэтому в моем случае все три жилы нужны - одна туда, две фазы обратно.

Подсветка в переключателе есть, хотелось бы, чтобы работала. Значит ноль можно от розетки? И каким сечением перемычку?

Можно, 1,5 мм2

Отличие переключателя от выключателя как раз в том , что у первого входит одна фаза, а выходит две или наоборот, а у второго фаза просто прерывается. Поэтому в моем случае все три жилы нужны - одна туда, две фазы обратно.

Отличие я знаю. :) Только посмотри внимательнее схему. В каждом из 2-х положений переключателя фаза находится на одном выходящем проводе. Об этом я и написал. Т.е., нужны 3 провода, но, при любом положении переключателя, фаза будет только на 2-х проводах - одном входящем и одном выходящем. :)

подсветка работает в разрыве

Так нужен ноль или земля или без них будет гореть? Там же нет как такового разрыва- переключение с одного провода не другойчто-то я туплю

Так нужен ноль или земля или без них будет гореть? Там же нет как такового разрыва- переключение с одного провода не другой

Ноль нужен, но, одна нога лампы подсветки подключена, как правило, к одному из выходящих фазных. Т.е. подсветка будет только в одном из положений переключателя. Если в твоём переключателе для лампы подсветки - 2 отдельных вывода, только тогда подсветку можно включить на-постоянку.Вот схема переключателя с подсветкой АВВ серия Basic 55post-11036-1243930807_thumb.jpgУ меня установлено 2 таких.

Если не ошибаюсь,то в выключателях с подсветкой оная стоит параллельно контактам,и при размыкании последних один контакт подсветки оказывается на фазе,а другой на нуле через нагрузку(лампочку).Где то даже тема обсасывалась,что энергосберегающая лампочка пытается зажечься через неонку подсветки,чем вызывала сильную неприязнь хозяина.

есть 2 вида лампочек в выключателях - подсветка и индикация , способы подключения разные

Да,согласен.Но чаще мой вариант!Причем,во много раз.

Для публикации сообщений создайте учётную запись или авторизуйтесь

Вы должны быть зарегистрированным пользователем, чтобы оставить комментарий

Создать учетную запись

Зарегистрируйтесь в нашем сообществе.

Зарегистрироваться

Войти

Уже есть аккаунт? Войти в систему.

Войти

Или войти с помощью одного из сервисов



  • Наши рекомендации

    • Люк для кошек своими руками
      Разумеется давно придуманы и продаются специальные лючки для кошек, которые можно врезать в дверь, но мы ведь не ищем легких путей . Да и по зоомагазинам я не хожу, а "гугление" показало, что такие люки для кошек стоят относительно не дешево. В то же время под рукой были два "копеечных" сантехнических пластиковых лючка для ГКЛ. Все что оставалось, так это обломать фиксаторы крышек, что бы они открывались в обе стороны, ровно выпилить отверстие в двери, да вклеить симметрично эти лючки.

      То, что получилось видно на фото. Разумеется это не для тех, у кого "дизайнерский ремонт", но для обыкновенной квартиры вполне подходит. Недостатков не замечено, животных и людей всё устраивает .


      Реакцию форумчан на этот люк можно узнать в этой теме https://homemasters.ru/...me/?p=330637

        • Ого
      • 6 ответов
    • Газовые котлы: эффективное, экономичное и экологичное решение для отопления вашего дома
      В современном мире, где комфорт и устойчивость стали ключевыми аспектами повседневной жизни, выбор правильного источника отопления дома становится особенно актуальным. Газовые котлы, сочетая в себе преимущества эффективности, экономичности и экологичности, представляют собой одно из наиболее популярных решений для обеспечения комфортной температуры в жилых и коммерческих помещениях.

      • 0 ответов
    • Подходы к ремонту старых домов в России
      В России сотни тысяч старых домов, многие из которых являются не только свидетельством исторического наследия, но и отражением уникальной культуры и традиций страны. Эти дома, будь то деревянные избы или старинные каменные постройки, сохраняют в себе дух времени и рассказывают историю поколений.

      • 0 ответов
    • Кажись всё или строительный пылесос с тройной мультициклонной ступенью очистки
      Кажись всё или строительный пылесос с тройной мультициклонной ступенью очистки

        • Нравится
      • 16 ответов
    • Вторая жизнь дивана: искусство ремонта мягкой мебели своими руками
      В эпоху беспрерывного потребления и стремления к новизне, ремонт старой мягкой мебели своими руками приобретает не просто практическое, но и глубоко философское значение. Это действие как знак уважения к труду мастеров, которые вложили свое мастерство в создание диванов, кресел и пуфов, и как воплощение идеи устойчивого потребления. С каждым возвращенным к жизни предметом мебели, мы не только сохраняем историю и уникальность каждого изделия, но и противостоим бездумному обновлению интерьера за счет экологии и рационального использования ресурсов.

        • Нравится
      • 0 ответов
    • Как построить теплый дом, не тратя лишних денег
      Строительство гостевого дома решил выделить в отдельную тему, так будет меньше путаницы.


        • Спасибо
        • Нравится
      • 262 ответа
    • Аккумуляторные пилы  SCW и  SCM  22-A
      После того как провёл тесты, приступил к самому главному. Поменять диски местами, и проверить, как инструмент на это отреагирует, ведь они внешнее и походу внутренне практически одинаковые, пила по дереву конечно более навороченее, есть настройки угла наклона и можно на шину посадить через адаптер.

      • 4 ответа
    • Дома из сруба: идеальное сочетание уюта и прочности.
      Строительство собственного дома является важной вехой в жизни любого человека, поскольку оно знаменует собой важное событие. Выбор строительных материалов имеет огромное значение для создания теплого и функционального жилища. На протяжении всей древней истории древесина была распространенным материалом для строительства домов, что отразилось на различных культурах мира.

      • 0 ответов
×
×
  • Создать...

Важная информация

Мы разместили cookie-файлы на ваше устройство, чтобы помочь сделать этот сайт лучше. Вы можете изменить свои настройки cookie-файлов, или продолжить без изменения настроек.