Перейти к содержанию
Форумы о ремонте и строительстве

Совместно две розетки+вопросы

Оценить эту тему:


Dren

Рекомендуемые сообщения

Опубликовано

Здравствуйте. Есть розетка в коридоре, будет включатся иногда фен, пылесос, бритва, короче розетка рядом с ванной. И надо поставить розетку в ванной для стиральной машины(сейчас подключаем в ту что в коридоре). Сейчас идёт ремонт в коридоре, хочу как раз поменять весь алюминий на медь(постепенно во всей квартире), так-же планируется замена всего щитка который так-же стоит в коридоре. Совместно будет идти ремонт в ванной и туалете. 1. Подскажите пожалста, можно как то организывать линиии из имеющих потребителей: Свет коридор, свет туалет, свет ванная, розетка коридор, розетка ванная. Например свет трёх помещений повесить на один автомат, или лучше ванную и туалет вместе? 2. Можно-ли, протянуть от щитка провод в распредкоробку, и там разветлить на две розетки, стиралка, фен? Я знаю, что на стиральную машинку желательно вести отдельный кабель, но вот как запитать ту розетку что в коридоре ума не приложу, не ставить же отдельный автомат? Если можно, то можно ли использовать для этих целей клемники ваго(в распред.коробе). Соотвтственно эту линию повесить на 16а автомат и УЗО. И какого сечения выбрать для этой цели провод, до распред. и после на розетки(2,5?) 3. И ещё, будет подвесной потолок, можно ли всю проводку от щитка (туалет, ванна, коридор) провести по потолку в пластмассовой гофре? Алюминий весь замурован намертво, если его просто потом обесточить и там и похоронить.. Мне ни что не грозит за такой электромонтаж? Не хочется ничего нарушать, да и делаю для себя. штробить железобетон просто не представляю возможным :blink: В родных штробах, где были заложены провода, уже проложил такую гофру, пока посадил на строительный клей, потом всё замажется ротбандом(рис.). 4. и наболевшее.. знаю что обсосано до додыр, просто скажите если не трудно :unsure: В доме нет провода заземления, нужно ли занулять розетку на стиральную машину или можно обойтись УЗО :ph34r: Узо в таком случае ставить лучше на всю квартиру или ставить отдельные на линии? Пожалуйста, буду очень благодарен!

post-26677-1251061345_thumb.jpg

post-26677-1251061361_thumb.jpg

1 свет лучше разводить так что бы соседние помещения могли освещать друг друга (либо раздельно) т.е. если вылетает одна из линий оставшаяся хоть как то освещала ту где темно 2 можно , а почему именно СМ? можно ваго, да 2,53 можно 4 не надо никаких самодельный заземлений, колличество узо (селективность вашей сети) зависит от вашего кошелька

свет лучше разводить так что бы соседние помещения могли освещать друг друга (либо раздельно)

Да, вот здесь понятно.. Значит коридор совместно с ванной и туалетом отпадает. значит ванну и туалет можно повесить на один автомат. А коридор получается лучше вобще запитать отдельно.. Кстати, планируется ещё одна розетка на телефон, можно ведь повесить на один автомат со светом в коридоре?

можно , а почему именно СМ?

в смысле? стиральная машина в ванной.. Там просто получается очень удобно вести от распред коробки две розетки.. если честно не понял вопроса :ph34r::)

не надо никаких самодельный заземлений, колличество узо (селективность вашей сети) зависит от вашего кошелька

Экономить не намерян. Дело в том, что у нас всем ставят("проффесионалы") розетки для стиралок с тройным проводом, вешают на отдельный автомат и заземляют на ноль.. я тут много начитался про всякие отгорания нулей и последствия, поэтому и возник вопрос стоит ли? Менять проводку я буду постепенно, а изо хочется поставить на всю квартиру заранее.. Если я после счётчика поставлю общее изо, нужно в таком случае ставить отдельно на стиралку? Или если поставил одно, то надобность других вобще отпадает :blink:

Ну что ж вы так... Экономить не намерены, а лишиний сантиметр гофры не дотянули. Теперь при укладке провода часть его окажется просто замазанной ротбандом. И зачем расковыряли на коробке края, там же чуть поглубже есть специальные гнезжа для ввода гофры...

Я знаю, что на стиральную машинку желательно вести отдельный кабель

почему именно на СМ??? ваши "проффесионалы" знают что вся старая проводка сделанна единой линией, поэтому и вешают СМ отдельноесли перетягиваете проводку - это уже не надо (всё зависит от вашей схемы, наличных денег и здравого ума)с замечаниями Alice Tracy полностью согласен - это первое что бросается в глазаузо лучше ставить не меньше 2х на комнаты и санузел, что бы не оставаться без напряжения когда у соседа чего нить польётся

С узо понятно, спасибо. Я набросаю схемку позже, оцените тогда пожалуйста..

Теперь при укладке провода часть его окажется просто замазанной ротбандом

Да вроде так и задумано было.. Первый раз этим делом занимаюсь, стараюсь.. Всё замазал, провода позже протяну, ротбандом ничего замазано не будет, канал выфходит почти в коробку. Кстати на фотках видно где находятся эти отверстия для ввода гофры и где проложена штроба. :P

post-26677-1251191269_thumb.jpg

post-26677-1251191280_thumb.jpg

(изменено)

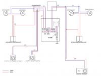
Вот рисовал пол дня, оцените пожулуйста. Любая критика, что где неправильно.. Это схема разводки в коридоре, и щитка в сборе. Последний(справа) автомат на 16а пойдёт на всю остальную пока не заменёную проводку в квартире(трёхкомнатная). УЗО, одно будет стоять на ванну(свет+розетки), второе на всю квартиру. Правильно подключение?И ещё, сечение проводов выбрал из принятых стандартов, потребляемую мощность по розеткам пока сказать не могу. Примерно на две розетки где-то 4 киловата(2стиралка,2пылесос-фен).. Скажите какого номинала брать узо на ванну(?) , и на всю квартиру, плита НЕ электрическая, кондюшника нет, много простой бытовухи, три телевизора, два компьютера, микровалновка, чайник.. :blink:

post-26677-1251198927_thumb.jpg

Изменено пользователем Dren

Сейчас ещё почитал информации на сайтах, и немного переделал схему. Сначала хотел отредактировать своё сообщение сверху, но вроде нет редактирования :blink: Короче, если поставить общее УЗО на всю квартиру, и плюс дополнительные на линии, в данном случае пока только ванная, вроде как и не теряю ничего по сравнению с первой схемой и ещё подстраховываю следующие УЗО от случайного несрабатывания.. На ванну УЗО вроде как, должно быть на 30Ма(признаюсь мне это ни о чём не говорит :ph34r: ..) А вот общее должно быть со срабатыванием немного позже тех что будут идти на линии(ванну).. Если так, то посоветуйте пожалуйста, что это и как должно называтся?

post-26677-1251233974_thumb.jpg

у первой схемы было всё в норме, а вот про узо на второй - какое у него будет назначение??? дублированние первого??? а смысл? (главное не забываем проверять кнопкой тест) есть правило - для селективного срабатыванния последующее узо должно иметь уставку по дифю току в 3 раза меньшую

(изменено)

какое у него будет назначение??? дублированние первого??? а смысл?

Смысл? Страховка всех последующих УЗО от случайного несрабатывания. Вот цитирую:

применить не "обычное" УЗО (со временем срабатывания 0,02 с), а так называемое селективное (отличается буквой S в маркировке), время срабатывания которого чуть больше - 0,3-0,5 с. Более длительное время срабатывания даст возможность среагировать на возникшую утечку и отключиться устройствам "первой линии" (УЗО на 10 и 30 мА, защищающим отдельные электроприборы или линии дома/квартиры). И только если те почему-либо не "сработали", отключит всю схему электроснабжения целиком. "Вводное" УЗО также отключит электроэнергию во всем доме при пожаре, вызванном неисправностью электропроводки.

dimp, как считаешь стоит ли так делать в квартире, или делать всё по первой схеме. Если по первой, то последний вопрос и я иду в магазин :rolleyes:

- Каким наминалом ставить оба УЗО(30Ма?) и насколько ампер?

post-26677-1251285428_thumb.jpg

Изменено пользователем Dren

блин ну если читаешь что то и приводишь цитату - ну приведи её полностью, там же написано что это узо должно быть на 100мА не меньше и к ванной его привязывать не надо делай схему из 8 сообщения первое узо на 40А 100мА (на вырост :)) а второе на 25,32,40 А 30мА (какое найдешь лучше на 40 взять тоже на вырост)

блин ну если читаешь что то и приводишь цитату - ну приведи её полностью, там же написано что это узо должно быть на 100мА не меньше

dimp ну я для наглядности просто, чтоб ты понял о чём я толкую..

Значит всё таки вторая схема более рабочая, тебя тоже не поймёшь, то первую, то вторую.. посмотри пожалуйста в последний раз, всё правильно?

post-26677-1251311271_thumb.jpg

да как вопросы задаются так и отвечаю :) я же тоже не ведун - додумывать за каждым что он хотел выразитьрабочие обе схемы просто если очень хочется то делай последнюю (кстати буква М это Мега 10 в 6степени, а там токи с буквой м - милли 10 в минус 3 степени) единственное что мне не нравится в ней то что розетка (где телефон) и то что после автомата (пустой который) будут без узо на 30мА , кстати те токи что в статье (цитата откуда) расписаны великоваты, для некоторых людей тока выше 50мА уже бывает достаточно для пораженияи на свет узо лучше не ставить (это к схеме из 10 поста :) )

dimp спасибо тебе большое за ответы, честное слово самому разобратся очень трудно без советов :beer:

единственное что мне не нравится в ней то что розетка (где телефон) и то что после автомата (пустой который) будут без узо на 30мА

Так, а что мне мешает тогда просто поставить вводное УЗО на первую схему? Там всё идёт через УЗО, и отличается от второй только наличием вводного УЗО :blink: Значит более идеальной.. или как там, селективной(?) будет выгледеть разводка с применением вводного УЗО_100Ма_40А и отдельных УЗО_30Ма_40А на линии?

и на свет узо лучше не ставить (это к схеме из 10 поста )

Почему? Свет в ванной и туалете вроде как влажное помещение.. если только свет коридор+розетка телефон=безопасная зона и установка УЗО будет лишним? Я так понимаю? :huh:

пс..

кстати буква М это Мега 10 в 6степени, а там токи с буквой м - милли 10 в минус 3 степени

[emoe]

узо - как масло в каше, лишним никогда не будетсвет - потому что он чаще всего на потолке где нет металлических коммуникаций, а при той же заливке (привет от соседа) свет останетсяа быквы опять кривые написал :) в узо токи измеряются в А (амперах) мА - миллиамперы, а что за символы у тебя Ма - я и не знаю

В квартире с нор-ным заземлением ставьте общее УЗО(после счетчика) на 30мА( это 0,03 ампер),если очень нужно отдельно на стиралку-то 10мА( это 0,01 ампер),можно поставить 2 сразу общее 30мА и "ниже" на линию 10 мА.Сечение провода -считайте одновременно включенные потребители,если ток не больше 16А(2,5-2,7КВт можете подключать спокойно) - 2,5 мм. кв. меди!Автомат тоже на 16А тогда.Проводка - провода только с цельной жилой,а не теми где жила из множества тонких проволочек. Общее УЗО на квартиру(30 мА) - т.е. на свет и розетки. Отдельно УЗО на линию света не ставятся.Если нет в квартире заземления(3-го провода к розеткам) ,то и УЗО на фиг не надо-работать оно не будет.Зануление ванн,раковин и т.п. - если нет отдельной жилы в щите именно для этого-тоже на фиг( смысла нет).Заземлять(и пытаться занулить) на водопроводные трубы и т.п. нельзя!. Свет и розетки выполняются отдельными группами. Группу света коридора,в целях экономии если проводка позволяет-можно "посадить" на кухню.

Проводка - провода только с цельной жилой,а не теми где жила из множества тонких проволочек. Свет и розетки выполняются отдельными группами.

отфильтрую :) вот это единственные здравые мысли, усё остальное либо бред, либо не довыраженная здравая мысль
(изменено)

.Если нет в квартире заземления(3-го провода к розеткам) ,то и УЗО на фиг не надо-работать оно не будет

Вот это выпад.. Аргументы?! Ты сейчас прям приказал моим схемам долго жить :o такого я ещё ни где не читал..пс.. проводку всю взял ВВГ 1,5-2,5*2 Изменено пользователем Dren

В квартире с нор-ным заземлением ставьте общее УЗО(после счетчика) на 30мА( это 0,03 ампер)

почему после счетчика и почему именно на 30???

Если нет в квартире заземления(3-го провода к розеткам) ,то и УЗО на фиг не надо-работать оно не будет.

вот эти выводы взяты с потолка, будет и работает

Группу света коридора,в целях экономии если проводка позволяет-можно "посадить" на кухню.

чаще всего кухня и коридор смежные помещения, поэтому лучше их "сажать" раздельно, кухня относится к разряду "заливаемых" помещений, а в коридоре вешают (обычно щиток) если свет вырубится и там и там, нужен фонарик

Для публикации сообщений создайте учётную запись или авторизуйтесь

Вы должны быть зарегистрированным пользователем, чтобы оставить комментарий

Создать учетную запись

Зарегистрируйтесь в нашем сообществе.

Зарегистрироваться

Войти

Уже есть аккаунт? Войти в систему.

Войти

Или войти с помощью одного из сервисов



  • Наши рекомендации

    • Подходы к ремонту старых домов в России
      В России сотни тысяч старых домов, многие из которых являются не только свидетельством исторического наследия, но и отражением уникальной культуры и традиций страны. Эти дома, будь то деревянные избы или старинные каменные постройки, сохраняют в себе дух времени и рассказывают историю поколений.

      • 0 ответов
    • Аккумуляторные пилы  SCW и  SCM  22-A
      После того как провёл тесты, приступил к самому главному. Поменять диски местами, и проверить, как инструмент на это отреагирует, ведь они внешнее и походу внутренне практически одинаковые, пила по дереву конечно более навороченее, есть настройки угла наклона и можно на шину посадить через адаптер.

      • 4 ответа
    • Газовые котлы: эффективное, экономичное и экологичное решение для отопления вашего дома
      В современном мире, где комфорт и устойчивость стали ключевыми аспектами повседневной жизни, выбор правильного источника отопления дома становится особенно актуальным. Газовые котлы, сочетая в себе преимущества эффективности, экономичности и экологичности, представляют собой одно из наиболее популярных решений для обеспечения комфортной температуры в жилых и коммерческих помещениях.

      • 0 ответов
    • Кажись всё или строительный пылесос с тройной мультициклонной ступенью очистки
      Кажись всё или строительный пылесос с тройной мультициклонной ступенью очистки

        • Нравится
      • 16 ответов
    • Люк для кошек своими руками
      Разумеется давно придуманы и продаются специальные лючки для кошек, которые можно врезать в дверь, но мы ведь не ищем легких путей . Да и по зоомагазинам я не хожу, а "гугление" показало, что такие люки для кошек стоят относительно не дешево. В то же время под рукой были два "копеечных" сантехнических пластиковых лючка для ГКЛ. Все что оставалось, так это обломать фиксаторы крышек, что бы они открывались в обе стороны, ровно выпилить отверстие в двери, да вклеить симметрично эти лючки.

      То, что получилось видно на фото. Разумеется это не для тех, у кого "дизайнерский ремонт", но для обыкновенной квартиры вполне подходит. Недостатков не замечено, животных и людей всё устраивает .


      Реакцию форумчан на этот люк можно узнать в этой теме https://homemasters.ru/...me/?p=330637

        • Ого
      • 6 ответов
    • Вторая жизнь дивана: искусство ремонта мягкой мебели своими руками
      В эпоху беспрерывного потребления и стремления к новизне, ремонт старой мягкой мебели своими руками приобретает не просто практическое, но и глубоко философское значение. Это действие как знак уважения к труду мастеров, которые вложили свое мастерство в создание диванов, кресел и пуфов, и как воплощение идеи устойчивого потребления. С каждым возвращенным к жизни предметом мебели, мы не только сохраняем историю и уникальность каждого изделия, но и противостоим бездумному обновлению интерьера за счет экологии и рационального использования ресурсов.

        • Нравится
      • 0 ответов
    • Дома из сруба: идеальное сочетание уюта и прочности.
      Строительство собственного дома является важной вехой в жизни любого человека, поскольку оно знаменует собой важное событие. Выбор строительных материалов имеет огромное значение для создания теплого и функционального жилища. На протяжении всей древней истории древесина была распространенным материалом для строительства домов, что отразилось на различных культурах мира.

      • 0 ответов
    • Как построить теплый дом, не тратя лишних денег
      Строительство гостевого дома решил выделить в отдельную тему, так будет меньше путаницы.


        • Спасибо
        • Нравится
      • 239 ответов
×
×
  • Создать...

Важная информация

Мы разместили cookie-файлы на ваше устройство, чтобы помочь сделать этот сайт лучше. Вы можете изменить свои настройки cookie-файлов, или продолжить без изменения настроек.