Перейти к содержанию
Форумы о ремонте и строительстве

Автоматы и УЗО

Оценить эту тему:


Strong

Рекомендуемые сообщения

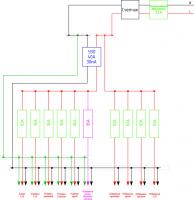
Получается вот такая схема. Хотелось чтоб не как в фильме:- "Эти ягоды есть можно?"- "Можно... но отравишься" :)И хочется еще добавить защиту от перенапряжения. Лучше, я так понял, что нужно ставить реле и контактор?

post-30239-1260793150_thumb.jpg

УЗО на свет - это больше защита от пожара, чем от поражения? тогда может лучше поставить противопожарное узо после счетчика на 0,3А. И для успокоения - схема с заземлением нормальная? ничего не может произойти в случае обрыва нуля? И по поводу защиты от перенапряжения, что лучше?

В общем то идея повесить землю на ноль абсурдна в принципе. Вы уверены, что ноль по сети и земля имеют одинаковый потенциал? Я например нет. Один раз видел 80 В между землей и нулем, а при хороших условиях такое и прибить может (может человек и выживет, а вот собачка или кошечка вряд ли). И УЗОха тут не спасет, т.к. потенциал с корпуса прибора (который "заземлен" уйдет в реальную землю в обход УЗОхи через проводник (собачка, кошечка, человек) (Так что не советую вешать возможный потенциал на корпуса приборов (к которым земля подключена). Если дом частный, может есть смысл попробовать заземление сделать? Чтобы было по человечески. Не так это и сложно, забить несколько железок в землю, этого будет вполне достаточно для защиты.

Вот прочитал...

"Автоматическое устройство ASP-1V применяется совместно с электромагнитным контактором (пускателем) до 100А, катушка которого рассчитана на напряжение 220 вольт. Устанавливается на вводе электроэнергии при однофазном питании. При трёхфазном питании устанавливается на розеточные группы и группы освещения."

Вот и схемку нашел... вдруг кому пригодиться :rolleyes:

В общем то идея повесить землю на ноль абсурдна в принципе.

На сайте подключения асп рекомендуют -

Рекомендуемые схемы включения:

а) при наличии защитного заземления

б) при отсутствии защитного заземления

post-30239-1260798565_thumb.gif

post-30239-1260798781_thumb.gif

УЗО на свет - это больше защита от пожара, чем от поражения?

да - её вам предлагал, но вы в схеме проигнорировали

В общем то идея повесить землю на ноль абсурдна в принципе.

нравятся мне котегоричные люди до безобразия :) дайте мне шашку, а рука у меня постоянно машет :D вы свои принципы пересмотрите - читая ПУЭ

Один раз видел 80 В между землей и нулем

а если ноль оторвать совсем, то между ними и 220 будет (причину не там ищите)

Если дом частный, может есть смысл попробовать заземление сделать? Чтобы было по человечески.

и ноль туда завести?

Вот и схемку нашел... вдруг кому пригодиться

спасибоо конешно - но это уже обcуждалась https://homemasters.ru/...ire/?p=60217

да - её вам предлагал, но вы в схеме проигнорировали

Тут одно УЗО по деньгам кусается... :rolleyes:, но дом то дороже..., это все понятноВот схемка, надеюсь с контактором не перепутал провода :blink:

post-30239-1260802607_thumb.jpg

перепутали, выход avp (красный внизу) идет не на фазу (красный сверху у вас) а на катушку контактора (сверху левый - у вас он на нуле сидит)и узо бы вводное (на 300мА) я бы запихнул как можно ближе к вводу (либо после вводного, либо после счетчика) не знаю вашего расположения

На сайте подключения асп рекомендуют -

А если при разнице потенциала (при хорошей разнице с хорошим током) кого то прибьет Вы пойдете в АСП жаловаться на то, что они у себя на сайте косячную схему повесили? Повторяю, потенциал на нуле может быть очень даже серьезный, особенно при повреждении в сети при отдельных схемах подключения (т.н. изолированная нейтраль). Земля - защита. У нее потенциал должен быть 0 В. И именно этот 0 В подключается к корпусам электрооборудования. Тут же вы предлагаете засадить на корпуса возможный потенциал, т.о. Вы сами себя ставите в условия возможного поражения электротоком, т.к. пути утечки через тело, пол, и далее в планета Земля никто не отменял. Причем это все пойдет в обход УЗО. При попутном ветре и хороших условиях (влажное, потное тело, мокрый пол и т.д. ток может быть очень даже приличный). В данном случае, или делайте нормальное заземление для себя, или вообще откажитесь от него. При отказе от него весь возможный ток пойдет через УЗОху, которая при правильном выборе (до 30 мА) защитит Вас от возможного поражения током (если вы конечно не воткнете в розетку 2 пальца между нулем и фазой).

нравятся мне котегоричные люди до безобразия :) дайте мне шашку, а рука у меня постоянно машет :D вы свои принципы пересмотрите - читая ПУЭ

Что то я не помню, чтобы в ПУЭ такой бред допускали. А вообще то почитайте МЭК. Фирмачи - они как то более грамотные в этом.

а если ноль оторвать совсем, то между ними и 220 будет (причину не там ищите)

Будет, будет. При отвалившемся (отгоревшем) нуле (не редкий случай, особенно где то в основном щите или КТП) при данной схеме еще 220 В окажется и на корпусах тех приборов, которые думают что защищены по схемке АСП. В данном случае будет уже не до причины, а как бы минимизировать последствия.

и ноль туда завести?

Можно. Если только до УЗОхи. И проводник долго вряд ли будет жить при хорошем заземлении и плохом нуле. Т.к. домик частный, не думаю, что в сети там все идеально.

Что то я не помню, чтобы в ПУЭ такой бред допускали. А вообще то почитайте МЭК. Фирмачи - они как то более грамотные в этом.Будет, будет. При отвалившемся (отгоревшем) нуле (не редкий случай, особенно где то в основном щите или КТП) при данной схеме еще 220 В окажется и на корпусах тех приборов, которые думают что защищены по схемке АСП. В данном случае будет уже не до причины, а как бы минимизировать последствия.Можно. Если только до УЗОхи. И проводник долго вряд ли будет жить при хорошем заземлении и плохом нуле. Т.к. домик частный, не думаю, что в сети там все идеально.

При отвалившемся нуле, АСП отключит входной контактор. И все ужасы, живописно тут расписанные, не смогут произойти. Имхо. :)
(изменено)

При отвалившемся нуле, АСП отключит входной контактор. И все ужасы, живописно тут расписанные, не смогут произойти. Имхо. :)

Как говорил один немец - "Странны вы люди, русские. Всю машину иконками обвешаете вместо того, чтобы взять и пристегнуться ремнем безопасности"По мне так нормально сделанная система электроснабжения гораздо лучше, чем всякое АСП, собранное непонятно кем и непонятно где, и подключенное непонятно как.И ужасы я расписывал при нейтрали на земле. И они никакого отношения не имеют к АСП. Напряжение в нейтрали - земля реальная будет в сельской местности при наличиии длинных воздушных линий. Вопрос в их величине. А то мало не покажется. Изменено пользователем ArVicBor
(изменено)

Дом подключен к воздушной линии. протяженность точно не скажу, но думаю не больше 2 км. Получается, что проблемы могут возникнуть если ноль до ввода в дом отгорит? Но тогда должен сработать АСП.

Знакомый АИСКУЭсовец советует "цифровой барьер" из таких , правда один уже у него сгорел <_< , что по этому поводу посоветуете?

Схему переделал

post-30239-1260869321_thumb.jpg

Изменено пользователем dimp

Дом подключен к воздушной линии. протяженность точно не скажу, но думаю не больше 2 км. Получается, что проблемы могут возникнуть если ноль до ввода в дом отгорит? Но тогда должен сработать АСП.

не большая протяженность (это -перепады не большие будут ), если ноль отгорит (отвалится) до ввода просто пропадет питание вашего дома , единственный случай криминальный для 2х проводки это отгорание на ТП на самом трансформаторе (редко очень но бывает, я знаю про один такой) но в любом из этих случаев ваш дом обесточится как некоторые нам пишут про

всякое АСП, собранное непонятно кем и непонятно где, и подключенное непонятно как.

может и соглашусь но у вас ещё к нему стоит контактор (который отвалится по любому) ну не держит катушка без напряженияцифровой барьер это теже яйца - только сбоку что и AVP

Что то я не помню, чтобы в ПУЭ такой бред допускали.

не надейтесь на память - лучше полистайте (полезнее :) )

Можно. Если только до УЗОхи.

ну это точно к доктору не ходи - заводить до ввода в дом надо, иначе узо не поднять

Будет, будет. При отвалившемся (отгоревшем) нуле (не редкий случай, особенно где то в основном щите или КТП)

я лично - другое имел в виду - ноль на линии отвалился (либо при вооде в дом - линия двухпроводная) вот фаза через нагрузку и будет давать 220 между нолем и землёй
(изменено)

Ну в общем пишу последнее мнение свое. Для уважаемого dimpа, который подбивает людей непонятно на что и при этом оперирует ПУЭ, в котором такого в принципе нет. Привожу выдержки из "Руководства по устройству электроустановок" Шнайдера, которое написано в полном соответствии с МЭК - Международная энергетическая комиссия (туда входят ВСЕ более менее грамотные эксперты из ВСЕХ развитых стран мира)В файле 1 рекомендации по применению заземлений для различных видов нагрузок.В файле 2 критерии выбораВ файле 3 типовые схемы разных заземлений.Дык вот, то, что предлагает dimp - бред, просто опасный для жизни. Заземление через 2 км. от дома не является заземлением, и на схеме с PEN нейтралью это четко показано. Заземление в КТП и заземление у потребителя. К тому же TN-C (а именно на это в извращенном виде кивают) не допускается для проводников менее 10 кв.мм., переносных приборов и т.д.

Scane001.pdf

Scane002.pdf

Scane003.pdf

Изменено пользователем ArVicBor

не большая протяженность (это -перепады не большие будут ),

Это 2 км. не большая линия по сельским масштабам при наличии кучи разных потребителей? Да вы что батенько.... этого более чем достаточно чтобы вместо нуля там полный букет был. Мне что то не верится, что эта линия только к человеку в дом идет.

может и соглашусь но у вас ещё к нему стоит контактор (который отвалится по любому) ну не держит катушка без напряженияцифровой барьер это теже яйца - только сбоку что и AVP

Проблему перенапряжений вообще не рассматривал. Или нормальное оборудование ставить, или никакое.

не надейтесь на память - лучше полистайте (полезнее :) )

Ткните где это написано. Про то, что корпуса приборов на ноль сажать можно.

я лично - другое имел в виду - ноль на линии отвалился (либо при вооде в дом - линия двухпроводная) вот фаза через нагрузку и будет давать 220 между нолем и землёй.

А типа соседей на этой фазе у нас нету? Или у них все приборы выключены? В данной схеме все 220 окажутся на корпусах (микроволновка, стиралка, котел и т.д.)

Ну и dimp-у вдогонку. Изучаем ПУЭ:

1.7.131. В многофазных цепях в системе TN для стационарно проложенных кабелей, жилы которых имеют площадь поперечного сечения не менее 10 мм2 по меди или 16 мм2 по алюминию, функции нулевого защитного (РЕ) и нулевого рабочего (N) проводников могут быть совмещены в

одном проводнике (PEN-проводник).

Есть сомнения, что у человека сечения в доме выдержаны, проложены кабелем стационарно и многофазные

1.7.132. Не допускается совмещение функций нулевого защитного и нулевого рабочего проводников в цепях однофазного и постоянного тока. В качестве нулевого защитного проводника в таких цепях должен быть предусмотрен отдельный третий проводник. Это требование не распространяется на ответвления от ВЛ напряжением до 1 кВ к однофазным потребителям электроэнергии.

Прошу обратить внимание, что только на ответвления

1.7.135. Когда нулевой рабочий и нулевой защитный проводники разделены начиная с какой-либо точки электроустановки, не допускается объединять их за этой точкой по ходу распределения энергии. В месте разделения PEN-проводника на нулевой защитный и нулевой рабочий проводники необходимо предусмотреть отдельные зажимы или шины для проводников, соединенные между собой. PEN-проводник питающей линии должен быть подключен к зажиму или шине нулевого защитного РЕ-проводника.

Т.е. если очень хочется, то можно. Но место разделения заземлите

В заключении можно рассмотреть еще требования к сопротивлению защитного РЕ проводника относительно земли, однако мне кажется, что 2 км. линии переплюнут все эти нормы на порядок.

Как я посмотрю, однозначного решения по этому вопросу не нашлось, значит лучше все таки подвести проводку на шину РЕ, а уже потом сделаю заземление возле дома и кину проводник на шину.

Это 2 км. не большая линия по сельским масштабам при наличии кучи разных потребителей? Да вы что батенько.... этого более чем достаточно чтобы вместо нуля там полный букет был. Мне что то не верится, что эта линия только к человеку в дом идет.

Ну не в сельской местности а в частном секторе города :), но про букет это верно, только от одного столба дома 4 запитано и стока соплей :lol:
(изменено)

От магистральных проводов - алюминий 16мм2,- распредкоробка - алюминий 10мм2 - вводной автомат.Получается я могу бросить от коробки еще один провод 10мм2 алюминия на функцию РЕN? (Это вроде требование для трехфазного тока, там сечения допускаются меньшие, а в моем случае однофазный ток)

Изменено пользователем Gausho

Для публикации сообщений создайте учётную запись или авторизуйтесь

Вы должны быть зарегистрированным пользователем, чтобы оставить комментарий

Создать учетную запись

Зарегистрируйтесь в нашем сообществе.

Зарегистрироваться

Войти

Уже есть аккаунт? Войти в систему.

Войти

Или войти с помощью одного из сервисов



  • Наши рекомендации

    • Люк для кошек своими руками
      Разумеется давно придуманы и продаются специальные лючки для кошек, которые можно врезать в дверь, но мы ведь не ищем легких путей . Да и по зоомагазинам я не хожу, а "гугление" показало, что такие люки для кошек стоят относительно не дешево. В то же время под рукой были два "копеечных" сантехнических пластиковых лючка для ГКЛ. Все что оставалось, так это обломать фиксаторы крышек, что бы они открывались в обе стороны, ровно выпилить отверстие в двери, да вклеить симметрично эти лючки.

      То, что получилось видно на фото. Разумеется это не для тех, у кого "дизайнерский ремонт", но для обыкновенной квартиры вполне подходит. Недостатков не замечено, животных и людей всё устраивает .


      Реакцию форумчан на этот люк можно узнать в этой теме https://homemasters.ru/...me/?p=330637

        • Ого
      • 6 ответов
    • Кажись всё или строительный пылесос с тройной мультициклонной ступенью очистки
      Кажись всё или строительный пылесос с тройной мультициклонной ступенью очистки

        • Нравится
      • 16 ответов
    • Подходы к ремонту старых домов в России
      В России сотни тысяч старых домов, многие из которых являются не только свидетельством исторического наследия, но и отражением уникальной культуры и традиций страны. Эти дома, будь то деревянные избы или старинные каменные постройки, сохраняют в себе дух времени и рассказывают историю поколений.

      • 0 ответов
    • Газовые котлы: эффективное, экономичное и экологичное решение для отопления вашего дома
      В современном мире, где комфорт и устойчивость стали ключевыми аспектами повседневной жизни, выбор правильного источника отопления дома становится особенно актуальным. Газовые котлы, сочетая в себе преимущества эффективности, экономичности и экологичности, представляют собой одно из наиболее популярных решений для обеспечения комфортной температуры в жилых и коммерческих помещениях.

      • 0 ответов
    • Вторая жизнь дивана: искусство ремонта мягкой мебели своими руками
      В эпоху беспрерывного потребления и стремления к новизне, ремонт старой мягкой мебели своими руками приобретает не просто практическое, но и глубоко философское значение. Это действие как знак уважения к труду мастеров, которые вложили свое мастерство в создание диванов, кресел и пуфов, и как воплощение идеи устойчивого потребления. С каждым возвращенным к жизни предметом мебели, мы не только сохраняем историю и уникальность каждого изделия, но и противостоим бездумному обновлению интерьера за счет экологии и рационального использования ресурсов.

        • Нравится
      • 0 ответов
    • Аккумуляторные пилы  SCW и  SCM  22-A
      После того как провёл тесты, приступил к самому главному. Поменять диски местами, и проверить, как инструмент на это отреагирует, ведь они внешнее и походу внутренне практически одинаковые, пила по дереву конечно более навороченее, есть настройки угла наклона и можно на шину посадить через адаптер.

      • 4 ответа
    • Дома из сруба: идеальное сочетание уюта и прочности.
      Строительство собственного дома является важной вехой в жизни любого человека, поскольку оно знаменует собой важное событие. Выбор строительных материалов имеет огромное значение для создания теплого и функционального жилища. На протяжении всей древней истории древесина была распространенным материалом для строительства домов, что отразилось на различных культурах мира.

      • 0 ответов
    • Как построить теплый дом, не тратя лишних денег
      Строительство гостевого дома решил выделить в отдельную тему, так будет меньше путаницы.


        • Спасибо
        • Нравится
      • 259 ответов
×
×
  • Создать...

Важная информация

Мы разместили cookie-файлы на ваше устройство, чтобы помочь сделать этот сайт лучше. Вы можете изменить свои настройки cookie-файлов, или продолжить без изменения настроек.