Перейти к содержанию
Форумы о ремонте и строительстве

Включение освещения по телефону

Оценить эту тему:


poisen

Рекомендуемые сообщения

Опубликовано

Есть релюшки, которые замыкают свой контакт при звонке телефона. Как включить пускатель понятно, а вот как отключить при том же звонке на тот же номер

А какой телефон планируется модернизировать - обычный с колесом или электронный с кнопочками? В принципе для такой схемы можно использовать поляризованное реле,которое при первой подаче напряжения на катушку замыкает одну группу контактов и остается в этом положении без напруги,а при второй подаче напруги замыкает другую группу и тоже остается в этом положении.

(изменено)

А что есть разница в телефоне? Сигнал то ведь в любом случае приходит. И телефон не планировал модернизировать!Что то не прихоилось мне сталкиваться с таким реле. Где его найти? А по другому никак нельзя? При помощи пускателя, его блок-контактов и реле, которое используется для повторителя телефонного звонка?

Изменено пользователем poisen

Цель такова-на большом расстоянии включать и отключать освещение периметра. В основном в ночное время. Фото реле не подходит так как часто бывают туманы-отключается или включается в дневное время. Иногда глазок отпотевает.Так что выбор пал на такое решение- именно по телефону

Это требует дополнительных затрат+преград слишком много, нужен будет мощный радио сигнал, да и неудобно будет

Расстояние какое, всё-таки? :)Стандартные бытовые радиопереключатели позиционируются на дальность до 50-ти метров. Причём, не обязательно использовать один мощный передатчик, возможно создать что-то типа "радиорелейной линии" из цепочки маломощных приёмников\передатчиков.И ещё. Не знаю, какое фотореле вы юзали, но, существуют т.н. "сумеречные переключатели". Запотевание им не страшно, пределы регулировки уровня освещённости - тоже значительные.

есть платы сигнализаций gsm там по смс есть функции включения и отключенияесть програмируемые таймеры (включают - выключают по заложенной программе)

Если все-таки решишь сделать от телефона,то по всякому придется делать отдельный блок для управления контактором.Чтобы система работала на включение и отключение одной релюшкой точно не обойдешься,надо собирать схему,на релюшках или электронную,со своим питанием.Сильно просто сделать не получится,поэтому не стОит из несложных отбрасывать вариант с фотореле.Диапазон регулировки уровня срабатывания у современных фотореле очень широк,есть и с защитой от ложных срабатываний.Устанавливаешь его в помещении,датчик на окно и ничего не будет запотевать. :)

Есть релюшки, которые замыкают свой контакт при звонке телефона.

а сколько контактов (и каких) у таких релюшек?

Реле времени с программатором тем и бОнально ;) ,что его замучишься программировать.В наших краях,особенно зимой,световой день меняется очень быстро,придется программировать на каждый день поминутно,а это нудно :D. Плюс пасмурная погода в этих условиях тоже сильно влияет на освещенность,а тут уж не угадаешь.

да нет есть прошитые зарание и для разных часовых зон разные прошивки

Дело в том что мой коллега утверждает обратное, что такая схема есть, но ее не помнит-возраст. Он ее называет тригерной.Пусть отдельный блок управления пускателя, пусть парочка релюшек будет, но всё же. Тут дело принципа-нужно именно через телефон. На работе нас-электриков просто назвали балбесами- причем никто другой как Киповцы. Нужно чтобы позвонил- свет включился- позвонил еще раз откл. Говорят , что из того что имеется не сделать, но мой коллега уверен в обратном. Просто не помнит схемку.

есть релюшки, которые замыкают свой контакт при звонке телефона

вот вы дайте название такой релюшки или схемку - приделать к ней тригер проблем нет

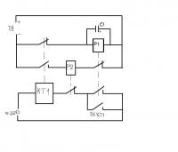
Короче,схемка примерно такая.Главная задача для работы этой схемы получить со звонка телефона напряжение U1 равное рабочему напряжению релюшек Р1 и Р2. Релюшки желательно поставить на постоянку.Для этого надо будет замутить какой выпрямитель или источник,который работает от напряжения вызова с телефонной сети,а на выходе дает U1.

post-9894-1260504287_thumb.jpg

(изменено)

Собственно говоря, есть так называемое поляризованное реле, которое как раз для этого предназначено. Однако тут надо помнить специфику телефонной линии, а именно наличие постоянного напряжения на линии в момент простоя (порядка 100В) и подача переменной надстройки (до 100 В выше постоянной составляющей) в момент вызова для звонка телефона. Если тупо подрубить релюху, то она встанет в одном положении, если срезать постоянку, то в момент звонка при подаче переменки релюха будет просто дребезжать, следовательно на нее напряжение надо выровнять и устранить пульсацию. Т.е. на входе надо поставить стабилитрон (для обрезки постоянной составляющей) и электролит на землю для сглаживания пульсации.В общем, я так понимаю, что телефон тут работать то вряд ли будет, а то при звонках народа периметр обморгается, не проще ли попросить КИПовцев, чтобы перекоммутировали линию телефона на простой выключатель. И на АТС свободный номер выделился бы.....

Изменено пользователем ArVicBor

наличие постоянного напряжения на линии в момент простоя (порядка 100В)

не это много там около 60 В постоянки

подача переменной надстройки (до 100 В выше постоянной составляющей)

а при вызове 130В

Для публикации сообщений создайте учётную запись или авторизуйтесь

Вы должны быть зарегистрированным пользователем, чтобы оставить комментарий

Создать учетную запись

Зарегистрируйтесь в нашем сообществе.

Зарегистрироваться

Войти

Уже есть аккаунт? Войти в систему.

Войти

Или войти с помощью одного из сервисов



  • Наши рекомендации

    • Кажись всё или строительный пылесос с тройной мультициклонной ступенью очистки
      Кажись всё или строительный пылесос с тройной мультициклонной ступенью очистки

        • Нравится
      • 16 ответов
    • Газовые котлы: эффективное, экономичное и экологичное решение для отопления вашего дома
      В современном мире, где комфорт и устойчивость стали ключевыми аспектами повседневной жизни, выбор правильного источника отопления дома становится особенно актуальным. Газовые котлы, сочетая в себе преимущества эффективности, экономичности и экологичности, представляют собой одно из наиболее популярных решений для обеспечения комфортной температуры в жилых и коммерческих помещениях.

      • 0 ответов
    • Люк для кошек своими руками
      Разумеется давно придуманы и продаются специальные лючки для кошек, которые можно врезать в дверь, но мы ведь не ищем легких путей . Да и по зоомагазинам я не хожу, а "гугление" показало, что такие люки для кошек стоят относительно не дешево. В то же время под рукой были два "копеечных" сантехнических пластиковых лючка для ГКЛ. Все что оставалось, так это обломать фиксаторы крышек, что бы они открывались в обе стороны, ровно выпилить отверстие в двери, да вклеить симметрично эти лючки.

      То, что получилось видно на фото. Разумеется это не для тех, у кого "дизайнерский ремонт", но для обыкновенной квартиры вполне подходит. Недостатков не замечено, животных и людей всё устраивает .


      Реакцию форумчан на этот люк можно узнать в этой теме https://homemasters.ru/...me/?p=330637

        • Ого
      • 6 ответов
    • Вторая жизнь дивана: искусство ремонта мягкой мебели своими руками
      В эпоху беспрерывного потребления и стремления к новизне, ремонт старой мягкой мебели своими руками приобретает не просто практическое, но и глубоко философское значение. Это действие как знак уважения к труду мастеров, которые вложили свое мастерство в создание диванов, кресел и пуфов, и как воплощение идеи устойчивого потребления. С каждым возвращенным к жизни предметом мебели, мы не только сохраняем историю и уникальность каждого изделия, но и противостоим бездумному обновлению интерьера за счет экологии и рационального использования ресурсов.

        • Нравится
      • 0 ответов
    • Как построить теплый дом, не тратя лишних денег
      Строительство гостевого дома решил выделить в отдельную тему, так будет меньше путаницы.


        • Спасибо
        • Нравится
      • 259 ответов
    • Аккумуляторные пилы  SCW и  SCM  22-A
      После того как провёл тесты, приступил к самому главному. Поменять диски местами, и проверить, как инструмент на это отреагирует, ведь они внешнее и походу внутренне практически одинаковые, пила по дереву конечно более навороченее, есть настройки угла наклона и можно на шину посадить через адаптер.

      • 4 ответа
    • Дома из сруба: идеальное сочетание уюта и прочности.
      Строительство собственного дома является важной вехой в жизни любого человека, поскольку оно знаменует собой важное событие. Выбор строительных материалов имеет огромное значение для создания теплого и функционального жилища. На протяжении всей древней истории древесина была распространенным материалом для строительства домов, что отразилось на различных культурах мира.

      • 0 ответов
    • Подходы к ремонту старых домов в России
      В России сотни тысяч старых домов, многие из которых являются не только свидетельством исторического наследия, но и отражением уникальной культуры и традиций страны. Эти дома, будь то деревянные избы или старинные каменные постройки, сохраняют в себе дух времени и рассказывают историю поколений.

      • 0 ответов
×
×
  • Создать...

Важная информация

Мы разместили cookie-файлы на ваше устройство, чтобы помочь сделать этот сайт лучше. Вы можете изменить свои настройки cookie-файлов, или продолжить без изменения настроек.