Перейти к содержанию
Форумы о ремонте и строительстве

Вентилятор в санузле, включающийся от двух выключателей...

Оценить эту тему:


Рекомендуемые сообщения

Опубликовано

Здравствуйте...Хочу на ванную и туалет поставить один вытяжной вентилятор, который включался бы при включении света в каждом из помещений. Как я понимаю, на прямую соединить его со светом будет неправильно, т.к. при включении света в туалете, включиться свет в ванной, и наоборот. Думаю реализовать это через контакторы, а именно соединить:1. Выключатель света в туалете - свет в туалете;2. Выключатель света в ванной - свет в ванной;3. Выключатель света в туалете - контактор - вентилятор - контактор - Выключатель света в ванной;Все верно? Может есть более легкий способ?

Пока что немного занят, но с контакторами очень жестко :) Навскидку - два запараллеленых фотореле в ванной и туалете, включающие вентилятор при появлении света. А самый логичный вариант немного не тот, что нужен вам - это вентилятор с датчиком влажности в ванной, включающийся автоматически при повышенной влажности и вентилятор в туалете, запараллеленый с выключателем света в туалете. Никаких лишних приспособлений, все просто :)

Пока что немного занят, но с контакторами очень жестко :) Навскидку - два запараллеленых фотореле в ванной и туалете, включающие вентилятор при появлении света. А самый логичный вариант немного не тот, что нужен вам - это вентилятор с датчиком влажности в ванной, включающийся автоматически при повышенной влажности и вентилятор в туалете, запараллеленый с выключателем света в туалете. Никаких лишних приспособлений, все просто :)

Идея как раз в том, что я хочу поставить 1 вентилятор на 2 помещения, чтобы 2 гофры не тянуть, не покупать 2 вентилятора и т.п. А еще дополнительно хочу поставить или таймер на выключения, или датчик влажности.

чтобы 2 гофры не тянуть,

Если нужно тянуть гофры, то конечно. Я имел в виду вариант, когда ванная сообщается с вентканалом через туалет, то есть один вентилятор вставляется в перегородку между ванной и туалетом, а второй - непосредственно в отверстие вентканала.

Если нужно тянуть гофры, то конечно. Я имел в виду вариант, когда ванная сообщается с вентканалом через туалет, то есть один вентилятор вставляется в перегородку между ванной и туалетом, а второй - непосредственно в отверстие вентканала.

К сожалению не так, поэтому и придумываю схему...

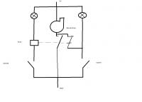
Ну простейшая схема чтоб работала как ты описАл примерно такая( см.рис).Контактор это круто, достаточно реле на 220В,через нормальнозамкнутые контакты идет включение вентилятора из туалета, через нормальноразомкнутые из ванной (или наоборот,разницы нет).Но если с датчиками и таймерами уже сложнее будет. :)

post-9894-1289399250_thumb.jpg

Ну простейшая схема чтоб работала как ты описАл примерно такая( см.рис).Контактор это круто, достаточно реле на 220В,через нормальнозамкнутые контакты идет включение вентилятора из туалета, через нормальноразомкнутые из ванной (или наоборот,разницы нет).Но если с датчиками и таймерами уже сложнее будет. :)

Спасибо.
  • 3 недели спустя...
  • 9 месяцев спустя...

2 Evgenik
Прошу прощения за подъем старой темы, но образовался вопрос. Вентиллятор с таймером ведь по этой схеме работать не должен?
Как тогда можно его подключить?
Спасибо большое.

Я вот тоже дабы не плодить тем свой простенький вопрос озвучу. Двухсторостной вентилятор в совмещенном с/у. Три контакта: фаза 1, фаза 2, ноль. Как обычно. Включается клавишей принудительно (так задумано). Надо вставить реле влажности, чтобы оно само перекидывало фазу с ф1 на ф2. Что это может быть за реле?

buka,тут надо взять готовый гигростат и уже от него плясать.Через контакты реле гигростата запитать обмотку управляющей релюшки,типа как

на схеме с вентилятором,через НЗ контакты идёт на "фазу 1",а когда гигростат срабатывает,срабатывает и управляющая релюха и НО контакт фаза

идет на "фазу 2".

Как тогда можно его подключить?

Для начала надо знать схему включения этого таймера.

Ну ты же понял, я не просто так спросил. ))У тебя есть гигростат под рукой?

смотри личку - в реле исполнительное реле с переключающим контактом, вот и будет НЗ на 1 а НО на 2

У тебя есть гигростат под рукой?

Не-а. :huh: Тем более они ж всякие разные бывают.Хотя принцип действия по управлению должен быть один - при определенной влажности замыкается контакт,через который идет управление на последующие девайсы.А в чём у тебя заковыка?

В том, что везде мертен стоит. Это закавыка на всю голову, если ставить наружный.

Ограниченность номенклатуры дивным образом сочетается с невообразимой электронной начинкой. говоря простым языком - очень много "универсальных" девайсов, умеющих управлять (понемногу) всем, но ничем глубоко и подробно. Среди узкоспециальной номенклатуры я такую хрень не нашел. А среди универсальной ближайшая цаца стоит как вся вентиляция в сборе, хотя по сути речь идет всего лишь о прерывании выключателя переключателем.

А,теперь ясно,однобрэндовый дизайн... А другого производителя никуда засунуть не получится в укромное место или задекорировать чем?

Для публикации сообщений создайте учётную запись или авторизуйтесь

Вы должны быть зарегистрированным пользователем, чтобы оставить комментарий

Создать учетную запись

Зарегистрируйтесь в нашем сообществе.

Зарегистрироваться

Войти

Уже есть аккаунт? Войти в систему.

Войти

Или войти с помощью одного из сервисов



  • Наши рекомендации

    • Как построить теплый дом, не тратя лишних денег
      Строительство гостевого дома решил выделить в отдельную тему, так будет меньше путаницы.


        • Спасибо
        • Нравится
      • 262 ответа
    • Люк для кошек своими руками
      Разумеется давно придуманы и продаются специальные лючки для кошек, которые можно врезать в дверь, но мы ведь не ищем легких путей . Да и по зоомагазинам я не хожу, а "гугление" показало, что такие люки для кошек стоят относительно не дешево. В то же время под рукой были два "копеечных" сантехнических пластиковых лючка для ГКЛ. Все что оставалось, так это обломать фиксаторы крышек, что бы они открывались в обе стороны, ровно выпилить отверстие в двери, да вклеить симметрично эти лючки.

      То, что получилось видно на фото. Разумеется это не для тех, у кого "дизайнерский ремонт", но для обыкновенной квартиры вполне подходит. Недостатков не замечено, животных и людей всё устраивает .


      Реакцию форумчан на этот люк можно узнать в этой теме https://homemasters.ru/...me/?p=330637

        • Ого
      • 6 ответов
    • Дома из сруба: идеальное сочетание уюта и прочности.
      Строительство собственного дома является важной вехой в жизни любого человека, поскольку оно знаменует собой важное событие. Выбор строительных материалов имеет огромное значение для создания теплого и функционального жилища. На протяжении всей древней истории древесина была распространенным материалом для строительства домов, что отразилось на различных культурах мира.

      • 0 ответов
    • Аккумуляторные пилы  SCW и  SCM  22-A
      После того как провёл тесты, приступил к самому главному. Поменять диски местами, и проверить, как инструмент на это отреагирует, ведь они внешнее и походу внутренне практически одинаковые, пила по дереву конечно более навороченее, есть настройки угла наклона и можно на шину посадить через адаптер.

      • 4 ответа
    • Кажись всё или строительный пылесос с тройной мультициклонной ступенью очистки
      Кажись всё или строительный пылесос с тройной мультициклонной ступенью очистки

        • Нравится
      • 16 ответов
    • Подходы к ремонту старых домов в России
      В России сотни тысяч старых домов, многие из которых являются не только свидетельством исторического наследия, но и отражением уникальной культуры и традиций страны. Эти дома, будь то деревянные избы или старинные каменные постройки, сохраняют в себе дух времени и рассказывают историю поколений.

      • 0 ответов
    • Газовые котлы: эффективное, экономичное и экологичное решение для отопления вашего дома
      В современном мире, где комфорт и устойчивость стали ключевыми аспектами повседневной жизни, выбор правильного источника отопления дома становится особенно актуальным. Газовые котлы, сочетая в себе преимущества эффективности, экономичности и экологичности, представляют собой одно из наиболее популярных решений для обеспечения комфортной температуры в жилых и коммерческих помещениях.

      • 0 ответов
    • Вторая жизнь дивана: искусство ремонта мягкой мебели своими руками
      В эпоху беспрерывного потребления и стремления к новизне, ремонт старой мягкой мебели своими руками приобретает не просто практическое, но и глубоко философское значение. Это действие как знак уважения к труду мастеров, которые вложили свое мастерство в создание диванов, кресел и пуфов, и как воплощение идеи устойчивого потребления. С каждым возвращенным к жизни предметом мебели, мы не только сохраняем историю и уникальность каждого изделия, но и противостоим бездумному обновлению интерьера за счет экологии и рационального использования ресурсов.

        • Нравится
      • 0 ответов
×
×
  • Создать...

Важная информация

Мы разместили cookie-файлы на ваше устройство, чтобы помочь сделать этот сайт лучше. Вы можете изменить свои настройки cookie-файлов, или продолжить без изменения настроек.