Перейти к содержанию
Форумы о ремонте и строительстве

Вентилятор в санузле, включающийся от двух выключателей...

Оценить эту тему:


Рекомендуемые сообщения

Нет

buka уж не от тебя такого ожидать, что тебе мешает запихнуть это устройство в канал сразу после вентилятора??? (ну не поперек конешно) провода рядом , ни что ни куда тянуть не надо

2 Evgenik

Прошу прощения за подъем старой темы, но образовался вопрос. Вентиллятор с таймером ведь по этой схеме работать не должен?

Как тогда можно его подключить?

Спасибо большое.

Имел дело с вентиляторами Вентс с таймером. У него три провода: фаза, ноль и управляющий. Фаза и ноль подключены постоянно, управляющий соединен с лампочкой осещения. При подаче напряжения на управляющий провод (включение освещения) вентилятор включается, а выключается он через заданную задержку после снятия напряжения с управляющего провода. Описал алгоритм потому, что кто-то рассказывал о другом алгоритме у его вентилятора.

Так вот, если не ошибаюсь, подключения вентилятора с таймером почти не отличается от схемы Evgenikа, за исключением того, что от контактов реле напряжение подается на управляющий вход, а фаза подключена всегда.

Пробовал контакторы для реализации простейшей схемы типа этой - щелкают очень сильно, поэтому не советую, поменял на релюшку.

Бонис,всё правильно,при таком алгоритме работы вентилятора данная схема будет работать если

через контакты реле подавать фазу на управляющий контакт вентика. :)

Да, вентс так и устроен. А у меня тут какая-то франция или хер его знает что. Там на каждую скорость своя фаза, а ноль общий.

Там на каждую скорость своя фаза, а ноль общий.

Вентс ТТ

post-1-0-90523100-1412775418_thumb.jpg

двухскоростной, у него так же

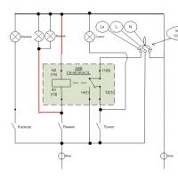
Двухсторостной вентилятор в совмещенном с/у. Три контакта: фаза 1, фаза 2, ноль. Как обычно. Включается клавишей принудительно (так задумано). Надо вставить реле влажности, чтобы оно само перекидывало фазу с ф1 на ф2. Что это может быть за реле?

Наверное любой гигростат. В руках не держал, кроме Вентс Блок управления вентилятором, но там гигростат никакой, слишком большой шаг ступенчатой регулировки влажности.

В интернете видел такие: http://vents.ua/cat/242/, у нас в магазинах пока нету. На выход подключить реле вместо вентилятора:

post-37142-1315589215_thumb.jpg

Должно получиться, если есть куда пихать

(изменено)

[...skipped some...]

Для начала надо знать схему включения этого таймера.

2 Бонис 2

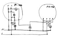
Если вот так сделать, то нормально? Сорри, чайник пока.

Заранее спасибо за ответ.

post-74274-1315770420_thumb.jpg

Изменено пользователем Botinok

Botinok, я ж не электрик, просто балуюсь.

Алгоритм работы твоего вентилятора состоит в том, что вентилятор включается при включении света либо в ванной, либо в туалете? Правильно, но обмотку реле нужно было бы включить параллельно лампочкам.

post-37142-1315773616_thumb.jpg

Botinok, я ж не электрик, просто балуюсь.

Алгоритм работы твоего вентилятора состоит в том, что вентилятор

включается при включении света либо в ванной, либо в туалете?

Правильно, но обмотку реле нужно было бы включить параллельно лампочкам.

Да, так и задумывал.

А почему не последовательно? Предполагал что "накоротко" релюшку нехорошо грузить.

В чем смысл параллельности?

PS. И да, спасибо за совет! :)

А в противном случае ток через лампочку будет определяться сопротивлением реле, и лампочка не будет толком гореть.Допустим, сопротивление обмотки 10 кОм, сопротивление лампочки 2 Ом. Ток в цепи будет будет порядка 18 мА, мощность, выделяемая на лампочке получится 36 мВт вместо 100 Вт. При параллельном подключении и к реле, и к лампочке будет приложено напряжение сети за вычетом потерь на проводке, и оба будут работать нормально.

Предполагал что "накоротко" релюшку нехорошо грузить.

вы реле возьмите на 220В и тогда оно так и включается

В чем смысл параллельности?

в том что напряжение и там и там одинаково
  • 3 года спустя...

А я приобрёл вот такие реле времени post-95834-0-32897800-1412426687_thumb.jpg

и подключил вот так post-95834-0-11474800-1412426701_thumb.jpg

И теперь у меня вентилятор не только работает от любого выключателя, но ещё и продолжает работать несколько минут после его выключения.

Ну я почитал тему. Идея конечно интересная. Я когда то хотел такое сделать. Перед сном в кровати , чтоб заснуть обдумывал всякие домашнии затеи. Быстрее засыпается. А утром встал, побрился,пошел магазин. Купил трех клавишный выключатель.Врезал под существующий.Протянул провод к вентелятоу и включаю его когда надо. Вентилятор стоит в вент канале, а колпак на потолке (вернее за потолком) накрывает два помещения ванну и туалет. Ни какой херомантии. Вот уже 20лет. 

  • 1 год спустя...

И тема не новая, и не обсуждается давно, но у меня таки возник ряд вопросов.

Делаю сейчас ремонт и как раз задумалась о том, как ограничиться одним вентилятором на два помещения, включая его отдельно от света.

Вопросы:

У вас в потолке проложены воздуховоды (если да, то какого сечения?) или всё пространство над фальшпотолком является воздуховодом?

Что подразумевается под словом "колпак"?  Раструб с решёткой или что-то другое?

Какую модель вентилятора поставили? Какой мощности? 

Не затягивается ли влага из ванной в туалет, когда включаете вентилятор?

Так как все вопрошающие уже решили свои проблемы,пусть каждый по своему,то ответов на ваши вопросы вы вряд ли дождетесь. Поэтому лучше будет обрисовать вашу конкретную ситуацию,изложить что хотите и исходя из этого задать вопросы.

Спасибо. 

Обычно на форумах не одобряют создание одинаковых тем, поэтому и задала вопрос здесь.   

Я этого не знала, поэтому сбегала со своими вопросами на форум мосвент)) 

Для публикации сообщений создайте учётную запись или авторизуйтесь

Вы должны быть зарегистрированным пользователем, чтобы оставить комментарий

Создать учетную запись

Зарегистрируйтесь в нашем сообществе.

Зарегистрироваться

Войти

Уже есть аккаунт? Войти в систему.

Войти

Или войти с помощью одного из сервисов



  • Наши рекомендации

    • Как построить теплый дом, не тратя лишних денег
      Строительство гостевого дома решил выделить в отдельную тему, так будет меньше путаницы.


        • Спасибо
        • Нравится
      • 245 ответов
    • Подходы к ремонту старых домов в России
      В России сотни тысяч старых домов, многие из которых являются не только свидетельством исторического наследия, но и отражением уникальной культуры и традиций страны. Эти дома, будь то деревянные избы или старинные каменные постройки, сохраняют в себе дух времени и рассказывают историю поколений.

      • 0 ответов
    • Аккумуляторные пилы  SCW и  SCM  22-A
      После того как провёл тесты, приступил к самому главному. Поменять диски местами, и проверить, как инструмент на это отреагирует, ведь они внешнее и походу внутренне практически одинаковые, пила по дереву конечно более навороченее, есть настройки угла наклона и можно на шину посадить через адаптер.

      • 4 ответа
    • Кажись всё или строительный пылесос с тройной мультициклонной ступенью очистки
      Кажись всё или строительный пылесос с тройной мультициклонной ступенью очистки

        • Нравится
      • 16 ответов
    • Люк для кошек своими руками
      Разумеется давно придуманы и продаются специальные лючки для кошек, которые можно врезать в дверь, но мы ведь не ищем легких путей . Да и по зоомагазинам я не хожу, а "гугление" показало, что такие люки для кошек стоят относительно не дешево. В то же время под рукой были два "копеечных" сантехнических пластиковых лючка для ГКЛ. Все что оставалось, так это обломать фиксаторы крышек, что бы они открывались в обе стороны, ровно выпилить отверстие в двери, да вклеить симметрично эти лючки.

      То, что получилось видно на фото. Разумеется это не для тех, у кого "дизайнерский ремонт", но для обыкновенной квартиры вполне подходит. Недостатков не замечено, животных и людей всё устраивает .


      Реакцию форумчан на этот люк можно узнать в этой теме https://homemasters.ru/...me/?p=330637

        • Ого
      • 6 ответов
    • Дома из сруба: идеальное сочетание уюта и прочности.
      Строительство собственного дома является важной вехой в жизни любого человека, поскольку оно знаменует собой важное событие. Выбор строительных материалов имеет огромное значение для создания теплого и функционального жилища. На протяжении всей древней истории древесина была распространенным материалом для строительства домов, что отразилось на различных культурах мира.

      • 0 ответов
    • Газовые котлы: эффективное, экономичное и экологичное решение для отопления вашего дома
      В современном мире, где комфорт и устойчивость стали ключевыми аспектами повседневной жизни, выбор правильного источника отопления дома становится особенно актуальным. Газовые котлы, сочетая в себе преимущества эффективности, экономичности и экологичности, представляют собой одно из наиболее популярных решений для обеспечения комфортной температуры в жилых и коммерческих помещениях.

      • 0 ответов
    • Вторая жизнь дивана: искусство ремонта мягкой мебели своими руками
      В эпоху беспрерывного потребления и стремления к новизне, ремонт старой мягкой мебели своими руками приобретает не просто практическое, но и глубоко философское значение. Это действие как знак уважения к труду мастеров, которые вложили свое мастерство в создание диванов, кресел и пуфов, и как воплощение идеи устойчивого потребления. С каждым возвращенным к жизни предметом мебели, мы не только сохраняем историю и уникальность каждого изделия, но и противостоим бездумному обновлению интерьера за счет экологии и рационального использования ресурсов.

        • Нравится
      • 0 ответов
×
×
  • Создать...

Важная информация

Мы разместили cookie-файлы на ваше устройство, чтобы помочь сделать этот сайт лучше. Вы можете изменить свои настройки cookie-файлов, или продолжить без изменения настроек.