Перейти к содержанию
Форумы о ремонте и строительстве

Подключение канального вентилятора Vents TT

Оценить эту тему:


cage

Рекомендуемые сообщения

Опубликовано

Всем день добрый.Собираюсь установить на входе в вент.шахту в туалете канальный вентилятор, который будет работать на туалет и ванную комнату. Вентилятор купил Vents TT125, без датчиков, без таймера, но как оказалось двухскоростной :)post-1-0-68071200-1384703335_thumb.jpgС учетом этих данных решил подключить его так, чтобы он включался от любого из выключателей освещения (в ванной и/или туалете) на полную мощность (1я скорость), а после выключения освещения переключался на пониженные обороты (2-я скорость) и работал по таймеру какое-то время, после чего полностью отключался.Схемку для работы по данному алгоритму набросалpost-48756-1297954817_thumb.jpgНа схеме вместо вентилятора две лампы, а вместо таймера - обычное реле (ну нету в протеусе таймера :) )Хочется минимизировать количество использованных в схеме реле, а именно - избавиться по возможности от HI/LO.На сайте производителя приведена такая схема:post-1-0-92090600-1384703339_thumb.gifСудя по ней фаза подается только на один из контактов (L1 или L2). А можно ли подавать фазу одновременно на на 1-ю и 2-ю скорости?Не хочется городить лишнего, но и спалить вентилятор еще больше не хочется :)За ранее всем спасибо!

  • 2 месяца спустя...
 
Хочется минимизировать количество использованных в схеме реле, а именно - избавиться по возможности от HI/LO...А можно ли подавать фазу одновременно на на 1-ю и 2-ю скорости?
 

Не вижу проблемы в применении реле. Ненадежно? Да нет, нормально. Просто при монтаже я бы использовал колодочки под реле и прикупил бы парочку реле на запас и положил бы рядом с нашим блоком управления - тройка баксов, и вопрос ненадежности и ремонтопригодности решен. Я колхозил нечто подобное, брал реле Finder, попортил малость в экспериментах, потом взял китайское (1 у.е, если не ошибаюсь) и колодочку под него же - я доволен.У меня ВентсТТ 150 диаметром на шкафу лежит уже не помню сколько, но руки не дошли

У меня TD350/125 SILENT 230V 50-Вентилятор. тоже 2 скорости и два помещения. решил поставить по датчику движения дверному. он подает фазу на переключатель в ванной и на выключатель в туалете. далее в туалете просто вкл/выкл, а в ванной комнате переключатель скоростей. Можно будет всегда его выключить или вкл ту скорость которая нужна. пока не провел проводку, но думаю все будет работать как часы

shavrr, схему не нарисуешь, а то на слух как-то не очень воспринимается. :)

Видел хреновину сегодня - ВЕНТС регулятор температуры и вращения вентилятора в одном корпусе с дистанционкой. На сайте не нашел.

Еще раньше видел просто регулятор вращения - http://vents.ua/images/ca...cat_file.pdf

И только что увидел датчики - http://vents.ua/cat/59/. Считаю нужным в ванной задействовать датчик влажности. А раньше я им звонил и спрашивал об отдельном таймере - тогда не делали, хотя итальянские можно было купить, но очень дорого, дороже вентилятора с таймером. И гигростатов вообще никаких не было. А тут образумились. В продаже, скорее всего, их еще нет.

 
решил поставить по датчику движения дверному

shavrr, с датчиками движениями будь осторожен. Симисторные, что без реле на выходе, я так понял, разрывают нулевой провод. Релейные - фазовый провод. Двухпроводные датчики движения лучше не брать. (Сомнительное утверждение, как потом оказалось. Примечание Бониса от 12 мая 2011 года)

В туалете достаточно времени задержки таймера секунд двадцать - у меня уже несколько лет стоИт, большей задержки и не нужно. И тут стОит подумать, что лучше - датчики движения или присутствия, особенно тому, кто любит почитать в туалете

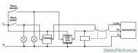
Вот, может быть в помощь - работа одного вентилятора на два помещения туалета и ванной. Предполагается, что при включения света в туалете вытяжку делаем на LOW через таймер, а в ванной делаем HI через таймер с большим временем, чем в туалете или, что еще лучше, гигростат с таймером, который будет работать до тех пор, пока не снизится влажность до порога, а потом еще отработает время задержки. Я бы еще предусмотрел ручное переключение, т.к. шум может очень сильно напрягать. Вентилятор шумит за счет завихрений в канале, и этот шум может быть большим, чем самого вентилятора.post-1-0-35516600-1384703557_thumb.jpgКак схема? Кто-то покритикует? Будет интересно знать различные мнения.Ручные выключатели можно рассматривать как исполнительные контакты выходного реле датчиков движения.

 
Симисторные, что без реле на выходе, я так понял, разрывают нулевой провод.... Двухпроводные датчики движения лучше не брать.

Откуда такие мысли?

 
Откуда такие мысли?

Что симисторный коммутирует нулем? - ставил несколько блоков управления вентилятором вентсовских (http://vents.ua/cat/245/) - там так оно и есть. И недавно видел схему принципиальную симисторного - там тоже. Вот и сделал вывод.

Про датчик движения двухпроводный - читал форум (электрикхаус), в результате у меня сложилось впечатление, что такие ДД привередливы к нагрузке, у человека какие-то проблемы с этим были - не мог включить светодиодный светильник. Но я не вникал. В общем там была мысль, что лучше трехпроводные (ноль, фаза и выход на нагрузку).


И еще давно у меня была мысль, только сейчас вспомнил.

В последней схеме (здесь) была бы полезна такая функция - выключение вентилятора, когда в ванной включается свет. Параллельно лампочке в ванной ставим реле, которое при срабатывании разомкнет цепь вентилятора.

Это для того, чтобы не дуло. Скорость вентилятора максимальная - ты моешься, а над ухом жужжит и дует вентилятор Плохо. Поэтому, когда заходишь в ванную - он выключается, а когда выходишь - включается и борется с влажностью.

Бонис, как-то в куче у тебя всё...

 
Про датчик движения двухпроводный - читал форум (электрикхаус), в результате у меня сложилось впечатление, что такие ДД привередливы к нагрузке...

"Привередливы" к нагрузке именно тиристорные/симисторные Датчики Движения - у них ограничена минимальная нагрузка током удержания симистора, менее которого он не включается. Естественно, со светодиодом он работать не будет и также наверняка с вентилятором, разве что с очень мощным.
ДД на реле тут помогут выйти из положения.

Касательно 2-х/3-х проводных ДД: за все говорить не буду, но из тех что мне попадались 2-х проводные были на симисторах, 3-х проводные - в основном на базе реле.
 

 
симисторный коммутирует нулем? - ставил несколько блоков управления вентилятором вентсовских - там так оно и есть. И недавно видел схему принципиальную симисторного - там тоже. Вот и сделал вывод.
Фраза "коммутирует нулём" значит что на нагрузке постоянно "висит" фаза, а датчик ставится между нагрузкой и нулём?
Возможно есть такие схемы, но по безопасности это не хорошее решение.
Есть другие схемы.
Тот же двухпроводный LX2000 ставится как обычный выключатель в разрыв фазы и нормально работает.

 
 
Фраза "коммутирует нулём" значит что на нагрузке постоянно "висит" фаза, а датчик ставится между нагрузкой и нулём?

Это я и имел в виду. Тот блок управления вентилятором - у него при невключенной нагрузке-вентиляторе на оном висит фаза, т.е. фаза висит постоянно. Я тоже удивился.Остальное немножко понял, окончательно дойдет попозже.

Да, пролистал еще раз некоторое количество информации в поисках схем симисторных. И убедился, что самой схеме все равно, как ты ее подключишь. С точки зрения правил электрики размыкаться, конечно, должна фаза. На вентсовском я подключал как обозначено, значит, скорее всего, они напутали. Пусть так и висит, времени сколько уже прошло и нормально и кто его знает, не сгорит ли там что при замене фазы и нуля - устройство три в одном, схема не прилагается.

Для публикации сообщений создайте учётную запись или авторизуйтесь

Вы должны быть зарегистрированным пользователем, чтобы оставить комментарий

Создать учетную запись

Зарегистрируйтесь в нашем сообществе.

Зарегистрироваться

Войти

Уже есть аккаунт? Войти в систему.

Войти

Или войти с помощью одного из сервисов



  • Наши рекомендации

    • Газовые котлы: эффективное, экономичное и экологичное решение для отопления вашего дома
      В современном мире, где комфорт и устойчивость стали ключевыми аспектами повседневной жизни, выбор правильного источника отопления дома становится особенно актуальным. Газовые котлы, сочетая в себе преимущества эффективности, экономичности и экологичности, представляют собой одно из наиболее популярных решений для обеспечения комфортной температуры в жилых и коммерческих помещениях.

      • 0 ответов
    • Аккумуляторные пилы  SCW и  SCM  22-A
      После того как провёл тесты, приступил к самому главному. Поменять диски местами, и проверить, как инструмент на это отреагирует, ведь они внешнее и походу внутренне практически одинаковые, пила по дереву конечно более навороченее, есть настройки угла наклона и можно на шину посадить через адаптер.

      • 4 ответа
    • Люк для кошек своими руками
      Разумеется давно придуманы и продаются специальные лючки для кошек, которые можно врезать в дверь, но мы ведь не ищем легких путей . Да и по зоомагазинам я не хожу, а "гугление" показало, что такие люки для кошек стоят относительно не дешево. В то же время под рукой были два "копеечных" сантехнических пластиковых лючка для ГКЛ. Все что оставалось, так это обломать фиксаторы крышек, что бы они открывались в обе стороны, ровно выпилить отверстие в двери, да вклеить симметрично эти лючки.

      То, что получилось видно на фото. Разумеется это не для тех, у кого "дизайнерский ремонт", но для обыкновенной квартиры вполне подходит. Недостатков не замечено, животных и людей всё устраивает .


      Реакцию форумчан на этот люк можно узнать в этой теме https://homemasters.ru/...me/?p=330637

        • Ого
      • 6 ответов
    • Дома из сруба: идеальное сочетание уюта и прочности.
      Строительство собственного дома является важной вехой в жизни любого человека, поскольку оно знаменует собой важное событие. Выбор строительных материалов имеет огромное значение для создания теплого и функционального жилища. На протяжении всей древней истории древесина была распространенным материалом для строительства домов, что отразилось на различных культурах мира.

      • 0 ответов
    • Как построить теплый дом, не тратя лишних денег
      Строительство гостевого дома решил выделить в отдельную тему, так будет меньше путаницы.


        • Спасибо
        • Нравится
      • 259 ответов
    • Кажись всё или строительный пылесос с тройной мультициклонной ступенью очистки
      Кажись всё или строительный пылесос с тройной мультициклонной ступенью очистки

        • Нравится
      • 16 ответов
    • Вторая жизнь дивана: искусство ремонта мягкой мебели своими руками
      В эпоху беспрерывного потребления и стремления к новизне, ремонт старой мягкой мебели своими руками приобретает не просто практическое, но и глубоко философское значение. Это действие как знак уважения к труду мастеров, которые вложили свое мастерство в создание диванов, кресел и пуфов, и как воплощение идеи устойчивого потребления. С каждым возвращенным к жизни предметом мебели, мы не только сохраняем историю и уникальность каждого изделия, но и противостоим бездумному обновлению интерьера за счет экологии и рационального использования ресурсов.

        • Нравится
      • 0 ответов
    • Подходы к ремонту старых домов в России
      В России сотни тысяч старых домов, многие из которых являются не только свидетельством исторического наследия, но и отражением уникальной культуры и традиций страны. Эти дома, будь то деревянные избы или старинные каменные постройки, сохраняют в себе дух времени и рассказывают историю поколений.

      • 0 ответов
×
×
  • Создать...

Важная информация

Мы разместили cookie-файлы на ваше устройство, чтобы помочь сделать этот сайт лучше. Вы можете изменить свои настройки cookie-файлов, или продолжить без изменения настроек.