Перейти к содержанию
Форумы о ремонте и строительстве

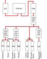
Проект квартирного щитка.

Оценить эту тему:


Рекомендуемые сообщения

(изменено)

+1 :rolleyes: Нормульно!

Я ещё планировал на входе пожарное УЗО поставить и номинал его зависеть будет от того, на какую вводную мощность я в конце концов выйду, так что 25А + 16А как раз то что нужно.

Иш Бин быстрый какой... B) Вводной захотел "поднять", еще УЗО противо"дымное" поставить...Э не батенька. Не пойдет... Представим, поставили Вводной, раскатаем губу, ампер так на СОРОК. УЗО противо"дымное" возьмем на 40А, а лучше больше. Так? А кто-же, батенька, УЗО Ваше на 25А/0,03 защитит? Погорит ведь бедняга от напруги :o Перед УЗО надомно АВ на 25 (который щаз вводной) оставить...Хотя может Вы так и планировали, а я тут распыляюсь :huh: Изменено пользователем Ky3bmin

я наверное один из немногих кто не в курсе про салон :)

Я ещё планировал на входе пожарное УЗО поставить

ставь лишним не будет, если могут быть проверки очень даже пригодится

я планировал для розеток в ванной и водогрея, он тоже там.

а для чего розетки в ванной? не подписал же, ну не как не для зарядки сотового :)

а для чего розетки в ванной?

Светильник над зеркалом, электробритва, сушилка для обуви и хрен знает ещё что.Может так будет получше?Ещё хочу УЗМ поставить, только не знаю в какое место его воткнуть. До пожарного или после.

я наверное один из немногих кто не в курсе про салон

Да типа такого

post-40814-1339080911_thumb.jpg

post-40814-1339091036_thumb.jpg

post-40814-1339091046_thumb.jpg

хрен знает ещё что.

это любимая женская игрушка - фен для волос :), который может быть и на 2 kW

Это то ясно. между счётчиком и пожарным или между пожарным и групповыми?

До пожарного. В нем же какие-то диоды имеются или что-то там такое на управлении реле. А ну как вылетит при перенапряжении?!

fomins, а это точно окончательный вариант? А то я гляжу она у Вас всё разрастается и разрастается :)

Раз вводной сменили на 32, то теперь узо на 25 не катят :no:

А то я гляжу она у Вас всё разрастается и разрастается

С Вами она уже скоро до 36ти автоматного варианта вырастет

Раз вводной сменили на 32, то теперь узо на 25 не катят

Чего это вдруг Что то Вы сегодня решили полностью порушить мои представления по этому вопросу. Это что тогда за одобрям

https://homemasters.ru/fo...ta/?p=109014

Пожалуй правильнее будет так или вот эдак, зависит от того скока на вводе получу.

post-40814-1339109894_thumb.jpg

post-40814-1339109904_thumb.jpg

А зачем на кухню 10А поставили?Давайте так, коли уже куплено УЗО на 25А, номинал вводного мы пока не знаем, предлагаю универсальную схему (максимально допустимый ток вводного 40А). Одобрям? :lol: ЗЫ УЗО на розетки взял с запасом. Но можно обойтись и 32А. Но, КМК, лучше с запасом!

post-65736-1339131176_thumb.jpg

Это что тогда за одобрям

так там всё правильно :) ты бы ещё проставил длину вводного провода - где находится вводной, счетчик и щитокк чему я это - да мне вот просто не нравится когда ставят противопожарное, а вводной кабель не защищают :)

Раз вводной сменили на 32, то теперь узо на 25 не катят

Чего это вдруг
Ну как чего? После них автоматов на 26А :) Вот, дальше всё правильно начертили. И так, и так можно. Противопожарное узо можно сразу на 40 поставить. Так сказать на перспективу. Если потом получится вводной на 32 заменить. Не думаю что узо на 40 сильно дороже 32.

А в той старой теме, как уже заметил dimp, всё цивильно :)

Ну вот и вправду говорят утро вечера мудренее.

А то я уж подумал, что всё что я знал всё не верно. Пожалуй схема которую нарисовал Ky3bmin, универсальнее чем та, которую я нарисовал, на ней и остановимся?

Bagis, вчера вечером, у меня, почему то 16А+10А получалось 25А. Не знаю почему, но я был в этом уверен. И каково же было моё разочарование, когда выяснилось, что это совсем не так.

ты бы ещё проставил длину вводного провода - где находится вводной, счетчик и щиток

к чему я это - да мне вот просто не нравится когда ставят противопожарное, а вводной кабель не защищают

На лестничной площадке автомат будет стоять, для управляющей компании (чтобы не воняли), остальное в квартире.

Наверное правильнее было бы и УЗО пожарное на площадке оставить

С длинной кабеля не определился ещё, не придумал куда щиток поставлю.

dimp может есть какие то ограничения по длине. Так озвучьте мне их пожалуйста, я буду из них исходить, когда место для щитка искать буду.

нет ограничений (был бы сантиметровым - хрен бы с ним) а больше метра уже надо защитить, просто его то как раз и защитит узо (ставь его на лестничной клетке вместе с вводным) его и световые (но там нагрузки мизерные) а на остальные свои узо

больше метра уже надо защитить, просто его то как раз и защитит узо (ставь его на лестничной клетке вместе с вводным) его и световые (но там нагрузки мизерные) а на остальные свои узо

не хочется чтобы его стырили ЖЕКовские электрики, во время очередной смены автоматов. Это уже недавно случилось, когда меняли автоматы. Я об этом уже где то писАл. Вместо УЗО и двухполюсника АВВэшных, теперь два двухполюсника от ИЭК стоит.

Для публикации сообщений создайте учётную запись или авторизуйтесь

Вы должны быть зарегистрированным пользователем, чтобы оставить комментарий

Создать учетную запись

Зарегистрируйтесь в нашем сообществе.

Зарегистрироваться

Войти

Уже есть аккаунт? Войти в систему.

Войти

Или войти с помощью одного из сервисов



  • Наши рекомендации

    • Подходы к ремонту старых домов в России
      В России сотни тысяч старых домов, многие из которых являются не только свидетельством исторического наследия, но и отражением уникальной культуры и традиций страны. Эти дома, будь то деревянные избы или старинные каменные постройки, сохраняют в себе дух времени и рассказывают историю поколений.

      • 0 ответов
    • Люк для кошек своими руками
      Разумеется давно придуманы и продаются специальные лючки для кошек, которые можно врезать в дверь, но мы ведь не ищем легких путей . Да и по зоомагазинам я не хожу, а "гугление" показало, что такие люки для кошек стоят относительно не дешево. В то же время под рукой были два "копеечных" сантехнических пластиковых лючка для ГКЛ. Все что оставалось, так это обломать фиксаторы крышек, что бы они открывались в обе стороны, ровно выпилить отверстие в двери, да вклеить симметрично эти лючки.

      То, что получилось видно на фото. Разумеется это не для тех, у кого "дизайнерский ремонт", но для обыкновенной квартиры вполне подходит. Недостатков не замечено, животных и людей всё устраивает .


      Реакцию форумчан на этот люк можно узнать в этой теме https://homemasters.ru/...me/?p=330637

        • Ого
      • 6 ответов
    • Как построить теплый дом, не тратя лишних денег
      Строительство гостевого дома решил выделить в отдельную тему, так будет меньше путаницы.


        • Спасибо
        • Нравится
      • 256 ответов
    • Газовые котлы: эффективное, экономичное и экологичное решение для отопления вашего дома
      В современном мире, где комфорт и устойчивость стали ключевыми аспектами повседневной жизни, выбор правильного источника отопления дома становится особенно актуальным. Газовые котлы, сочетая в себе преимущества эффективности, экономичности и экологичности, представляют собой одно из наиболее популярных решений для обеспечения комфортной температуры в жилых и коммерческих помещениях.

      • 0 ответов
    • Вторая жизнь дивана: искусство ремонта мягкой мебели своими руками
      В эпоху беспрерывного потребления и стремления к новизне, ремонт старой мягкой мебели своими руками приобретает не просто практическое, но и глубоко философское значение. Это действие как знак уважения к труду мастеров, которые вложили свое мастерство в создание диванов, кресел и пуфов, и как воплощение идеи устойчивого потребления. С каждым возвращенным к жизни предметом мебели, мы не только сохраняем историю и уникальность каждого изделия, но и противостоим бездумному обновлению интерьера за счет экологии и рационального использования ресурсов.

        • Нравится
      • 0 ответов
    • Аккумуляторные пилы  SCW и  SCM  22-A
      После того как провёл тесты, приступил к самому главному. Поменять диски местами, и проверить, как инструмент на это отреагирует, ведь они внешнее и походу внутренне практически одинаковые, пила по дереву конечно более навороченее, есть настройки угла наклона и можно на шину посадить через адаптер.

      • 4 ответа
    • Дома из сруба: идеальное сочетание уюта и прочности.
      Строительство собственного дома является важной вехой в жизни любого человека, поскольку оно знаменует собой важное событие. Выбор строительных материалов имеет огромное значение для создания теплого и функционального жилища. На протяжении всей древней истории древесина была распространенным материалом для строительства домов, что отразилось на различных культурах мира.

      • 0 ответов
    • Кажись всё или строительный пылесос с тройной мультициклонной ступенью очистки
      Кажись всё или строительный пылесос с тройной мультициклонной ступенью очистки

        • Нравится
      • 16 ответов
×
×
  • Создать...

Важная информация

Мы разместили cookie-файлы на ваше устройство, чтобы помочь сделать этот сайт лучше. Вы можете изменить свои настройки cookie-файлов, или продолжить без изменения настроек.