Перейти к содержанию
Форумы о ремонте и строительстве

Как лучше сделать свет в длинном коридоре

Оценить эту тему:


Рекомендуемые сообщения

Опубликовано

Подскажите, свежие головы....Свою совсем сломалСитуация следующая......Есть длинный коридор, в длину 10 м......Сейчас выведены провода в 3 части этого коридора с выключателями.....Начали делать ремонт.....ломаю голову над тем как удобно сделатьВ идеале было бы Три тройных переключателя в трех местах.....Но наверно в природе такого не существует.....Самым разумным вроде был вариант сделать переключатели на 1-ю часть у входа и по середине, на 3-ю часть у кухни и по середине, а на среднюю выключатель с датчиком движения...Но супруга сказала, что ей хотелось бы от входа выключать все части коридора, поскольку раз 2-я часть работает на движение, то уходя можно не заметить то, что в 3-й части горит свет и заметить это уже одев обувь, когда погаснет 2-я часть.....Была мысль забить на три части и сделать так чтобы было 2-е части ..... но получается, что надо ими управлять из 3-х мест.....В общем может сумбурдно объяснил, но может у кого есть свежие мысли.....Рисунок прилагается

post-32017-1257504647_thumb.jpg

а тоже самое только двух клавишное (ну и цены соответственно :) )

А вы не думали о датчике движения? Решает сразу несколько проблем. Свет экономится, потому что будет включаться только при появлении кого то в коридоре. И выключаться через заданное время.

Есть такая фирма корейская. Под крылом Леграна кажеться. Довольно качественные электроустановочные изделия и ассортимент большой. Из минусов: оригинальные (прямоугольные и квадратные) установочные крробки

ассортимент в смысле вообще выключателей, переключателей, датчиков движения и различных их сочетаниях

у ANAM AHW 1323 M- Переключатель двухклавишный с подсветкой

А схематично кто-нибудь может набросать.....Вот это схемка управления 2-мя нагрузками из 2-х мест....Как сюда вставить 2 одиночных проходных переключателя, чтоб получить третье место управления....

post-32017-1257625925_thumb.jpg

крайние - три провода, середина - 4.Соединяете крайние между собой одним проводом, от первого к середине 2 провода, от середины к правому - еще два. Рисовалка не пашет, сорри. Чтобы заработало, тот провод, которым соединили крайние переключатели разрываете, левый конец (предположим) подключаете к фазе, правый к лампе/гирлянде и к нулю.И все чики-пуки.О! post-3486-1257635097_thumb.jpgНа 10 метрах можете хоть на каждый метр поставить переключатель. Чтобы работало серединку (проходной с четырьмя проводами) размножаете на нужное количество, соединяя их гирляндой последовательно - два из первого во второй, оттуда два в следующий и так до последнего. С него два на обычный переключатель уже.

(изменено)

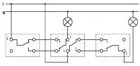
Вот схемку нашел....осталось в реале их купить и собрать.....Управление 2-мя нагрузками из 3-х и более мест....Я так понял проходных хоть сколько можно ставить....Только у меня будет два одинарных проходных вместо одного двойного, за неименоем оного....

post-32017-1257715565_thumb.jpg

Изменено пользователем Дармедонт

Вот схемку нашел....осталось в реале их купить и собрать.....Управление 2-мя нагрузками из 3-х и более мест..

тебя жестоко нае....ли :D со схемкой этой, попробуй крайним левым выключателем включить (выключить) правую лампу - у меня не получается :)это схема управления двумя лампами (каждая с 2х мест) левая лампа- левым и средним выключателем, правая - средним и правым

Женя ты человек с востока :) у вас с право на лево читают - а у нас наоборот, вот и первое что замечаем..... :P

Для публикации сообщений создайте учётную запись или авторизуйтесь

Вы должны быть зарегистрированным пользователем, чтобы оставить комментарий

Создать учетную запись

Зарегистрируйтесь в нашем сообществе.

Зарегистрироваться

Войти

Уже есть аккаунт? Войти в систему.

Войти

Или войти с помощью одного из сервисов



  • Наши рекомендации

    • Дома из сруба: идеальное сочетание уюта и прочности.
      Строительство собственного дома является важной вехой в жизни любого человека, поскольку оно знаменует собой важное событие. Выбор строительных материалов имеет огромное значение для создания теплого и функционального жилища. На протяжении всей древней истории древесина была распространенным материалом для строительства домов, что отразилось на различных культурах мира.

      • 0 ответов
    • Как построить теплый дом, не тратя лишних денег
      Строительство гостевого дома решил выделить в отдельную тему, так будет меньше путаницы.


        • Спасибо
        • Нравится
      • 257 ответов
    • Газовые котлы: эффективное, экономичное и экологичное решение для отопления вашего дома
      В современном мире, где комфорт и устойчивость стали ключевыми аспектами повседневной жизни, выбор правильного источника отопления дома становится особенно актуальным. Газовые котлы, сочетая в себе преимущества эффективности, экономичности и экологичности, представляют собой одно из наиболее популярных решений для обеспечения комфортной температуры в жилых и коммерческих помещениях.

      • 0 ответов
    • Подходы к ремонту старых домов в России
      В России сотни тысяч старых домов, многие из которых являются не только свидетельством исторического наследия, но и отражением уникальной культуры и традиций страны. Эти дома, будь то деревянные избы или старинные каменные постройки, сохраняют в себе дух времени и рассказывают историю поколений.

      • 0 ответов
    • Кажись всё или строительный пылесос с тройной мультициклонной ступенью очистки
      Кажись всё или строительный пылесос с тройной мультициклонной ступенью очистки

        • Нравится
      • 16 ответов
    • Вторая жизнь дивана: искусство ремонта мягкой мебели своими руками
      В эпоху беспрерывного потребления и стремления к новизне, ремонт старой мягкой мебели своими руками приобретает не просто практическое, но и глубоко философское значение. Это действие как знак уважения к труду мастеров, которые вложили свое мастерство в создание диванов, кресел и пуфов, и как воплощение идеи устойчивого потребления. С каждым возвращенным к жизни предметом мебели, мы не только сохраняем историю и уникальность каждого изделия, но и противостоим бездумному обновлению интерьера за счет экологии и рационального использования ресурсов.

        • Нравится
      • 0 ответов
    • Люк для кошек своими руками
      Разумеется давно придуманы и продаются специальные лючки для кошек, которые можно врезать в дверь, но мы ведь не ищем легких путей . Да и по зоомагазинам я не хожу, а "гугление" показало, что такие люки для кошек стоят относительно не дешево. В то же время под рукой были два "копеечных" сантехнических пластиковых лючка для ГКЛ. Все что оставалось, так это обломать фиксаторы крышек, что бы они открывались в обе стороны, ровно выпилить отверстие в двери, да вклеить симметрично эти лючки.

      То, что получилось видно на фото. Разумеется это не для тех, у кого "дизайнерский ремонт", но для обыкновенной квартиры вполне подходит. Недостатков не замечено, животных и людей всё устраивает .


      Реакцию форумчан на этот люк можно узнать в этой теме https://homemasters.ru/...me/?p=330637

        • Ого
      • 6 ответов
    • Аккумуляторные пилы  SCW и  SCM  22-A
      После того как провёл тесты, приступил к самому главному. Поменять диски местами, и проверить, как инструмент на это отреагирует, ведь они внешнее и походу внутренне практически одинаковые, пила по дереву конечно более навороченее, есть настройки угла наклона и можно на шину посадить через адаптер.

      • 4 ответа
×
×
  • Создать...

Важная информация

Мы разместили cookie-файлы на ваше устройство, чтобы помочь сделать этот сайт лучше. Вы можете изменить свои настройки cookie-файлов, или продолжить без изменения настроек.