Перейти к содержанию
Форумы о ремонте и строительстве

Разводка труб и установка унитаза

Оценить эту тему:


Рекомендуемые сообщения

Опубликовано (изменено)

Доброго дня!
 
Помогите, пожалуйста, решить задачку, как удобно и красиво расположить унитаз и короб с трубами в су
 
Есть такой су в новостройке:
ext_9af786e8f03d42736a7616f50eaaa72a.jpg
ниша, где стоит унитаз - 130*80см, в углу только фановая труба
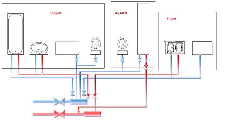
Нарисовала такой план разводки:
ext_cfac1455eb3d4550acb23f6d3022039d.jpg
Хочу поставить стиралку и унитаз в нишу, сделать за стиралкой короб и туда поместить все эти коллекторы, краники, сделать крышку съемную, чтоб был доступ к краникам, при необходимости каких-то кардинальных действий можно люк большой за стиралкой сделать и ее отодвинуть, надеюсь аварий не будет и этот доступ вообще не придогится. Стиралка занимает 45см глубины + короб 20см = 65см. Унитаз сам тоже 65см, если унитаз удастся поставить почти вплотную к стене - будет отлично. 
 
рисунки схематичные, размеры не соблюдены

1 вариант:
ext_a2544bb183f5bcd551aadc3f105779f8.jpg
муж говорит - далеко от фановой трубы, нужно унитаз на постамент ставить, вроде не хочется этого делать..
 
2 вариант:
ext_f2ab96854bfa415b3c781210797148fc.jpg
надо за унитазом провести трубы, 7 штук + фановая и оставить доступ к бачку, но как??? мои мысли:
- очень хотела под бачком, но вроде не поместится всё
- делать короб и над бачком и под как-то несуразно
- делать короб за бачком - придется унитаз выдвигать вперед, а очень хочется, чтоб он был почти вровень со стиралкой..
- сделать короб и в него поместить бачек и все трубы и наглухо зашить - муж не согласен: "а вдруг надо будет чинить"
- сделать фальш-короб, стенку которого можно снять и зашить бачек частично? у мамы такой прямоугольный правильный бачек - прям и просится для частичной зашивки :) но м.б так вообще не делают ?
 
Посоветуйте, пожалуйста, как разрулить!

Изменено пользователем susla
муж говорит - далеко от фановой трубы, нужно унитаз на постамент ставить
Ничего не далеко, зачем на постамент. Другое дело, что крестовину на фановой трубе придется разворачивать 

Не забываем установить аватар, заполнить профиль, и создать свой блог

https://homemasters.ru/

Ничего не далеко, зачем на постамент. Другое дело, что крестовину на фановой трубе придется разворачивать 

а это сложно? написала прорабу про поворот (он нам квартиру показывал, его архаровцы и ремонт делают, если надо) - он ответил - звоните - сделаем, не знаю правда цену, но надеюсь не заоблачно

и в этом случае можно будет унитаз бачком почти впритык к стене поставить без проблем?

Если стояки пластиковые - не очень. А вот если чугун.

пластик

спасибо :)

еще подумала и поняла - не учла короб с трубами для раковины\ванны

0_23f2f8_90aa0aa0_orig.jpg

из-за него машина стиральная к стене не встанет, даже если короб будет 10см (а этого наверное мало) - машина + короб будет уже 70 см, для унитаза уже маловато места.. м.б все же можно осуществить вариант №2? тут короб пойдет по низу и мешать унитазу и пользователю не должен

0_23f2f9_ed1d7a82_orig.jpg

из-за него машина стиральная к стене не встанет, даже если короб будет 10см (а этого наверное мало) - машина + короб будет уже 70 см, для унитаза уже маловато места.. м.б все же можно осуществить вариант №2? тут короб пойдет по низу и мешать унитазу и пользователю не должен

Перечитал три раза, ничего не понял. Может размеры укажите? 

Не забываем установить аватар, заполнить профиль, и создать свой блог

https://homemasters.ru/

0_240018_6e6e717_orig.jpg

почти уговорила мужа на инсталяцию, тогда делаем короб вдоль стены длиной 130: размеры короба 130(длина)*110(высота)*25(ширина, надеюсь хватит для инсталяции и всех краников-коллекторов
у этого короба встают стиралка и унитаз

темный короб по полу для труб к ванной\раковине: 15(высота)*10(ширина)*длина из частей, нам она не принципиальна

только у нас на фановой трубе стоит тройник 110\110\110, оба отвода в 1 плоскости, перпендикулярно той стене, к которой планируется ставить унитаз + надо еще сделать слив из ванны\раковины

т.е в идеале надо тройник с 3 отводами, все под 90градусов: 110+110+50, а таких я найти не могу, а как тогда все по нужным коробам поаккуратнее разместить?

ext_b0c0fc4c1c8890b9fb7df507ec1c729b.jpg

да, мне бы как второй, но с еще 1 отводом 110 в той же плоскости, что и отвод 50

у меня же унитаз рядом с фановой + унитаз за стеной

почему-то в предыдущее сообщение не добавить

0_2404b3_afb900c0_orig.jpg

Для публикации сообщений создайте учётную запись или авторизуйтесь

Вы должны быть зарегистрированным пользователем, чтобы оставить комментарий

Создать учетную запись

Зарегистрируйтесь в нашем сообществе.

Зарегистрироваться

Войти

Уже есть аккаунт? Войти в систему.

Войти

Или войти с помощью одного из сервисов



  • Наши рекомендации

    • Подходы к ремонту старых домов в России
      В России сотни тысяч старых домов, многие из которых являются не только свидетельством исторического наследия, но и отражением уникальной культуры и традиций страны. Эти дома, будь то деревянные избы или старинные каменные постройки, сохраняют в себе дух времени и рассказывают историю поколений.

      • 0 ответов
    • Аккумуляторные пилы  SCW и  SCM  22-A
      После того как провёл тесты, приступил к самому главному. Поменять диски местами, и проверить, как инструмент на это отреагирует, ведь они внешнее и походу внутренне практически одинаковые, пила по дереву конечно более навороченее, есть настройки угла наклона и можно на шину посадить через адаптер.

      • 4 ответа
    • Люк для кошек своими руками
      Разумеется давно придуманы и продаются специальные лючки для кошек, которые можно врезать в дверь, но мы ведь не ищем легких путей . Да и по зоомагазинам я не хожу, а "гугление" показало, что такие люки для кошек стоят относительно не дешево. В то же время под рукой были два "копеечных" сантехнических пластиковых лючка для ГКЛ. Все что оставалось, так это обломать фиксаторы крышек, что бы они открывались в обе стороны, ровно выпилить отверстие в двери, да вклеить симметрично эти лючки.

      То, что получилось видно на фото. Разумеется это не для тех, у кого "дизайнерский ремонт", но для обыкновенной квартиры вполне подходит. Недостатков не замечено, животных и людей всё устраивает .


      Реакцию форумчан на этот люк можно узнать в этой теме https://homemasters.ru/...me/?p=330637

        • Ого
      • 6 ответов
    • Газовые котлы: эффективное, экономичное и экологичное решение для отопления вашего дома
      В современном мире, где комфорт и устойчивость стали ключевыми аспектами повседневной жизни, выбор правильного источника отопления дома становится особенно актуальным. Газовые котлы, сочетая в себе преимущества эффективности, экономичности и экологичности, представляют собой одно из наиболее популярных решений для обеспечения комфортной температуры в жилых и коммерческих помещениях.

      • 0 ответов
    • Дома из сруба: идеальное сочетание уюта и прочности.
      Строительство собственного дома является важной вехой в жизни любого человека, поскольку оно знаменует собой важное событие. Выбор строительных материалов имеет огромное значение для создания теплого и функционального жилища. На протяжении всей древней истории древесина была распространенным материалом для строительства домов, что отразилось на различных культурах мира.

      • 0 ответов
    • Как построить теплый дом, не тратя лишних денег
      Строительство гостевого дома решил выделить в отдельную тему, так будет меньше путаницы.


        • Спасибо
        • Нравится
      • 256 ответов
    • Вторая жизнь дивана: искусство ремонта мягкой мебели своими руками
      В эпоху беспрерывного потребления и стремления к новизне, ремонт старой мягкой мебели своими руками приобретает не просто практическое, но и глубоко философское значение. Это действие как знак уважения к труду мастеров, которые вложили свое мастерство в создание диванов, кресел и пуфов, и как воплощение идеи устойчивого потребления. С каждым возвращенным к жизни предметом мебели, мы не только сохраняем историю и уникальность каждого изделия, но и противостоим бездумному обновлению интерьера за счет экологии и рационального использования ресурсов.

        • Нравится
      • 0 ответов
    • Кажись всё или строительный пылесос с тройной мультициклонной ступенью очистки
      Кажись всё или строительный пылесос с тройной мультициклонной ступенью очистки

        • Нравится
      • 16 ответов
×
×
  • Создать...

Важная информация

Мы разместили cookie-файлы на ваше устройство, чтобы помочь сделать этот сайт лучше. Вы можете изменить свои настройки cookie-файлов, или продолжить без изменения настроек.