Перейти к содержанию
Форумы о ремонте и строительстве

Оценить эту тему:


Рекомендуемые сообщения

@евгеннн  Если нет даже желания сделать иначе - не парьтесь, 1,5мм.кв. под АВ не более 10А. Жалоб, что мигает  свет в ванной при включении вентилятора и 1,5мм.кв - не видел и не слышал).

@Vitaly_L если вам не торопясь), то  ПКВк-10 или ПКВк-10у как обжимка и  WS-01D как стриппер ( вариант МС-05),  в плане "подлезучести" будут проигрывать Jokari 20050 Super 4 plus, но позволяют снимать изоляцию на бо`льшую длину если надо) , всё от КВТ - характеристики только изучите. Кабель начиная с 3х6 мм.кв. с цельными жилами лучше резать кабелерезом,  на крайний случай ножовкой по металлу).

Пока вы будете ждать что-то непонятное с Али экспресса - проще сдать инструмент в "аренду" друзьям, выгода может оказаться больше).

И опубликуйте, плииз, итоговый вариант схемы).

3 часа назад, Bagis сказал:

Нет, если денег девать некуда, тогда да, пожалуйста - haupa, klauke и т.д. но для сборки одного единственного щита зачем это всё?

Серёг это от невнимательности - начни с первого сообщения

В 22.11.2018 в 11:48, Vitaly_L сказал:

Профессионально занимался только автомобильной электрикой, 

я вот удивился - что в загашнике такого нет

7 часов назад, dimp сказал:

Серёг это от невнимательности - начни с первого сообщения

Да я помню про автоэлектрика, но там инструмент немного другой. Гильзы там не используют) По крайней мере мой приятель, как раз автоэлектрик) 

@dimp 

9 часов назад, dimp сказал:

я вот удивился - что в загашнике такого нет

В загашнике нечто подобное, конечно, есть. Но оно больше для тонкой проводки подходит, плюс, мне не очень нравится качество его работы.
В некоторых случаях при снятии изоляции с многожильного провода происходит повреждение или отрыв жил.

Оборудование для гильз нужно не для многожильных проводов (т.к. ввиду их меньшего срока службы использовать при прокладке линий не буду),
а для соединения нескольких одножильных (например, в распредкоробке или подрозетнике).

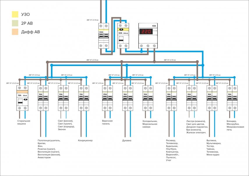
Ниже - итоговая на сегодняшний день схема. Не хочется добавлять отдельное УЗО 10мА на стиралку. 
И вот думаю, пойдет ли общее в этой группе на 30 мА?

 

схема распределения электричества.jpg

10 часов назад, dimp сказал:

Нет, если денег девать некуда, тогда да, пожалуйста - haupa, klauke и т.д. но для сборки одного единственного щита зачем это всё?

Это ценник сложно назвать приемлемым...
КВТ гораздо гуманнее)
И про щиты никто ничего не сказал. Есть там подводные камни?

@SB3 

14 часа назад, SB3 сказал:

Если в полу , стенах - лучше в гофре, трубах. Если за подвесным (натяжным) потолком - лучше без).

Тянуть планирую по потолку. Но без гофры, мне кажется, неэстетично получится, сопли болтаться будут. Гофра на клипсах держится, магистраль удобно проложить. Плюс дополнительная защита кабеля. Она не так дорого стоит, чтобы переживать по этому поводу. 
Собственно, вопрос был о том, можно ли положить в одну гофру несколько линий?

@Vitaly_L да можно в одну гофру несколько кабелей, если сможете - какой будет диаметр гофры?) Может пластиковую трубу взять?

И какая эстетика если всё будет закрыто, защита кабеля от чего? Кроме того гофра-то хуже по своим свойствам чем кабель - она у вас нг-LS?)

Съемник подойдёт, если по сечению вас устроит.

46 минут назад, Vitaly_L сказал:

можно ли положить в одну гофру несколько линий?

Можно, но не нужно ;) Или требуется расшифровка?

47 минут назад, Vitaly_L сказал:

Но без гофры, мне кажется, неэстетично получится, сопли болтаться будут.

Вообще существует куча всевозможного крепежа для кабелей.

50 минут назад, Vitaly_L сказал:

Плюс дополнительная защита кабеля.

От чего может защитить пленочка гофры?

12 минуты назад, Vitaly_L сказал:

А что думаете по-поводу такого варианта схемы?

Похоже, что вы увидели цены на УЗО :)))) Схема не айс. О людях вы не думаете .

2 минуты назад, SB3 сказал:

можно в одну гофру несколько кабелей

А как же тогда номиналы автоматов, групповая прокладка уже будет?!

@Manul 

3 минуты назад, Manul сказал:

А как же тогда номиналы автоматов, групповая прокладка уже будет?!

В группах, например, до кухни тянуть...

4 минуты назад, Manul сказал:

Похоже, что вы увидели цены на УЗО :)))) Схема не айс. О людях вы не думаете .

Не стоит отказываться от дополнительных УЗО? Т.е. предыдущая схема была предпочтительней?

Кстати, кто-нибудь проверял, горит ли гофра? К примеру та, что в Леруа продается...

5 минут назад, Vitaly_L сказал:

Не стоит отказываться от дополнительных УЗО? Т.е. предыдущая схема была предпочтительней?

Сейчас от токов утечки защищена линия стиралки. Все остальне - только от возгорания и КЗ.

@SB3 

16 минут назад, SB3 сказал:

Может пластиковую трубу взять?

С трубой проще будет работать по прямой, но на изгибах ее резать придется. Не знаю...

@Manul 

3 минуты назад, Manul сказал:

Сейчас от токов утечки защищена линия стиралки. Все остальне - только от возгорания и КЗ.

Хорошо, а если входящее УЗО заменить на 30 мА?

@Manul конечно будет - вплоть до того что и кабели может другие брать)

@Vitaly_L , труба .... :) Что мешает вам её резать ножовкой по металлу? А если вы представите себе эту картину - трубы на потолке, жёсткая гофра или трубы в стенах , то ... вы... почти .... обеспечите... возможность замены проводки без особых "разрушений"))).

@SB3 

7 минут назад, SB3 сказал:

А если вы представите себе эту картину - трубы на потолке, жёсткая гофра или трубы в стенах , то ... вы... почти .... обеспечите... возможность замены проводки без особых "разрушений"))).

Кстати - мысль!
А если попытаться делать изгибы не 90 градусов, а по типу шестигранника (с двумя изломами), тогда и проводка без проблем пролезет)

27 минут назад, Vitaly_L сказал:

Хорошо, а если входящее УЗО заменить на 30 мА?

не стоит

12 минуты назад, Vitaly_L сказал:

@SB3 

Кстати - мысль!
А если попытаться делать изгибы не 90 градусов, а по типу шестигранника (с двумя изломами), тогда и проводка без проблем пролезет)

без проблем - не пролезет, не тешьте себя надеждой :)

Для публикации сообщений создайте учётную запись или авторизуйтесь

Вы должны быть зарегистрированным пользователем, чтобы оставить комментарий

Создать учетную запись

Зарегистрируйтесь в нашем сообществе.

Зарегистрироваться

Войти

Уже есть аккаунт? Войти в систему.

Войти

Или войти с помощью одного из сервисов



  • Наши рекомендации

    • Подходы к ремонту старых домов в России
      В России сотни тысяч старых домов, многие из которых являются не только свидетельством исторического наследия, но и отражением уникальной культуры и традиций страны. Эти дома, будь то деревянные избы или старинные каменные постройки, сохраняют в себе дух времени и рассказывают историю поколений.

      • 0 ответов
    • Как построить теплый дом, не тратя лишних денег
      Строительство гостевого дома решил выделить в отдельную тему, так будет меньше путаницы.


        • Спасибо
        • Нравится
      • 245 ответов
    • Газовые котлы: эффективное, экономичное и экологичное решение для отопления вашего дома
      В современном мире, где комфорт и устойчивость стали ключевыми аспектами повседневной жизни, выбор правильного источника отопления дома становится особенно актуальным. Газовые котлы, сочетая в себе преимущества эффективности, экономичности и экологичности, представляют собой одно из наиболее популярных решений для обеспечения комфортной температуры в жилых и коммерческих помещениях.

      • 0 ответов
    • Вторая жизнь дивана: искусство ремонта мягкой мебели своими руками
      В эпоху беспрерывного потребления и стремления к новизне, ремонт старой мягкой мебели своими руками приобретает не просто практическое, но и глубоко философское значение. Это действие как знак уважения к труду мастеров, которые вложили свое мастерство в создание диванов, кресел и пуфов, и как воплощение идеи устойчивого потребления. С каждым возвращенным к жизни предметом мебели, мы не только сохраняем историю и уникальность каждого изделия, но и противостоим бездумному обновлению интерьера за счет экологии и рационального использования ресурсов.

        • Нравится
      • 0 ответов
    • Аккумуляторные пилы  SCW и  SCM  22-A
      После того как провёл тесты, приступил к самому главному. Поменять диски местами, и проверить, как инструмент на это отреагирует, ведь они внешнее и походу внутренне практически одинаковые, пила по дереву конечно более навороченее, есть настройки угла наклона и можно на шину посадить через адаптер.

      • 4 ответа
    • Люк для кошек своими руками
      Разумеется давно придуманы и продаются специальные лючки для кошек, которые можно врезать в дверь, но мы ведь не ищем легких путей . Да и по зоомагазинам я не хожу, а "гугление" показало, что такие люки для кошек стоят относительно не дешево. В то же время под рукой были два "копеечных" сантехнических пластиковых лючка для ГКЛ. Все что оставалось, так это обломать фиксаторы крышек, что бы они открывались в обе стороны, ровно выпилить отверстие в двери, да вклеить симметрично эти лючки.

      То, что получилось видно на фото. Разумеется это не для тех, у кого "дизайнерский ремонт", но для обыкновенной квартиры вполне подходит. Недостатков не замечено, животных и людей всё устраивает .


      Реакцию форумчан на этот люк можно узнать в этой теме https://homemasters.ru/...me/?p=330637

        • Ого
      • 6 ответов
    • Дома из сруба: идеальное сочетание уюта и прочности.
      Строительство собственного дома является важной вехой в жизни любого человека, поскольку оно знаменует собой важное событие. Выбор строительных материалов имеет огромное значение для создания теплого и функционального жилища. На протяжении всей древней истории древесина была распространенным материалом для строительства домов, что отразилось на различных культурах мира.

      • 0 ответов
    • Кажись всё или строительный пылесос с тройной мультициклонной ступенью очистки
      Кажись всё или строительный пылесос с тройной мультициклонной ступенью очистки

        • Нравится
      • 16 ответов
×
×
  • Создать...

Важная информация

Мы разместили cookie-файлы на ваше устройство, чтобы помочь сделать этот сайт лучше. Вы можете изменить свои настройки cookie-файлов, или продолжить без изменения настроек.