Перейти к содержанию
Форумы о ремонте и строительстве

Подключение точечных светильников в потолке из ГКЛ

Оценить эту тему:


vovan4ik

Рекомендуемые сообщения

Опубликовано

Всех приветствую,дамы и господа.У меня возникло пару вопросов,вопросы о том как правильно подключать точечные светильники,светильники на 220 Вольт, 5 Шт по 50 Ватт. Сразу говарю,в электроники я деревня. :D Когда покупал светильники,поинтересовался у продавцов,какие мне нужны светильники?-они мне посоветовали преобрести на 220 Вольт Не знаю,хороши они ли плохи,но уже поздно,так как я их уже купил. :laugh: Ещё купил блок защиты галогенных ламп на 500-Ватт. Я так понил,чтоб подключить галогенных лампы,те каторые у меня по 220 вольт,нужно всего одно или несколько "блоков защиты галогенных ламп" :blink: извионите! Я правильно понил?А для того что бы подключить галогенные лампы на 12 вольт,для каждой лампы нужен трансформатор определёной мощности?Верно? То есть получается то,что светильники и "блок защиты галогенных ламп"по 220 вольт обходяться довольно дешевле,чем светильники по 12 вольт. Верно?Так какие мне действия дальше по советоваете ?Схему потолка не получаеться загрузить.Заранее благодарен за ответы.

но уже поздно,так как я их уже купил.

Тогда с 12-вольтовыми и не заморачивайся ;) или почитай похожие темы про галогенки. Про твои купленные светильники.Твоего блока защиты хватит одного.Кстати,уточни название блока защиты,чтобы предметно разговаривать. В подключении всего этого хозяйства нет ничего сложного,но с тебя обязательно нужно твою предполагаемую схему подключения и описание или план как расположены светильники,так как

в электроники я деревня.

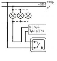
Схема подключения блока защиты.

post-9894-1268185166_thumb.jpg

Сложности на самом деле никакой. Пробрасываете кабель шлейфом до штатных мест светильников, подключаете светильники на паралель. Второй конец кабеля подключаете к блоку зашиты, а уж его через выключатель к сети. Примено по этой схеме (красным фаза, черным ноль):

post-38961-1268185205_thumb.jpg

Evgenik

уточни название блока защиты

Ты имеешь в виду,производителя? "Feron" мощность-500 Вт.
время разогрева-2-3 сек.

Ещё меня интересует,какие именно мне нужно покупать клемники,или сизы? :huh:  Если есть образец,и есть возможность его показать,тогда фотку в студию,пожалуйста. :laugh: 
1-)Кабель 1,5 кв,м-2-x жильный. (медь)
2-)Какие клемники использовать для соеденения кабеля,тот каторый идёт по комнате в коробке 2,5 кв,m-3-x жильный,его нужно соеденить с кабелем 1,5 кв,м-2-(разумееться медь) какие для соеденения клемники нужны? Или в таком случае,делаеться скрутка?
3-)Кабель для светильников уже протянут,по верху,осталось подсоеденить)

По поводу соединения 2х1,5 и 3х2,5. Лично я делаю скрутку и пропаиваю (считаю, что так наденжней). А в местах соединения шлейфа с колодкой от ламп, ставлю обычные клемники что-то вроде таких ка на рисунке.

post-38961-1268192596_thumb.jpg

Лично я делаю скрутку и пропаиваю (считаю, что так наденжней).

Сам делаешь хорошо,а другим советеушь не очень хорошо? ;) Клеммная колодка далеко не лучший вариант.Лучше клеммники Ваго,если не умеешь хорошо скручивать-спаивать.

vovan4ik,не хотелось бы расстраивать,но про данный блок попались такие отзывы:

Скрытое содержимое:
Максим (03.01.2010 17:30:01)

Блок полное дерьмо. После установки в люстру с 4 галогенками по 20 ватт обнаружилось, что лампочки периодически моргают, после примерно 10 минут работы лампочки стали гореть вполнакала,напряжение на выходе блока упало до 114 вольт, (Входное напряжение – 228 вольт) резисторы делителя напряжения стали при этом греться так, что почернели. После замены блока в магазине на новый, выяснилось, что он работает точно так же. Решил проверить работу блока на обычной настольной лампе 60 ватт 220вольт, так как подумал, что блок неправильно работает при подключении электронного трансформатора. Выяснилось, что при подключении обычной лампы накаливания симптомы те же. Вывод: Блоки защиты Feron непригодны к эксплуатации, как впрочем, и почти все товары производства Китая – Отлично выполненный муляж настоящего устройства. Зря выбросил 250 рублей. Хотя деньги и небольшие, но жалко потерянного времени. Надеюсь, что моё сообщение поможет другим людям избежать разочарования.

Иван Смолянов (14.09.2009 03:55:57)

Разочарован китайским блоком (Feron), но доволен белорусскими (Гранит), которые работают превосходно более года. У Feron периодически наблюдались: 1.”Зависания” в мерцающем состоянии, 2.Вспышки, перед плавным запуском, 3.Неполные открытия симистора. Можно отметить незначительную зависимость частоты сбоев от ”шума” сети в ежесуточных пиках потребления эл.энергии.

ТинПу (29.06.2009 12:03:27)

выложите схему сами доработаем …

дима (14.05.2009 18:07:45)

как подключить pro 011 с пультом и 25 лампами?

Покупатель (16.02.2009 19:16:11)

Купил вчера на рынке БЗ. Китайская люстра с галогенками в нищету скоро вгонит. Поставил блок, люстра моргает как ёлка, БЗ трещит. В выключателе перекусил проводок подсветки. Если блок соединять к фазе много шума, свет моргает, соединил к другому проводку, вроде все норм, однако плавного включения не увидел, еще и свет не яркий стал(13 галогенок 20вт потемки). Ладно думаю черт с ним. Врубаю комп, звук,… в колонках характерный треск, в общем если свет включен, фон от БЗ передается по сети на любую аппаратуру в комнате ЖУТЬ а не прибор, выкинул 350р на ветер!!!!!

Владимир (01.02.2009 16:10:26)

Купил этот блок для галогенок 3х50=150 ватт. При первом включении появилось гудение в трансф-ре, свет как то странно замигал. После 1 часа работы блок нагрелся, видимо не тянет указанную мощность. Монтировал блок электрик ЖЭСа, который еще до работы сказал что это ”китайская **йня”, так и оказалось. Поставил белорусские – пашут без проблем! Вывод банален: скупой платит дважды.

Злой как собака! (29.01.2009 00:26:21)

Господа! Ни в коем случае не вздумайте покупать ЭТО! Поставил в потолок 4 галогенки по 50 Вт в параллель. Итого 200 Вт. Купил блок на 300 Вт (типа с запасом по мощности). Выключатель использовал фирмы Makel. И появились следующие косяки: 1)При включении происходит вспышка, затем плавный разогрев спиралей ламп; 2) При включении лампы начинают хаотично моргать, да причем так интенсивно, что лучше бы этого блока ваще не было. Сходил в магазин и обменял блок на аналогичный. Поставил – та же фигня. Заменил выключатель на Elbi – стало получше. Заменил выключатель на Legrand – стало ещё лучше.Симптомы номер 2 стали проявляться реже, но симптом номер 1 так и остался. И что самое обидное – в моем любимом городе ничего другого не купить! Придется выкинуть это Г в мусорку и собирать самому. Уважаемые поизводители! Ради всего святого, устраните все косяки из этих блоков или прекратите их выпускать и поставлять в торговую сеть.

Алексей (22.11.2008 18:30:47)

… судя по отзывам – лучше не стану покупать эти блоки защиты. Хотя хотел поставить на 500Вт. Думал, что также будет работать как белорусский БЗ-200(300,500..). (Пользуюсь белорусским на 200вт. Включает свет плавно, без вспышек. Свет не моргает. Никаких нареканий! Единственный минус цена – они дороже). Так что надо подумать.

Владислав (27.10.2008 23:33:05)

Работает без нареканий.

Олег (24.04.2008 22:59:19)

Фигня, а не прибор. То же самое что у Игоря и Владимира. Хотел купить сразу на все светильники, но потом подумал, что надо посмотреть как работает. Ффф топку..

Игорь (15.04.2008 13:02:48)

Купил, поставил. Моргают, включается после импульса,и еще много свякой бяки. Поменял на аналогичный в магазине – та же ботва. Вывод – надо собрать всю эту продукцию и раздавить бульдозером дабы не морочить людям головы и не отвлекать их от дел насущных

Леонид (06.02.2008 07:50:47)

Поставил себе такой блок и розочеровался. Лампочка начинает плавно загораться с предварительной вспышки,а то и вовсе зависла в мерцающим свете. Что это,неисправный блок или неудачное схематическая разработка?

Максим (25.01.2008 10:45:58)

Поставил себе такой блок, только какая-то не понятная проблема, как свет включаешь, лампочки сначала вспыхивают в пол накала, затем полностью гаснут, а затем уже медленно включаются. Напряжение на выходе не мерил, но мне кажется что маловато будет, т.к. светит, но греет ни как 75Вт. Тепло от лампы начинается только на 20см от лампы. Представители, разъясните!

Владимир (10.12.2007 19:48:19)

Я извиняюсь про Китай -это мне сказали в магазине не теперь я понял это делается на малой Арнаутской)а микросхемы там стоят разные по названию и правда их даже не слышали в магазине Электронный мир где есть почти все)включил сейчас на 2шт 60ватт фитолампы померил в сети 227 в на лампах 182вольта бедные растения)-может технические представители фирмы посоветуют что можно сделать чтобы хоть на 15 вольт уменьшить падение на блоке.

Владимир (10.12.2007 09:35:35)

Единственное достоинство что эти блоки маленькие-но Китай есть Китай)и самое не приятное не микросхема которую не найти -а почти 40 вольт которые падают на этом устройстве ну 15-20в я думаю вполне нормально для такого типа схемы ,хорошо если у меня 225 в и на лампе 185в а если у кого-то будет 210в и как эта лампа будет светить только этот блок защиты можно применять в интернате для слепых)——–очень плохо полное дерьмо согласен может хватит нас кормит этим)

bntl (09.12.2007 00:06:15)

Не знаю, может мне так не повезло, но, на мой взгляд, эти блоки- полное говно! Схемотехника убогая, работают отвратительно, валяются несколько нерабочих, не знаю, где взять схему, чтобы как-то попытаться привести их в чувство (если это в-принципе возможно). Белорусские (Ноотехника)выглядят гораздо лучше. Правда, у меня работает только их таймер для санузла, но без проблем.

Сам делаешь хорошо,а другим советеушь не очень хорошо? ;) Клеммная колодка далеко не лучший вариант.Лучше клеммники Ваго,если не умеешь хорошо скручивать-спаивать.

Evgenik, если бы в нашей деревне были Ваго, то может быть и делал на них... А что такого смертельного в соединенияя на обычную колодку? Я понимаю, что считается не очень надежным, но испокон века делали на них и все было хорошо, а теперь? <_<
batylin ilya
(изменено)

Я использую только ВАГО, простота в использовании и надёжность. Каждый тип клемников предназначен для своего подключения. вот такие клемники ВАГО я использую для подключения осветительных приборов, в том числе и для подключения точечной подсветки.

post-38454-1268212104_thumb.jpg

post-38454-1268212204_thumb.jpg

Изменено пользователем batylin ilya
batylin ilya
(изменено)

Мягкие входят как раз от осветительного прибора. Но есть такие же клемники они различаются по номерам после 224-.... для разных кабелей и проводов. WAGO 224-111 клеммы для подключения осветительных приборов, на 1 входной проводник сечением 1,0-2,5 мм2 100

WAGO 224-112 клеммы для подключения осветительных приборов, на 2 входных проводника сечением 1,0-2,5 мм2 (б\п) 100

WAGO 224-114 клеммы для подключения осветительных приборов, на 2 входных медных проводника сечением 1,0-2,5 мм2; (термо). http://www.tmon.ru/

post-38454-1268215378_thumb.jpg

post-38454-1268215472_thumb.jpg

post-38454-1268215571_thumb.jpg

post-38454-1268215582_thumb.gif

Изменено пользователем batylin ilya
batylin ilya
(изменено)

Клеммники wago: (тип 224)Клеммы 224 предназначены для присоединения и ответвления одножильных и многожильных проводников из меди и алюминия в электрических цепях переменного тока с частотой 50 Гц напряжением до 380 В. Клеммы применяются для подключения осветительного оборудования.Технические характеристики:Наименование Ток (А) Число подкл. проводн. Сечение проводн/ (мм²) Наличие контактной пасты 224-111 ; 25 ; 2 ; 0,5-2,5 с пастой 224-122 ; 25 ; 3 ; 0,5-2,5 с пастой 224-201 ; 25 ; 2 ; 0,5-2,5 без пастыУверен что такие клемники многим по нраву, пусть даже и не 1р. соят, но за то качество и удобство.

Изменено пользователем batylin ilya
batylin ilya
(изменено)

Так же подходят клемы ВАГО 222 с защёлками. Клеммы 222 предназначены для присоединения и ответвления одножильных и многожильных проводников из меди в электрических цепях переменного тока с частотой 50 Гц напряжением до 380 В. Для проводников из алюминия данные клеммы заполняются токопроводящей пастой. Клеммы универсальные применяются как для подключения осветительного оборудования, так и для установки в распределительных коробках Наименование; Ток (А); Число подкл. проводн.;Сечение проводн/ (мм²);Наличие контактной пасты 222-413 ; 32 ; 3 ; 0,08-4,0 ; без пасты 222-415 ; 32 ; 5 ; 0,08-4,0 ; без пасты

post-38454-1268217506_thumb.jpg

Изменено пользователем batylin ilya
(изменено)

Evgenik Да уж бро,я разочарован. :o Сейчас же пойду покупать другой блок защиты,дрогого производителя!

А этот оставлю для эксперемента.

Ещё куплю ваговские клемники. По результатам отпишусь.

Всем спасибо.

Изменено пользователем vovan4ik

если бы в нашей деревне были Ваго, то может быть и делал на них

У нас они тоже недавно появились,так что и у вас будут :) А с такими клеммниками я уже сталкивался несколько раз.Прислали как то стойку с обрудованием,там все так красиво сделано,разводка аккуратная через эти клеммные колодки.Но через месяцев 10 то одно пропадет,то другое барахлит,стали разбираться,а это всё из-за хреновых контактов в колодках.Все подтянули,но через год опять такая же хрень.Всю эту балду выкинули и запаяли намертво.Может винты расслаблялись от вибрации - в стойке стоят вентики компутерные 4 шт,но в компутере же ничего не отваливается :). И кроме этого были еще подобные случаи. А раньше если и делали клеммными колодками,то они были немного другой конструкции - понадежнее, особенно которые зажимали провод гайкой и второй контрились.

Ау меня были случаи когда они при затяжке внутри трескались и соответственно ни о каком хорошем контакте и речи быть не могло, с тех пор с опаской к ним отношусьи когда использую несколько раз проверяю как они там :)

batylin ilya

Для ясности. Это вы о колодках клемных, те которые на винтах???????????

У нас они тоже недавно появились,так что и у вас будут :) А с такими клеммниками я уже сталкивался несколько раз.Прислали как то стойку с обрудованием,там все так красиво сделано,разводка аккуратная через эти клеммные колодки.Но через месяцев 10 то одно пропадет,то другое барахлит,стали разбираться,а это всё из-за хреновых контактов в колодках.Все подтянули,но через год опять такая же хрень.Всю эту балду выкинули и запаяли намертво.Может винты расслаблялись от вибрации - в стойке стоят вентики компутерные 4 шт,но в компутере же ничего не отваливается :). И кроме этого были еще подобные случаи. А раньше если и делали клеммными колодками,то они были немного другой конструкции - понадежнее, особенно которые зажимали провод гайкой и второй контрились.

Димп ужЕ писАл где-то, что соединять такими клеммниками(тем более - китайскими, как на фото) можно только предварительно скрутив оба соединямых провода и зажав их под оба винта сразу. И ни в коем разе не вставляя проводки с разных сторон клемм.

Ау меня были случаи когда они при затяжке внутри трескались

Тоже такое наблюдал.

соединять такими клеммниками(тем более - китайскими, как на фото) можно только предварительно скрутив оба соединямых провода

и хорошенько пропаять. :lol:
batylin ilya

Тогда спрашивается, Зачем они нужны :P

соединять такими клеммниками(тем более - китайскими, как на фото) можно только предварительно скрутив оба соединямых провода и зажав их под оба винта сразу

Точно - по китаю. И только многожильный провод - на жёсткой одинарной жиле китай треснет при хорошем затягивании однозначно.К леграновским клеммникам это не относиться - у них и болт зажимной под диаметр отверстия и гильза сделана из нормального материала.

Для публикации сообщений создайте учётную запись или авторизуйтесь

Вы должны быть зарегистрированным пользователем, чтобы оставить комментарий

Создать учетную запись

Зарегистрируйтесь в нашем сообществе.

Зарегистрироваться

Войти

Уже есть аккаунт? Войти в систему.

Войти

Или войти с помощью одного из сервисов



  • Наши рекомендации

    • Люк для кошек своими руками
      Разумеется давно придуманы и продаются специальные лючки для кошек, которые можно врезать в дверь, но мы ведь не ищем легких путей . Да и по зоомагазинам я не хожу, а "гугление" показало, что такие люки для кошек стоят относительно не дешево. В то же время под рукой были два "копеечных" сантехнических пластиковых лючка для ГКЛ. Все что оставалось, так это обломать фиксаторы крышек, что бы они открывались в обе стороны, ровно выпилить отверстие в двери, да вклеить симметрично эти лючки.

      То, что получилось видно на фото. Разумеется это не для тех, у кого "дизайнерский ремонт", но для обыкновенной квартиры вполне подходит. Недостатков не замечено, животных и людей всё устраивает .


      Реакцию форумчан на этот люк можно узнать в этой теме https://homemasters.ru/...me/?p=330637

        • Ого
      • 6 ответов
    • Вторая жизнь дивана: искусство ремонта мягкой мебели своими руками
      В эпоху беспрерывного потребления и стремления к новизне, ремонт старой мягкой мебели своими руками приобретает не просто практическое, но и глубоко философское значение. Это действие как знак уважения к труду мастеров, которые вложили свое мастерство в создание диванов, кресел и пуфов, и как воплощение идеи устойчивого потребления. С каждым возвращенным к жизни предметом мебели, мы не только сохраняем историю и уникальность каждого изделия, но и противостоим бездумному обновлению интерьера за счет экологии и рационального использования ресурсов.

        • Нравится
      • 0 ответов
    • Дома из сруба: идеальное сочетание уюта и прочности.
      Строительство собственного дома является важной вехой в жизни любого человека, поскольку оно знаменует собой важное событие. Выбор строительных материалов имеет огромное значение для создания теплого и функционального жилища. На протяжении всей древней истории древесина была распространенным материалом для строительства домов, что отразилось на различных культурах мира.

      • 0 ответов
    • Подходы к ремонту старых домов в России
      В России сотни тысяч старых домов, многие из которых являются не только свидетельством исторического наследия, но и отражением уникальной культуры и традиций страны. Эти дома, будь то деревянные избы или старинные каменные постройки, сохраняют в себе дух времени и рассказывают историю поколений.

      • 0 ответов
    • Аккумуляторные пилы  SCW и  SCM  22-A
      После того как провёл тесты, приступил к самому главному. Поменять диски местами, и проверить, как инструмент на это отреагирует, ведь они внешнее и походу внутренне практически одинаковые, пила по дереву конечно более навороченее, есть настройки угла наклона и можно на шину посадить через адаптер.

      • 4 ответа
    • Кажись всё или строительный пылесос с тройной мультициклонной ступенью очистки
      Кажись всё или строительный пылесос с тройной мультициклонной ступенью очистки

        • Нравится
      • 16 ответов
    • Как построить теплый дом, не тратя лишних денег
      Строительство гостевого дома решил выделить в отдельную тему, так будет меньше путаницы.


        • Спасибо
        • Нравится
      • 262 ответа
    • Газовые котлы: эффективное, экономичное и экологичное решение для отопления вашего дома
      В современном мире, где комфорт и устойчивость стали ключевыми аспектами повседневной жизни, выбор правильного источника отопления дома становится особенно актуальным. Газовые котлы, сочетая в себе преимущества эффективности, экономичности и экологичности, представляют собой одно из наиболее популярных решений для обеспечения комфортной температуры в жилых и коммерческих помещениях.

      • 0 ответов
×
×
  • Создать...

Важная информация

Мы разместили cookie-файлы на ваше устройство, чтобы помочь сделать этот сайт лучше. Вы можете изменить свои настройки cookie-файлов, или продолжить без изменения настроек.