Перейти к содержанию
Форумы о ремонте и строительстве

Оценить эту тему:


tit pulion

Рекомендуемые сообщения

3 часа назад, Evgen сказал(а):

Если индикатор просто последовательно в цепь включить?

Получишь включенный индикатор при не горящей лампочке в положении "ВКЛ". В положении "ВЫКЛ" ничего гореть не будет.

Для справки: современный светодиод уверенно заметен при 500 микроамперах. Если 1 мА влупить в белый или синий - уже очень ярко. Под рамку выключателя впиндюривается рамка из оргстекла или прозрачного полистирола. Годится от упаковки для CD. 2 светодиодика очень даже обозначат выключатель по всему контуру.

blob.png.62bd3505f4c2068d7e6f8c2f675457a2.png

@steamroller у меня блок из трех розеток и включателя. Как минимум, общая подсветка будет смотреться как то не очень логично и привлекательно.

10 minutes ago, steamroller said:

Получишь включенный индикатор при не горящей лампочке в положении "ВКЛ

Почему? Какое же сопротивление на подсветке, что не хватит тока для зажигания основного света?

Там кстати не светодиод, неоновая лампочка.

Стимроллер, он о другом.

3 часа назад, Evgen сказал(а):

при замыкании цепи включался индикатор, при размыкании отключался

Кстати хороший вопрос! Смысл в том что в некоторых случаях должна быть индикация состояния лампы, например выключатель снаружи и ты не знаешь включен свет внутри или нет.

3 часа назад, Evgen сказал(а):

Как можно переделать кнопку

Нужен в установочной коробке выключателя третий провод - нейтраль. Лампочку индикатора одним концом садишь в выключателе на контакт нагрузки (лампы), другой на нейтраль, т.е включаешь индикатор параллельно лампе.

5 минут назад, Evgen сказал(а):

у меня блок из трех розеток и включателя.

Т.е нейтраль имеется. Хорошо.

14 minutes ago, bagayama said:

нейтраль.

Я кстати не один раз видел, что включателем рвут как фазу, так и ноль.

Костя, ты не въехал. Я отвечал на поставленный вопрос "Если индикатор просто последовательно в цепь включить?"

21 минуту назад, bagayama сказал(а):

в некоторых случаях должна быть индикация состояния лампы, например выключатель снаружи и ты не знаешь включен свет внутри или нет.

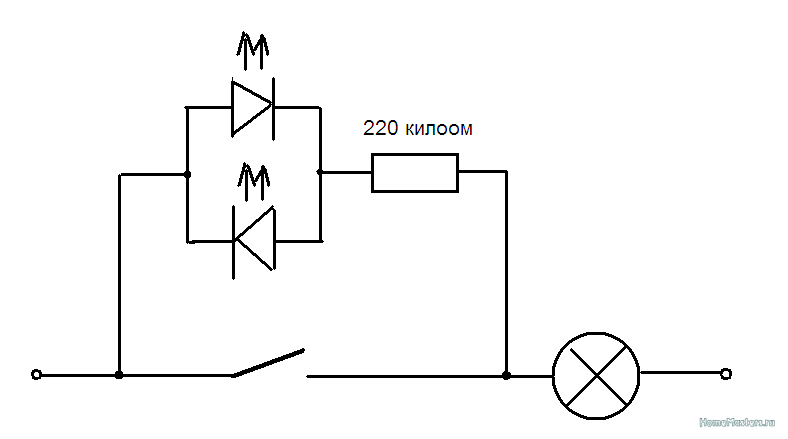
Фишка известная и понятная. Например, насос далеко от дома. Можно повесить лампочку, которая загорится, если автоматика включила насос. Но лампочка скажет лишь о том, что напряжение подано на провод. А работает насос или нет - не известно. Решение простецкое! Неоднократно им пользовался:
blob.png.286e60db7944d89e92331779e7323e8a.png

Берётся какой-нибудь хилый трансформатор. Совсем хилый, лишь бы не дохлый. Его первичка, которая для 220, цепляется к светодиодам как показано. А толстым проводом соответствующего сечения доматывается 1-10 витков. Эта обмотка включается последовательно с нагрузкой. Светодиоды заполыхают только при наличии тока в ней.

Цитата

включателем рвут как фазу, так и ноль.

Да, бывает ставят неправильно.

Чем черевато? Ты выключил свет выключателем и полез менять лампочку в ожидании что там фазы нет.

Сюрприз! ;)

7 минут назад, steamroller сказал(а):

Костя, ты не въехал. Я отвечал на поставленный вопрос "Если индикатор просто последовательно в цепь включить?"

Фишка известная и понятная. Например, насос далеко от дома. Можно повесить лампочку, которая загорится, если автоматика включила насос. Но лампочка скажет лишь о том, что напряжение подано на провод. А работает насос или нет - не известно. Решение простецкое! Неоднократно им пользовался:
blob.png.286e60db7944d89e92331779e7323e8a.png

Берётся какой-нибудь хилый трансформатор. Совсем хилый, лишь бы не дохлый. Его первичка, которая для 220, цепляется к светодиодам как показано. А толстым проводом соответствующего сечения доматывается 1-10 витков. Эта обмотка включается последовательно с нагрузкой. Светодиоды заполыхают только при наличии тока в ней.

Есть и более изящные варианты. Реле, например, и сигнальная лампа.

13 minutes ago, bagayama said:

Сюрприз

Зачем в патрон лезть пальцами?))

Ну и узо конечно, хоть и не панацея, но в помощь.

37 минут назад, Evgen сказал(а):

Зачем в патрон лезть пальцами?))

Ну и узо конечно, хоть и не панацея, но в помощь.

Например, цоколь в патроне остался, а на нем фаза, а рядом есть оголенный провод заземления :)

@Дмитрий 78

Дима...

ДИИМААА!!!! ты >20-ти раз уже сказал мне про мой выбор нелёгких путей. А сам-то, сам!!! А теперь ответь как на духу - чтможет быть проще трансформатора тока с парой светодиодов? И дешевле, вообще даром! Этих трансформаторов от старых моторол и нокий остаётся как грязи, а 2 светодиода экспроприируются из зажигалок. Там лишь бы окно позволило нужный провод протянуть. Я понимаю, не "фирма", самопал, "из говна и палок" (с) Манул. Но это простецкое неубиваемое устройство космической надёжности! Ну, если заказчик платит, можно и ток точно измерить и по интернету отправить. У вас там в Питере живёт офигенный программист, сделавший сервак для чайников. Манюсенькая программулька с полноценным функционалом. SmallSRV называется. Вот к ей цепляясь и смотришь с пляжей Майями работу насоса в колодце. А если делаешь себе лично?

Ты меня до нервов возбудил. А мне ещё спать и утром вставать рано.

56 минут назад, steamroller сказал(а):

А теперь ответь как на духу - чтможет быть проще трансформатора тока с парой светодиодов?

вот такая херня - https://ru.aliexpress.c...web201603_52 намного дешевле чем "из говна и палок"" (с) Манул :)

4 часа назад, steamroller сказал(а):

Но лампочка скажет лишь о том, что напряжение подано на провод. А работает насос или нет - не известно. Решение простецкое!

твое решение - не скажет работает или витковое, а китайэкспрес по полочкам разложит

9 часов назад, dimp сказал(а):

вот такая херня - https://ru.ali...

.... она, херня эта твоя, когда появилась? А китайэкспресс когда? А насосы у меня качали ещё до появления интернета. И светодиоды подмигивали. Утверждение "намного дешевле" некорректно, покуда умножать на ноль - будет ноль, а делить на ноль запрещено любой конституцией. И ещё вопрос - а что ты будешь делать без этой китайской продукции? Совсем не дело кидаться за любой хернёй к Джеку Ма. Это я тебе говорю, - активнейший покупатель всякой полупроводниковой техники там. Нам с китайских магазов вроде бы польза. Токмо думать они нахер отучают. Эт я не про тебя конкретно, а про молодняк.

1 час назад, Дмитрий 78 сказал(а):

я не храню дома сломанные нокии и не пользуюсь зажигалками.

Правильно! Я тоже не храню - выкидываю. Но перед выбросом можно с детишками вскрыть и потроха глянуть. Им очень интересно. А может даже что-нибудь ковырнуть. Однажды микрофон понадобился и тут как раз мотороллер дуба дал. Зажигалку с приставкой "турбо", можно без светодиода, очень тебе рекомендую. Не для прикурить. Удобный инструмент термоусадку усадить, отогреть форсунку стеклоомывателя или замок в авто. Горит в любом положении, хоть вверх тормашками! Я понимаю, у тебя в машине умный замок от брелока. Но в беду может попасть симпатичная соседка на Жигулях.

Ну, и последнее, (на грустном тяжёлом выдохе), - ты невнимателен! Я не про телефоны говорил, а про адаптеры, зарядники. Их не выкидывать надо, а пускать на всякие самоделки. Ты смотри какое тупое поколение выросло! Они же руками нихера не могут. Ну, разве что дрочить. Сидит продавец, лет 25, здоровенный чувак в сосисочном киоске и рожей в мобилу. Часами сидит, сутками! Я понимаю, в 90-е к власти пришли те, которым похеру воспитание молодняка. Но всё же малая, ничтожная вина за это поколение есть и у нас с тобой.

5 часов назад, steamroller сказал(а):

.... она, херня эта твоя, когда появилась? А китайэкспресс когда?

ты вопрос задал вчера - я тебе на него и ответил, что может быть дешевле

да можно пошевелить руками и сотворить "из говна и палок" (с) Манул:) просто стоимость я лично считаю исходя из своего затраченного времени и его оплаты, у меня на сегодня 2 усилка в ремонте валяются и две колонки (тоже усилители), так мне если надо руки занять - пойду с ними поковыряюсь, а себе поставлю что то более эстетичное чем если бы делал сам - до эстетического оформления поделок у меня руки никогда не доходили:D

@dimp, ты эту хрень покупал? Если серьёзно и без брюзжания, то сейчас, по совокупности причин тобой указанных, я бы однозначно впиндюрил предложенный тобой прибор, а не ТТ со светодиодами. И если ты покупал, так расскажи тут в ХМ про него побольше. Я бы себе этих хреновин понавешал бы где надо и даже где не очень, а просто так, чтобы глаз радовали. Более того, сменив транс на более другой можно заполучить не 0-100, а 0-10.0 и даже 0-1.00. Ну, точку придётся пририсовать фломастером. Или шунт перепаять.

Я пользуюсь другими хреновинами: №1 и №2 Вторую купил, покуда косинус кажет и частоту. Так с частотой нас "по Гребенщикову" - не кажет, 50 показывает, сволочь, даже у непрогретого бензогенератора, когда реально 30 и напряжение 160. Ценник там не интересный, но для моих нужд в самый раз.

Однозначно, ты выдал на гора однозначно полезную инфу!

2 часа назад, Дмитрий 78 сказал(а):

брюзжание - признак старения :)

Как-то Брежневу говорят - "Леонид Ильич! Вам не кажется, что пора не пенсию - вы слишком стар!" Брежнев - "Да, я стар, я очень стар, я - SUPER STAR!"

====

Ладно, ещё побрюзжу чуток.

Спойлер

@dimp, ты ссылку на Али скинул. Вот она: ru.aliexpress.com/item/32869232483.html?spm=a2g0o.productlist.0.0.7bbb77feEhN8re&algo_pvid=4e74c603-2d49-4127-8ced-73c70d740603&algo_expid=4e74c603-2d49-4127-8ced-73c70d740603-43&btsid=dbd89b8a-e64b-4c5c-b715-3334efb6f700&ws_ab_test=searchweb0_0,searchweb201602_3,searchweb201603_55

Всё после знака "?" - лишнее. Это параметры, связанные с твоим запросом и компутером. Правильная ссылка выглядит так:

https://ru.aliexpress.com/item/32869232483.html

@Дмитрий 78, обещанные фотки подставки я тебе выложил.

Всё, побрюзжали и хватит - работать пойду.

2 часа назад, steamroller сказал(а):

себе этих хреновин понавешал бы где надо и даже где не очень, а просто так, чтобы глаз радовали.

Скрыть контент

ну ты извини - мне по барабану сколько там лишнего, я китайэкспрес открыл нашел свою покупку и вставил ссылку не думая, что кто то будет число букв считать:)

я тоже понавешал где придется - если фотки найду кину

@dimp, только что товарищ отзвонился. Приехал китайский ваттметр с полным фаршем. До 300В и до 100А. Дисплей цветной и, что самое важное, частоту мерит точно, до 0,1 Герца! Для его бензогенератора в самый раз. Модель называется D69-2058 .

Думаю, озвучка в переводе не нуждается :)

Для публикации сообщений создайте учётную запись или авторизуйтесь

Вы должны быть зарегистрированным пользователем, чтобы оставить комментарий

Создать учетную запись

Зарегистрируйтесь в нашем сообществе.

Зарегистрироваться

Войти

Уже есть аккаунт? Войти в систему.

Войти

Или войти с помощью одного из сервисов



  • Наши рекомендации

    • Как построить теплый дом, не тратя лишних денег
      Строительство гостевого дома решил выделить в отдельную тему, так будет меньше путаницы.


        • Спасибо
        • Нравится
      • 259 ответов
    • Кажись всё или строительный пылесос с тройной мультициклонной ступенью очистки
      Кажись всё или строительный пылесос с тройной мультициклонной ступенью очистки

        • Нравится
      • 16 ответов
    • Газовые котлы: эффективное, экономичное и экологичное решение для отопления вашего дома
      В современном мире, где комфорт и устойчивость стали ключевыми аспектами повседневной жизни, выбор правильного источника отопления дома становится особенно актуальным. Газовые котлы, сочетая в себе преимущества эффективности, экономичности и экологичности, представляют собой одно из наиболее популярных решений для обеспечения комфортной температуры в жилых и коммерческих помещениях.

      • 0 ответов
    • Подходы к ремонту старых домов в России
      В России сотни тысяч старых домов, многие из которых являются не только свидетельством исторического наследия, но и отражением уникальной культуры и традиций страны. Эти дома, будь то деревянные избы или старинные каменные постройки, сохраняют в себе дух времени и рассказывают историю поколений.

      • 0 ответов
    • Дома из сруба: идеальное сочетание уюта и прочности.
      Строительство собственного дома является важной вехой в жизни любого человека, поскольку оно знаменует собой важное событие. Выбор строительных материалов имеет огромное значение для создания теплого и функционального жилища. На протяжении всей древней истории древесина была распространенным материалом для строительства домов, что отразилось на различных культурах мира.

      • 0 ответов
    • Вторая жизнь дивана: искусство ремонта мягкой мебели своими руками
      В эпоху беспрерывного потребления и стремления к новизне, ремонт старой мягкой мебели своими руками приобретает не просто практическое, но и глубоко философское значение. Это действие как знак уважения к труду мастеров, которые вложили свое мастерство в создание диванов, кресел и пуфов, и как воплощение идеи устойчивого потребления. С каждым возвращенным к жизни предметом мебели, мы не только сохраняем историю и уникальность каждого изделия, но и противостоим бездумному обновлению интерьера за счет экологии и рационального использования ресурсов.

        • Нравится
      • 0 ответов
    • Люк для кошек своими руками
      Разумеется давно придуманы и продаются специальные лючки для кошек, которые можно врезать в дверь, но мы ведь не ищем легких путей . Да и по зоомагазинам я не хожу, а "гугление" показало, что такие люки для кошек стоят относительно не дешево. В то же время под рукой были два "копеечных" сантехнических пластиковых лючка для ГКЛ. Все что оставалось, так это обломать фиксаторы крышек, что бы они открывались в обе стороны, ровно выпилить отверстие в двери, да вклеить симметрично эти лючки.

      То, что получилось видно на фото. Разумеется это не для тех, у кого "дизайнерский ремонт", но для обыкновенной квартиры вполне подходит. Недостатков не замечено, животных и людей всё устраивает .


      Реакцию форумчан на этот люк можно узнать в этой теме https://homemasters.ru/...me/?p=330637

        • Ого
      • 6 ответов
    • Аккумуляторные пилы  SCW и  SCM  22-A
      После того как провёл тесты, приступил к самому главному. Поменять диски местами, и проверить, как инструмент на это отреагирует, ведь они внешнее и походу внутренне практически одинаковые, пила по дереву конечно более навороченее, есть настройки угла наклона и можно на шину посадить через адаптер.

      • 4 ответа
×
×
  • Создать...

Важная информация

Мы разместили cookie-файлы на ваше устройство, чтобы помочь сделать этот сайт лучше. Вы можете изменить свои настройки cookie-файлов, или продолжить без изменения настроек.