Перейти к содержанию
Форумы о ремонте и строительстве

Полная замена проводки в старом фонде

Оценить эту тему:


Рекомендуемые сообщения

полоску гвл прикрутите к дереву  шириной 10см и хоть просто кабель уложите по ней без гофры  и все условия будут соблюдены

Подписываемся на тему День за днём, моя работа https://homemasters.ru/...esta-raboty/ и на мой инстарам https://www.instagram.c...gda35remont/

Принимаю заказы на мебель из слэбов

 

ХЗ, точнее скорее всего действительно крепёжная планка для шинок PE и N, но крепежей к ним я осознанно не наблюдал.

Поставте шинки на изолирующие подствки.

Попробовал примерить в это место DIN рейку, но места там мало, автомат и шина не поместятся друг под другом. Получается что единственный выход это то, что Вы предложили. А как крепить, к чему вернее? В этой железной планке сверлить отверстия и через изолирующие подставки на саморезы?

В этой железной планке сверлить отверстия и через изолирующие подставки на саморезы?
Как удобнее вам по подключению жил. Можно через изоляторы ставить прямо на заднюю стенку щита. 

@maxx, похоже, что Easy9 - это прерогатива российского рынка. Пытался найти у наших продаванов - только ВА63 и iK60N. Интересно, кто-то ковырял их. Насколько они хороши?

Manul, Ты про Easy9 ? В блоге электрика  ( http://blogelectrica.ru/) очень часто модулька расковыривается (ковырял он и АВ и УЗО и дифавтоматы) вроде как достойная она у китаиндошнайдера. К вам хз почему не везут (может потому что вы европа ;)  ) ,по цене реально конкурируют с ИЭК, EKF или Dekraft (этот шнейдер кстати очень плохо у меня в регионе распространён) .

может потому что вы европа
сомневаюсь, что в этом причина :)

Могу только предположить, что в этом ценовом диапазоне у нас и свои неплохие имеются. Ну, а для цены повыше потребуется и другое качество.

В общем корефан подогнал мне 6 автоматов Шнайдер из серии Acti9 на 10А, вроде неплохие должны быть.

1)10А на розетки можно ставить или мало будет? (Вводной у меня всего на 25, если кто забыл).

----------------------------------------

2)Такой вопрос, понимаю что всё от вкуса и т.д. зависит, но все таки как лучше 

1 ВАРИАНТ: в щитке на площадке вводной двухполюсный автомат 25А С / счетчик / в квартире в щитке однополюсный вводной (25А B (взял бы двуполюсный, но однополюсный просто уже есть)) / УЗО 32А 0.3А

АВТОМАТ 25А С --> СЧЕТЧИК --> АВТОМАТ 25А B --> УЗО 32А 0.3А

2 ВАРИАНТ: в щитке на площадке вводной двухполюсный автомат 25А С / счетчик / в квартире в щитке дифавтомат (автомат + узо) 32А 0.3А С

АВТОМАТ 25А С --> СЧЕТЧИК --> ДИФАВТОМАТ 32А 0.3А С

----------------------------------------

3)И ещё подскажите дураку на что влияет параметр кА в автоматах/узо/дифавтоматах. Понял что бывает 4.5 и 6кА, это минимальная нагрузка для срабатывания или что? 

Спасибо!

В общем корефан подогнал мне 6 автоматов Шнайдер из серии Acti9 на 10А, вроде неплохие должны быть.

Это сладкое слово халява :)


1)10А на розетки можно ставить или мало будет? (Вводной у меня всего на 25, если кто забыл).

Смотря что в розетку подключать. Грубый расчёт 220Вх10А = мощность на розетку 2200 Вт или 2,2 кВт . У меня к примеру стиралка 2,2 кВт и чайник на 2,2 кВт есть. Так же не забывайте,что автомат защищает кабель т.е. под 10А автомат нет смысла закладывать кабель толще 1,5 квадрата.


2)Такой вопрос, понимаю что всё от вкуса и т.д. зависит, но все таки как лучше 1 ВАРИАНТ: в щитке на площадке вводной двухполюсный автомат 25А С / счетчик / в квартире в щитке однополюсный вводной (25А B (взял бы двуполюсный, но однополюсный просто уже есть)) / УЗО 32А 0.3А АВТОМАТ 25А С --> СЧЕТЧИК --> АВТОМАТ 25А B --> УЗО 32А 0.3А 2 ВАРИАНТ: в щитке на площадке вводной двухполюсный автомат 25А С / счетчик / в квартире в щитке дифавтомат (автомат + узо) 32А 0.3А С АВТОМАТ 25А С --> СЧЕТЧИК --> ДИФАВТОМАТ 32А 0.3А С

1 вариант корректнее в плане выявления возможной неисправности в будущем. Вырубится АВ,то либо КЗ было либо нагрев,вырубится УЗО - была утечка. Когда щёлкает дифавтомат,то не понятно по какой причине.



3)И ещё подскажите дураку на что влияет параметр кА в автоматах/узо/дифавтоматах. Понял что бывает 4.5 и 6кА, это минимальная нагрузка для срабатывания или что? 

Это максимальный ток ,который выдержит этот АВ при форсмажоре и не разлетится на кусочки.

1 ВАРИАНТ...

2 ВАРИАНТ...

Всё зависит от того чего вы этим хотите добиться.

Если вы хотите иметь возможность в квартире выключать питание от ввода - оба вариант подойдут.

Если вы хотите чтоб при срабатывании от КЗ первым выбивало нижний (квартирный) автомат, нужно иметь разницу в номинале между автоматами желательно в 2 градации ("верхний-нижний": 25А - 10А, 40А - 25А ...),

ну и если возможно (позволяет характер нагрузки и наличие такого автомата) характеристику срабатывания избирательнее ("верхний-нижний": С-В, D-C ...); либо этажный вводной ставить как выключатель нагрузки (рубильник).

УЗО (ДА) ставить на вводе так можно если ниже УЗО уже не будет (т.е. оно одно на квартиру - это возможно, но может быть не удобно при срабатывании, т.к. обесточивается разом вся квартира). Иначе у вас могут начаться гонки - кто из УЗО быстрее отработает.

 

10А на розетки можно ставить или мало будет?

От группировки зависит. Напр. если вы к каждой розетки потянете отдельную линию, а нагрузки более 2,2 кВт у вас в квартире нет, то нормально. Если будете одновременно включать на группе розеток суммарно порядка 3 кВт, однозначно будет выбивать автомат.

Обычно 10А автомат ставят на световые группы.

Это максимальный ток ,который выдержит этот АВ при форсмажоре и не разлетится на кусочки.

Ну вот допустим в наличие есть два шнайдера:

1)http://www.etm.ru/cat/nn/9533552/ - 330 рублей

2)http://www.etm.ru/cat/nn/6218601/ - 930 рублей

Разница по сути только в серии (Мульти9 и Акти9) и в максимальном токе, который они способны выдержать: 4.5кА и 6кА соответственно.

----------------------------------------

1)Какой из них лучше поставить в щиток на площадку? Ну лучше понятно какой, просто есть ли смысл переплачивать почти в 3 раза?

2)И есть ли смысл на площадку вообще ставить автомат, может стоит ограничиться выключателем нагрузки, а вот в квартиру поставить хороший двухполюсный автомат 25А С? Или автомат и до и после счетчика будет надежнее и безопаснее?

Всё зависит от того чего вы этим хотите добиться.

Если вы хотите иметь возможность в квартире выключать питание от ввода - оба вариант подойдут.

Если вы хотите чтоб при срабатывании от КЗ первым выбивало нижний (квартирный) автомат, нужно иметь разницу в номинале между автоматами желательно в 2 градации ("верхний-нижний": 25А - 10А, 40А - 25А ...),

ну и если возможно (позволяет характер нагрузки и наличие такого автомата) характеристику срабатывания избирательнее ("верхний-нижний": С-В, D-C ...); либо этажный вводной ставить как выключатель нагрузки (рубильник).

УЗО (ДА) ставить на вводе так можно если ниже УЗО уже не будет (т.е. оно одно на квартиру - это возможно, но может быть не удобно при срабатывании, т.к. обесточивается разом вся квартира). Иначе у вас могут начаться гонки - кто из УЗО быстрее отработает.

1)Ну вот допустим если взять два автомата на 25А только один С (на лестницу), второй B (в квартиру), квартирный будет гарантированно первым же срабатывать или не всегда?

2)По поводу УЗО. Я далеко не специалист в электрике, мне подсказал товарищ, который себе  полностью менял проводку. Вот и я планировал делать примерно, как у него, но только понятное дело с другими номиналами. Номиналы УЗО опять же он посоветовал, я в этом ничего не понимаю.

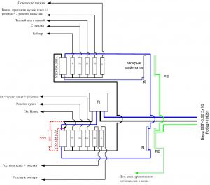
Получается общее УЗО он посоветовал на 32А с током 0.3 (у него на схеме оно на 63А),  а на "мокрую" группу 16А с током 0.03 (у него на схеме оно на 40А), которой подключается последовательно первому УЗО на 32А. 

Вот его схема:

post-97344-0-21826100-1419246416_thumb.jpg

Стоит так делать, что можете подсказать?

Спасибо!

Получается общее УЗО он посоветовал на 32А с током 0.3

Понятно, я не досмотрел.

Это противопожарное УЗО 300мА, в противовес 30мА защищающему от опасности человека. В принципе сделать можно, хотя я бы просто поставил 2 УЗО 30мА параллельно (напр. одно на мокрую зону, одно на остальное - было бы безопаснее).

@bagayama, а на сколько ампер эти два узо?

Получится вводной автомат на 25А потом сразу два узо паралельно с током утечки 0.03 и потом уже от этих узо группы автоматов.

два автомата на 25А только один С (на лестницу), второй B (в квартиру), квартирный будет гарантированно первым же срабатывать или не всегда?
гарантированно, но вышестоящий за это время успеет сработать практически всегда. 
@Lee, а как тогда вы посоветуете сделать? Лишний раз в щиток на лестничной клетке лазать очень не хочется. Но ЖКС требует, чтобы в щитке было не более 25А.

@Lee, а как тогда вы посоветуете сделать? Лишний раз в щиток на лестничной клетке лазать очень не хочется. Но ЖКС требует, чтобы в щитке было не более 25А.

Если не хочется лезть в подъездный щит,то квартирный АВ должен быть меньшим номиналом - это же очевидно.Только это врядли кого-то устроить может :)  Подъездный АВ,ограничивает вашу мощность,его задача основная в этом,если он там один сидит.

Ну вот допустим в наличие есть два шнайдера:

1)http://www.etm.ru/cat/nn/9533552/ - 330 рублей

2)http://www.etm.ru/cat/nn/6218601/ - 930 рублей

Разница по сути только в серии (Мульти9 и Акти9) и в максимальном токе, который они способны выдержать: 4.5кА и 6кА соответственно.

----------------------------------------

1)Какой из них лучше поставить в щиток на площадку? Ну лучше понятно какой, просто есть ли смысл переплачивать почти в 3 раза?

2)И есть ли смысл на площадку вообще ставить автомат, может стоит ограничиться выключателем нагрузки, а вот в квартиру поставить хороший двухполюсный автомат 25А С? Или автомат и до и после счетчика будет надежнее и безопаснее?

1.Ну я считаю,что особого смысла нет конечно.Но я не мастер.Грубо говоря АВ на 6 кА более надёжен просто,а его цена состоит из того,что он из других материалов сделан.

2.У вас ключи от подъедного щитка есть? Если есть,то я бы сделал наоборот. В щитке оставил АВ (выше писал,что он там должен сидеть и ограничивать вашу мощность),а дома поставил рубильник,чтобы можно было обестачивать квартиру,Если на долго уезжаете к примеру.Я что-то смысла особого в двух вводных АВ не вижу...

на сколько ампер эти два узо?
Либо как вводной либо по сумме нижестоящих автоматов (если так получается меньше). Для китайских УЗО номинал по току лучше брать на ступень выше (так и в инструкции пишут, напр у Dekraft-a).
вводной автомат на 25А потом сразу два узо паралельно с током утечки 0.03 и потом уже от этих узо группы автоматов.
Да, можно такой вариант. УЗО противопожарные человека от удара не спасают, а 30мА заодно с человеком и от утечки пожароопасной уберегут.
Но ЖКС требует, чтобы в щитке было не более 25А.
Поставте ВН на 25А, если кабель до квартирного щита длиной менее 6м это можно. 

гарантированно, но вышестоящий за это время успеет сработать практически всегда. 

Если не хочется лезть в подъездный щит,то квартирный АВ должен быть меньшим номиналом - это же очевидно.

а я бы не стал так категорично утверждать  :)  всё зависит от токов КЗ (дальность подстанции, подводящая линия) 60% что вылетят оба и в первом и во втором случае

Если не хочется лезть в подъездный щит,то квартирный АВ должен быть меньшим номиналом - это же очевидно.Только это врядли кого-то устроить может :)  Подъездный АВ,ограничивает вашу мощность,его задача основная в этом,если он там один сидит.

У вас ключи от подъедного щитка есть? Если есть,то я бы сделал наоборот. В щитке оставил АВ (выше писал,что он там должен сидеть и ограничивать вашу мощность),а дома поставил рубильник,чтобы можно было обестачивать квартиру,Если на долго уезжаете к примеру.Я что-то смысла особого в двух вводных АВ не вижу...

Поставте ВН на 25А, если кабель до квартирного щита длиной менее 6м это можно. 

а я бы не стал так категорично утверждать  :)  всё зависит от токов КЗ (дальность подстанции, подводящая линия) 60% что вылетят оба и в первом и во втором случае

- Ключи от лестничного щитка есть (сам лично с соседом спиливал к чертям старый замок и вешал свой), но щиток расположен под потолком и как то в случае чего не очень хочется тащить лестницу чтобы его включить.

- Кабель от лестничного щитка до квартирного щитка около 6-7 метров (+/-) длинной будет.

И где всё таки и что ставить, если отказываться от двух автоматов?

ВАРИАНТ 1. В щитке на лестнице автомат С25А , а в квартире рубильник на теже 25А? Но тогда если чего вдруг будет срабатывать автомат и надо будет лезть в щиток на лестнице. Правда, думаю, что это очень маловероятно, т.к. групповые автоматы значительно меньше номиналом и всегда сработают первыми.

ВАРИАНТ 2. В щитке на лестнице ставим рубильник на 25А, а в квартире уже автомат С25А. Тогда в случае чего сработает автомат в квартире, но как это отразится на защите и безопасности? И разрешено ли так делать согласно ПУЭ, как на такое отреагирует электрик?

Получается что автоматы одного номинала 25А, но с разным классом, даже если брать не пограничные (B и С), а допустим (B и D) все равно с большой вероятностью сработают оба? В щиток никто бОльшего номинала мне ставить не разрешит, а в квартире ограничивать ввод 20А как то совсем уже не хочется...

Либо как вводной либо по сумме нижестоящих автоматов (если так получается меньше). Для китайских УЗО номинал по току лучше брать на ступень выше (так и в инструкции пишут, напр у Dekraft-a).

Да, можно такой вариант. УЗО противопожарные человека от удара не спасают, а 30мА заодно с человеком и от утечки пожароопасной уберегут.

Понял Вас, спасибо! Но все таки еще раз уточню. Если брать хорошие фирмы значит беру две штуки 25А 30мА, если что-то попроще, то две штуки 25А 30мА.

Но все таки задам еще вопрос, люблю всё понять и разобраться, чтобы знать что делаешь. Спасибо Вам за помощь!

Почему товарищ общее узо на 32 с током утечки 300мА советовал я понял, а почему на мокрую группу 16А?

Группы у меня такие:

Мокрая группа:

  1. Свет Туалет + Ванная (автомат 10А)
  2. Розетки Ванная + Прихожая + Коридор (автомат 10А/16А)
  3. Розетка Стиральная машина (автомат 16А)

Обычная группа:

  1. Свет Кухня, Комнаты 1-3 (автомат 10А)
  2. Свет Коридор + Прихожая (автомат 10А)
  3. Розетки Кухня (автомат 16А)
  4. Розетки Комната 1 (автомат 16А)
  5. Розетки Комната 2 (автомат 16А)
  6. Розетки Комната 3 (автомат 16А)

Для публикации сообщений создайте учётную запись или авторизуйтесь

Вы должны быть зарегистрированным пользователем, чтобы оставить комментарий

Создать учетную запись

Зарегистрируйтесь в нашем сообществе.

Зарегистрироваться

Войти

Уже есть аккаунт? Войти в систему.

Войти

Или войти с помощью одного из сервисов



  • Наши рекомендации

    • Кажись всё или строительный пылесос с тройной мультициклонной ступенью очистки
      Кажись всё или строительный пылесос с тройной мультициклонной ступенью очистки

        • Нравится
      • 16 ответов
    • Подходы к ремонту старых домов в России
      В России сотни тысяч старых домов, многие из которых являются не только свидетельством исторического наследия, но и отражением уникальной культуры и традиций страны. Эти дома, будь то деревянные избы или старинные каменные постройки, сохраняют в себе дух времени и рассказывают историю поколений.

      • 0 ответов
    • Люк для кошек своими руками
      Разумеется давно придуманы и продаются специальные лючки для кошек, которые можно врезать в дверь, но мы ведь не ищем легких путей . Да и по зоомагазинам я не хожу, а "гугление" показало, что такие люки для кошек стоят относительно не дешево. В то же время под рукой были два "копеечных" сантехнических пластиковых лючка для ГКЛ. Все что оставалось, так это обломать фиксаторы крышек, что бы они открывались в обе стороны, ровно выпилить отверстие в двери, да вклеить симметрично эти лючки.

      То, что получилось видно на фото. Разумеется это не для тех, у кого "дизайнерский ремонт", но для обыкновенной квартиры вполне подходит. Недостатков не замечено, животных и людей всё устраивает .


      Реакцию форумчан на этот люк можно узнать в этой теме https://homemasters.ru/...me/?p=330637

        • Ого
      • 6 ответов
    • Дома из сруба: идеальное сочетание уюта и прочности.
      Строительство собственного дома является важной вехой в жизни любого человека, поскольку оно знаменует собой важное событие. Выбор строительных материалов имеет огромное значение для создания теплого и функционального жилища. На протяжении всей древней истории древесина была распространенным материалом для строительства домов, что отразилось на различных культурах мира.

      • 0 ответов
    • Аккумуляторные пилы  SCW и  SCM  22-A
      После того как провёл тесты, приступил к самому главному. Поменять диски местами, и проверить, как инструмент на это отреагирует, ведь они внешнее и походу внутренне практически одинаковые, пила по дереву конечно более навороченее, есть настройки угла наклона и можно на шину посадить через адаптер.

      • 4 ответа
    • Вторая жизнь дивана: искусство ремонта мягкой мебели своими руками
      В эпоху беспрерывного потребления и стремления к новизне, ремонт старой мягкой мебели своими руками приобретает не просто практическое, но и глубоко философское значение. Это действие как знак уважения к труду мастеров, которые вложили свое мастерство в создание диванов, кресел и пуфов, и как воплощение идеи устойчивого потребления. С каждым возвращенным к жизни предметом мебели, мы не только сохраняем историю и уникальность каждого изделия, но и противостоим бездумному обновлению интерьера за счет экологии и рационального использования ресурсов.

        • Нравится
      • 0 ответов
    • Газовые котлы: эффективное, экономичное и экологичное решение для отопления вашего дома
      В современном мире, где комфорт и устойчивость стали ключевыми аспектами повседневной жизни, выбор правильного источника отопления дома становится особенно актуальным. Газовые котлы, сочетая в себе преимущества эффективности, экономичности и экологичности, представляют собой одно из наиболее популярных решений для обеспечения комфортной температуры в жилых и коммерческих помещениях.

      • 0 ответов
    • Как построить теплый дом, не тратя лишних денег
      Строительство гостевого дома решил выделить в отдельную тему, так будет меньше путаницы.


        • Спасибо
        • Нравится
      • 256 ответов
×
×
  • Создать...

Важная информация

Мы разместили cookie-файлы на ваше устройство, чтобы помочь сделать этот сайт лучше. Вы можете изменить свои настройки cookie-файлов, или продолжить без изменения настроек.